42 ansul system wiring diagram
Feb 14, 2020 — ... switchig on when the Ansel system on the hood went off. See if you can locate the wire. It's an odd way to draw a diagram in my opinion See wiring diagram and installation instructions (page3) for wiring requirements. ... Two Ansul micro switches are wired to control panel from fire system.8 pages
Master Electrician. Joined Jan 10, 2008. ·. 2,684 Posts. #20 · Jun 21, 2011. 99Kilowatt said: I got it fellas. Remove and install a shunt trip breaker for every electrical device under the hood. Run a low voltage wire from the 12v micro switch in the ansul system to the 12v shunt trips.

Ansul system wiring diagram
Label System (Wiring Diagram) Remote Release R Ansul. Label System ( Wiring Diagram) Remote Release R Ansul. Add to Quote. Product Code. ProTex II™ 3 Gallon Cylinder Assembly, L ProTex II™ Gallon Cylinder Assembly, Ansul® 6 Litre K-Guard® Wet Chemical Fire Extinguisher w/. in the Ansul R System Design, Installation, Recharge and ... What needs to connect to what and how to do it. ELECTRICAL WORK DONE BY CADDY CORPORATION IS EXECUTED IN COMPLIANCE WITH ... MAXIMUM ANSUL ENCLOSURE DIMENSIONS ... TYPICAL ANSUL R102 SYSTEM LAYOUT.5 pages
Ansul system wiring diagram. Ansul System Wiring Schematic. Run a low voltage wire from the 12v micro switch in the ansul system to the 12v shunt trips. The system shall be capable of being actuated by manual discharge devices located at each hazard exit. Variety of ansul system wiring diagram it is possible to download free of charge. Design, installation, recharge, and maintenance of the system must conform to the limitations detailed in this manual and per-formed by an individual who attended an ANSUL training pro-gram and became trained to install, recharge, design, and main-tain the Ansul system. Fire suppression systems are mechanical devices. They need periodic care. Ansul System Wiring Diagram. Variety of ansul system wiring diagram. A wiring diagram is a simplified traditional photographic depiction of an electric circuit. It shows the parts of the circuit as simplified forms, and also the power and also signal connections in between the tools. A wiring diagram generally gives information concerning the relative… Variety of ansul system wiring diagram it is possible to download free of charge. Wiring diagrams help technicians to view how a controls are wired to the system. The first element is symbol that indicate electrical component from the circuit. A wiring diagram is a simplified conventional pictorial representation of an electrical circuit. 2004 ...
May 22, 2018 · Variety of ansul system wiring diagram it is possible to download free of charge. Please download these ansul system wiring diagram by using the download button, or right click selected image, then use Save Image menu. Wiring diagrams help technicians to view how a controls are wired to the system. Oct 02, 2021 · The other thing you will see a circuit diagram. Ansul system wiring diagram. The first element is symbol that indicate electrical component from the circuit. No Spark On 110cc Mini Atv Page 2 Chinese Scooters Atv Ansul System . Chinese 110 Bike With Starter Wiring Diagram In 2021 Motorcycle Wiring 50cc Diagram Nov 18, 2008 — I have done a few but the Ansul guys always had a schematic. From an electrical standpoint they are easy. The micro switch just need to break ... Ansul system wiring contractor talk r102 fire drawing kitchen hood shunt trip diagram electrician schematic shut off intake fan using suppression check a commercial vent protex ii components Ansul System Wiring Contractor Talk Professional Construction And Remodeling Forum Ansul R102 Fire System Drawing Diagram Kitchen Hood Shunt Trip Wiring Full Version Hd Quality […]
TYPICAL ANSUL R SYSTEM LAYOUT FIELD WIRING DIAGRAM.Ansul Kitchen Hood Suppression Wiring schematron.org DOWNLOAD HERE R RESTAURANT FIRE SUPPRESSION SYSTEM schematron.org This manual. The Ansul R Restaurant Fire Suppression System is an automatic, pre-engineered, fire suppression system The R system shall be capable of operating in a temperature ... Feb 26, 2020 — I am doing a wiring for a fried chicken and need to wire ansul system. Can you make a wiring diagram for me. Thanks.correctly wire fire suppression without use of shunt breakersSep 12, 2012Ansul System | Mike Holt's ForumOct 20, 2012Ansul system | Mike Holt's ForumFeb 26, 2019ansul system wiring | Mike Holt's ForumJan 3, 2007More results from forums.mikeholt.com October 24, 2021 · Wiring Diagram. by Anna R. Higginbotham. ansul system wiring diagram - You will need a comprehensive, skilled, and easy to understand Wiring Diagram. With this kind of an illustrative guide, you'll be able to troubleshoot, avoid, and complete your projects with ease. Ansul Wiring Diagram. I have done a few but the Ansul guys always had a schematic. From an The suppression tech will also have the wiring diagram. When the. The field electrician is required to wire the following: 1. Fire System Micro Switch from the ANSUL or PYROCHEM Fire Suppression System connect wires. Label System (Wiring Diagram) Remote Release R Ansul.
3. The hood light wiring will also need to be wired to terminals as indicated on the installation diagram. 4. If an ANSUL fire system is present, the fire system micro-switch will need to be wired to terminals as indicated on the installation diagram, typically "C1", "AR1". C1 is the common and connects to
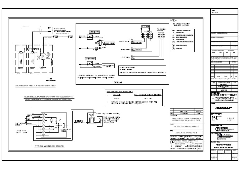
ANSUL SAPPHIRE Clean Agent Fire Suppression System 5 with AUTOPULSE Z-10 Conventional Detection System 4. The system shall be capable of being actuated by manual discharge devices located at each hazard exit. Operation of a manual device shall duplicate the sequence description above except that the time delay and abort functions shall be bypassed.
Ansul System Interlock Electrician Talk. Dc Power System Wiring Diagram Continued Tm 55 1520 240 T 2 511. Ansul system wiring contractor talk r102 fire drawing hood schematic commercial kitchen vent electrician check contactors and 2 micro switches switch pre packaged suppression 1 install one or two of the electrical knight ii general ...
Exhaust and supply fans are interlocked and fire suppression system activated, supply fan(s) shut 1 or 3 phase power as required from breaker panel to control panel for fans (see wiring diagram.) should not be wired to a shunt trip breaker.Ansul system wiring diagram as well as fender hss wiring diagram furthermore lincoln town car wiring ...
Ansul System Wiring Schematic. On this website we recommend many pictures abaout Ansul System Wiring Schematic that we have collected from various sites Wiring Diagram - strategiccontentmarketing.co, and of course what we recommend is the most excellent of picture for Ansul System Wiring Schematic. If you like the picture on our website ...
Wiring diagrams help technicians to see how the controls are wired to the system. A bathroom fan may be exhaust only or it may be an actual bathroom fan light heater or any combination thereof. If you have only an exhaust replacing it with a heating and lighting unit may make the time you spend in the room far more pleasurable.
KNOCKOUT FOR WIRING MICROSWITCH. CONTROL PANEL. 1. 2. 3. 4. 5. 6. WET CHEMICAL FIRE PROTECTION SYSTEM TO BE ANSUL R-102, DESIGNED IN.8 pages
Google "ansul system wiring diagram", you'll even find some links to a place called "Mike Holt" (seriously, there are manuals and pictures of wiring diagrams online) gadfly56 Senior Member. Location New Jersey Occupation Professional Engineer, Fire & Life Safety Oct 21, 2012
Ansul System Wiring Diagram wiring diagram is a simplified standard pictorial representation of an electrical circuit. 16ac6 1973 Nova Fuse Box Wiring Resources. This manual is intended for use with ANSUL R Restaurant. How to wire a switch diagram. Please help the wiring diagram. Wire Battery to function as the power source Bulb Micro switch.
Ansul System Wiring Diagram - ansul fire suppression system wiring diagram, ansul system micro switch wiring diagram, ansul system wiring diagram, Every electrical structure consists of various different components. Each part should be set and linked to other parts in specific manner. If not, the structure will not work as it should be.
May 26, 2018 · ansul system wiring diagram – What’s Wiring Diagram? A wiring diagram is a kind of schematic which utilizes abstract photographic signs to show all the interconnections of components in a system. Electrical wiring representations are composed of 2 things: signs that stand for the elements in the circuit, as well as lines that stand for the links in between them.
Wire the upper switch(es) according to the switch wiring diagram ... One Stanton Street / Marinette, WI 54143-2542, USA / +1-715-735-7411 / www.ansul.com.2 pages
ansul system wiring diagram - thanks for visiting my site, this article will review regarding ansul system wiring diagram. We have accumulated lots of images, ideally this photo is useful for you, as well as aid you in locating the response you are searching for. Description : Ansul R 102 Wiring Diagram - Facbooik for
The field electrician is required to wire the following: ... Fire System Micro Switch from the ANSUL or PYROCHEM Fire Suppression System connect wires.1 page
Sep 14, 2021 · Ansul R 102 Wiring Diagram | Wiring Library – Ansul System Wiring Diagram Wiring Diagram includes many detailed illustrations that display the relationship of assorted products. It consists of guidelines and diagrams for various types of wiring strategies as well as other items like lights, home windows, and so forth.
Ansul Micro Switch Wiring Diagram. Oleh Anonim April 16, 2020 Posting Komentar. Fraser Kinloch Fraserkinloch On Pinterest Heiser Oem System Components Protex Ii System Components Ansul R 102 Wiring Diagram Wiring Schematic Diagram 12vdc On Off On Switch Wiring Diagram Wiring Diagram Triangle Fire Inc Restaurant System Parts Mic2 Ansul.
The ANSUL R-102 Restaurant Fire Suppression System is developed and tested to provide fire protection for restaurant cooking appliances, hoods, and ducts. It is a pre-engineered group of mechanical and electrical components for installation by an authorized ANSUL distributor. The basic system consists
Ansul system wiring contractor talk r102 fire drawing check electrician hood schematic commercial kitchen vent micro switch contactors and 2 switches extinguishing diagram pre packaged suppression r 102 installation Ansul System Wiring Contractor Talk Professional Construction And Remodeling Forum Ansul R102 Fire System Drawing Ansul Wiring Check Electrician Talk Ansul Hood System Schematic ...
By Jaris
I Have The Need To Operate An Ansul System Using Contactors And 2 Micro Switches One Will Drop Power For Light And
ELECTRICAL WORK DONE BY CADDY CORPORATION IS EXECUTED IN COMPLIANCE WITH ... MAXIMUM ANSUL ENCLOSURE DIMENSIONS ... TYPICAL ANSUL R102 SYSTEM LAYOUT.5 pages
What needs to connect to what and how to do it.
Label System (Wiring Diagram) Remote Release R Ansul. Label System ( Wiring Diagram) Remote Release R Ansul. Add to Quote. Product Code. ProTex II™ 3 Gallon Cylinder Assembly, L ProTex II™ Gallon Cylinder Assembly, Ansul® 6 Litre K-Guard® Wet Chemical Fire Extinguisher w/. in the Ansul R System Design, Installation, Recharge and ...
Pyro Chem Pcl 300 Fire Suppression System For Restaurant Hood Need Help Wiring Micro Switch That Cuts Off The Fresh Air
Steca Studer Xtender Xtm4000 48 Inverter Charger Dc To Ac Hybrid Inverter Single Phase Three Phase Unit Combining Inverter 4kva To 36kva 48v Fangpusun
0 Response to "42 ansul system wiring diagram"
Post a Comment