42 briggs and stratton diagram
23 Nov 2020 — The Briggs & Stratton 104m05-0082-f1 vertical shaft engine has a power rating of 7.25 Gross torque, this exi series engine features the ... 22 responses to “5 HP Briggs and Stratton Governor Linkage Diagrams” Anthony says: May 26, 2016 at 4:45 pm. Hello. I have an older B&S 5hp engine mounted on a rototiller. I got it for free and the linkage has never been right. One of the first things I noticed is that I DON’T have the “mechanism” on top like you have in your last picture. I have no idea how the linkage connects on ...
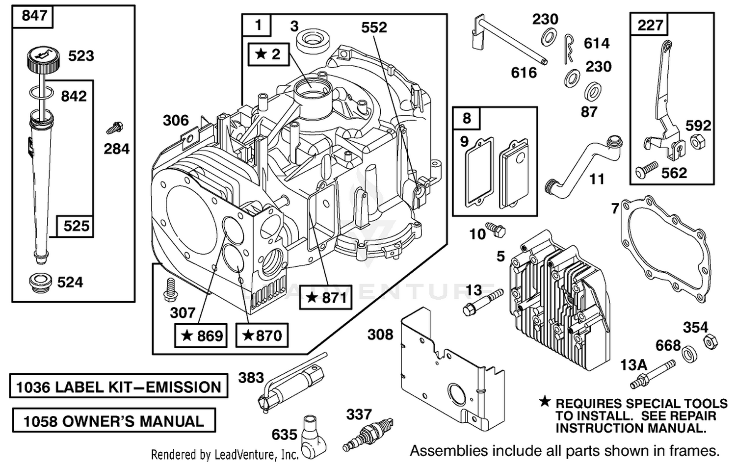
16/12/2015 · @knuckelhead the 400000 series should be a Intek V-twin 1. Place cylinder head gasket over alignment dowels on cylinder block. 2. Install cylinder head assembly. Torque head bolts in sequence shown to 220 in. lbs. (25 Nm). Here is the diagram to show the pattern - Briggs and Stratton …

Briggs and stratton diagram
Briggs & Stratton Parts Diagram Lookups: How to find your Briggs Model number? Air Filters. Carb Kits. Gas Caps. Gaskets. Fuel System. Ignition Systems. Internal Parts. Oil Drain Plugs. Mufflers. Ring Sets. Starters. Oil Filters. Tune-Up Kits. Engines. Briggs & Stratton Parts Diagrams. Servicing Tools. ProParts Direct, LLC. 288 N. Broadway Salem NH 03079 Phone: 800-305-9255 Fax: 603-893-1484 ... BRIGGS and STRATTONENGINE021000Parts ListBRIGGS and STRATTONGENERATOR030210‑1Parts ListBRIGGS and STRATTONGENERATOR030210‑2Parts ListBRIGGS and STRATTONGENERATOR030241‑0Parts ListView 401 more rows Description: Briggs And Stratton 31C707-0154-E1 Parts Diagram For Carburetor with regard to Briggs And Stratton Carburetor Parts Diagram, image size 1180 X 1408 px, and to view image details please click the image.. Here is a picture gallery about briggs and stratton carburetor parts diagram complete with the description of the image, please find the image you need.
Briggs and stratton diagram. DatesProductScoreDate:08‑OCT‑2021Product: 593260 (was 798452) Air FilterScoreDate:07‑OCT‑2021Product: 808116S Fuel FilterScoreDate:06‑OCT‑2021Product: 594575 Air Filter CoverScoreView 17 more rows Search for Your Briggs and Stratton Model · Briggs and Stratton Parts Diagrams.200000 - 399999 Series · 100000 - 19Z999 Series · 400000 - 699999 Series Stihl MS 440 Chainsaw (MS440 N) Parts Diagram Select a page from the Stihl MS 440 Chainsaw diagram to view the parts list and exploded view diagram. All parts that fit a MS 440 Chainsaw . Pages in this diagram. AV System. Carburetor HD-15C. Chain Brake. Conversion kit rescue saw not for USA. Crankcase. Cylinder. Handlebar. Ignition System . Oil Pump. Rewind Starter. Shroud. Tank housing. … 24/10/2018 · Draw this out using an energy level diagram: 2 He2 has bond order 0 [(2 − 2)/2 = 0], and we can make H+. 2,. H−.A molecular orbital diagram, or MO diagram, is a qualitative descriptive tool explaining chemical bonding in molecules in terms of molecular orbital theory in general and the linear combination of atomic orbitals (LCAO) molecular orbital method in particular.
Oct 2, 2018 - Briggs Stratton Engine Parts Diagram Briggs And Stratton Parts Diagram Fine Photograph Lawnmower Sn photo, Briggs Stratton Engine Parts ... Step 3: Briggs and Stratton PDF Parts List. Now that you have your Engine Model Number, find your PDF manual from the list below.Model Number: Engine Type Parts Lookup Tool. This interactive page will allow you to find the exact replacement part you need, using official parts diagrams from the manufacturer.Starters and Starter Parts · Engine Parts · Carburetors & Carburetor Parts · Contact Description: Briggs And Stratton 31C707-0154-E1 Parts Diagram For Carburetor with regard to Briggs And Stratton Carburetor Parts Diagram, image size 1180 X 1408 px, and to view image details please click the image.. Here is a picture gallery about briggs and stratton carburetor parts diagram complete with the description of the image, please find the image you need.
BRIGGS and STRATTONENGINE021000Parts ListBRIGGS and STRATTONGENERATOR030210‑1Parts ListBRIGGS and STRATTONGENERATOR030210‑2Parts ListBRIGGS and STRATTONGENERATOR030241‑0Parts ListView 401 more rows Briggs & Stratton Parts Diagram Lookups: How to find your Briggs Model number? Air Filters. Carb Kits. Gas Caps. Gaskets. Fuel System. Ignition Systems. Internal Parts. Oil Drain Plugs. Mufflers. Ring Sets. Starters. Oil Filters. Tune-Up Kits. Engines. Briggs & Stratton Parts Diagrams. Servicing Tools. ProParts Direct, LLC. 288 N. Broadway Salem NH 03079 Phone: 800-305-9255 Fax: 603-893-1484 ...
Briggs And Stratton 92500 Series Parts List And Diagram Ereplacementparts Com Engineering Engine Repair Briggs Stratton
Briggs Amp Stratton Power Products Del 26072017021729 040360ca 00 15 000 Watt Home Standby Generator Milbank Wiring Diagram Standby Generator
20 Hp Briggs And Stratton Engine Wiring Diagram 20 09 2015 Nbsp 20 Hp Briggs And Stratton Engine Pdf Document
Briggs And Stratton Carburetor Diagram 41187d1346361979 5hp Briggs Stratton Carb2130200 Gif 788 549 Small Engine Briggs Stratton Briggs
Toro Professional 62900 5 Hp Lawn Vacuum 1973 Sn 3000001 3999999 Parts Diagram For Engine Model No 130202 Type 0209 Briggs Stratton
Toro 70089 12 32 Rear Engine Rider 2002 Sn 220000001 220999999 Engine Briggs Stratton Model 28m707 1182 E1
Briggs And Stratton 18 Hp Carburetor Diagram Riding Mower With An 18hp Briggs Stratton Engine Briggs
Toro 70141 12 32 Rear Engine Rider 1995 Sn 59000001 59999999 Engine Briggs Stratton Model 283707 0160 01 2
0 Response to "42 briggs and stratton diagram"
Post a Comment