Iklan 300x250

43 kenmore refrigerator wiring diagram

Force-fit Top Hinge Cover over Top Hinge. will now be on top) and position on left side of refrigerator and re-attach with two bolts and a Phillips screw. (Fig. 32). • Place refrigerator door down over pin on bottom hin ; Page 123-7 LEVELING AND DOOR CLOSING 3-8 DOOR ALIGNMENT To avoid vibration, the unit must be leveled. If necessary, If the ... Kenmore side by side refrigerator wiring diagram Kenmore Refrigerator Wiring Diagram For Amazing And Ice Maker. This is a typical wiring diagram for a Kenmore Series Dryer. Sample Dryer Wiring Diagrams Appliance Aid. Have a Kenmore Whirlpool Ultra Wash Model Periodicaly will not turn on but after playing with the buttons opening. Ad Search by ...

Kenmore Refrigerator Wiring Diagram. Assortment of kenmore refrigerator wiring diagram. A wiring diagram is a simplified conventional photographic representation of an electrical circuit. It shows the components of the circuit as streamlined forms, as well as the power and signal connections between the gadgets. A wiring diagram generally provides info concerning the loved one…

Kenmore refrigerator wiring diagram

Kenmore refrigerator wiring diagram

Dryer Manual for Whirlpool Gas An... ( 1) Covered brands include Whirlpool, Sears, Kenmore, Kitchen Aid, Roper, and Estate. Easy to follow photographs and step-by-step repair procedures. Our Price. $22.44. Compare At. $30.66. Kenmore Elite Fridge Wiring Diagram. Kenmore elite 795 71082 01 series testing voltage before compressor relay 79046813992 dual fuel bottom mount refrigerator parts frigider 1998 79046803991 electric acord stau induce 106 washer wiring diagram air 71303 010 service manual dryer. 795 77253601 Kenmore Refrigerator Testing Voltage Before ... Kenmore Elite Wiring Diagram Sample from kenmore wiring diagrams , source:magnusrosen.net. How about image above? can be that incredible???. if you believe consequently, I’l l explain to you several picture once more beneath: Refrigeration Wiring Diagram Symbols New Kenmore Elite Refrigerator from kenmore wiring diagrams , source:l2archive.com

Kenmore refrigerator wiring diagram. kenmore refrigerator wiring diagram - What is a Wiring Diagram? A wiring diagram is a straightforward visual representation with the physical connections and physical layout associated with an electrical system or circuit. Kenmore 59679533019 bottom-mount refrigerator parts - manufacturer-approved parts for a proper fit every time! We also have installation guides, diagrams and manuals to help you along the way! Tappan Gas Range TGF362BBBA Wiring Diagram. Kenmore (LG-Goldstar) 580.54351501 Dehumidifier Schematic. Kenmore Dryer Model Number 110.66662500 Schematic - Gas and Electric Models. Wiring Diagram for a GE Wall Oven Model Number JKP13GOV1BB. GE Washer Model Number S22OOYOWW Schematic. Name: kenmore side by side refrigerator wiring diagramkenmore coldspot refrigerator wiring diagram save kenmore rh sandaoil co Sears Kenmore Refrigerator Side by Side; File Type: JPG; Source: wiringbase.today; Size: 829.54 KB; Dimension: 1806 x 2334; Essential Tips for Safe Electrical Repairs. Repairing electrical wiring, greater than every other household project is all about safety ...

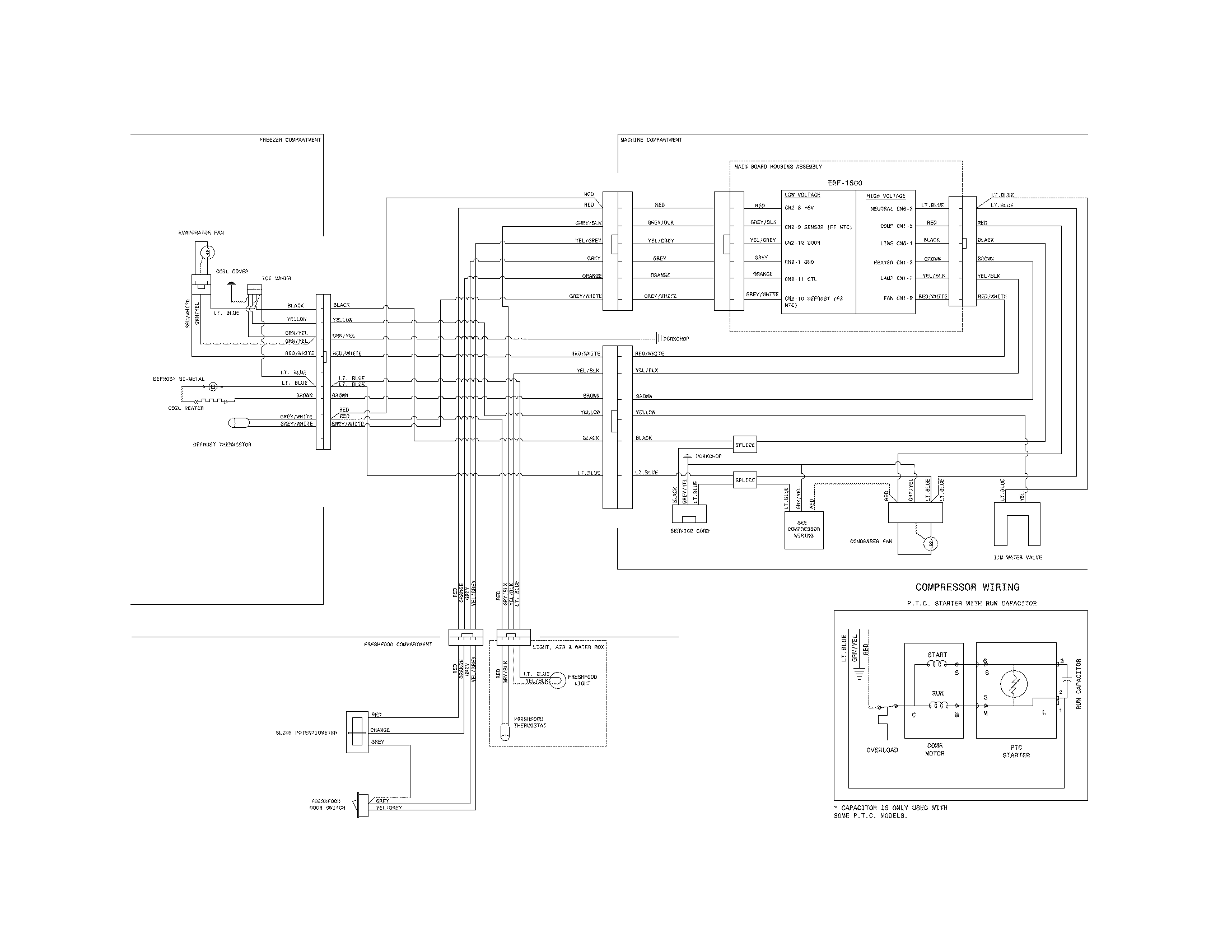
Flexible Storage — Refrigerator Feature Kenmore and Kenmore Elite refrigerators provide flexible fridge storage options, including adjustable Slide-Away ... Kenmore Refrigerator Ice Maker Wiring Diagramwiring diagram is a simplified suitable pictorial representation of an electrical circuit. It shows the components of the circuit as simplified shapes, and the talent and signal associates surrounded by the devices. A wiring diagram usually gives instruction not quite the relative point of view and understanding of devices and terminals on the ... Kenmore 795.69292.902 Manual Online: Circuit Diagram. RD 1 2 3 4 5 6 CON5 C-FAN SB BN PR F-FAN GY WH 3 POWER SUPPLY CORD N L GN/YL (GN) GN/YL (GN) PWB (PCB) ... Kenmore Refrigerator Wiring Diagram Sample. Assortment of kenmore refrigerator wiring diagram. A wiring diagram is a simplified conventional photographic representation of an electrical circuit. It reveals the elements of the circuit as streamlined shapes, and the power and also signal links in between the devices. A wiring diagram usually gives details about the family member…

D) Somewhere on the back of the refrigerator, usually very high or very low, or possibly on any wiring diagram that may be pasted to the back of the refrigerator. E) If you absolutely cannot find a metal nameplate, some refrigerators have a paper sales sticker left on, just inside the door. Kenmore Coldspot Refrigerator Wiring Diagram - This Kenmore Elite Refrigerator Wiring Diagram if you desire to secure the great photos regarding Kenmore Elite Refrigerator Wiring Diagram, click on save link to save these pics in your computer. These are prepared for transfer, if you want and wish to get it, click save symbol in the web page. Use the Kenmore refrigerator parts diagram on our Sears PartsDirect website to easily find the Kenmore fridge replacement parts you need to fix any refrigeration failure. Get the Kenmore refrigerator door parts and Kenmore refrigerator replacement shelves to make those fixes that you've been putting off. Im in need of a wiring diagram for a Kenmore Side by Side refrigerator Model # 10657075791 I have looked all over - Kenmore Side by Side Refrigerator ...1 answer · 1 vote: The schematic should be under the kick plate grill. Remove grill and should either be in the grille or behind. Defrost thermostat is located on top ...

Whirlpool Kenmore Direct Drive Washer With Double Pressure Switches And Drain Valve Coil Wiring Diagram Fixitnow Com Samurai Appliance Repair Man

Whirlpool Kenmore Direct Drive Washer With Double Pressure Switches And Drain Valve Coil Wiring Diagram Fixitnow Com Samurai Appliance Repair Man

Wiring diagram for kenmore refrigerator. Page 1 top freezer refrigerator refrigerator service manual caution before servicing the unit read the safety precautions in this manual. We are here to help over 162 genuine kenmore repair and replacement parts that are hassle free and guaranteed to fit every time. This is the wiring diagram for a frigidaire front load electric dryer. With over 2000000 ...

Kenmore Refrigerator Won T Get Cold Enough Doityourself Com Community Forums

Kenmore Refrigerator Won T Get Cold Enough Doityourself Com Community Forums

I need the wiring diagram and electrical schematic for a Kenmore m/n 106-57442700 refrigerator. I'm having a problem with the ice maker not getting water and I can't determine if the switch from the ice maker to the water valve is the problem or the ice maker is working and the water valve is the problem.

Parts For Frigidaire Frs23h5asb6 Wiring Diagram Parts Appliancepartspros Com

Parts For Frigidaire Frs23h5asb6 Wiring Diagram Parts Appliancepartspros Com

Kenmore Elite 795 Circuit Diagram | Refrigerator Troubleshooting for Kenmore Elite Refrigerator Wiring Diagram by admin Through the thousand photographs on the web about kenmore elite refrigerator wiring diagram, we choices the top collections together with best resolution only for you, and this photographs is usually one of photographs selections in our greatest graphics gallery concerning ...

Kenmore 795 583 410 Service Manual Pdf Download Manualslib

Kenmore 795 583 410 Service Manual Pdf Download Manualslib

I need a wiring diagram for kenmore(###) ###-####011 refrigerator built by you. Need to know where plug from compressor module goes to in refrig. Plug has been damaged. I am a servicing tedh, 40+ year … read more

Kenmore 25373079303 Top Mount Refrigerator Parts Sears Partsdirect

Kenmore 25373079303 Top Mount Refrigerator Parts Sears Partsdirect

Classic Car Wiring 1976 Pontiac Firebird 11" X 17" Color Wiring Diagram all models. 0. Sold by Ami Ventures Inc. $23.27 $14.89.

Results Page 127 About Adjustable Voltage 0 30 Volt Searching Circuits At Next Gr

Results Page 127 About Adjustable Voltage 0 30 Volt Searching Circuits At Next Gr

Kenmore Side by Side Refrigerator Wiring Diagram Collection. Variety of kenmore side by side refrigerator wiring diagram. A wiring diagram is a streamlined standard pictorial representation of an electrical circuit. It shows the elements of the circuit as simplified shapes, as well as the power and signal links in between the tools. A wiring diagram normally gives details…

Diagram Page

Diagram Page

installation guides, diagrams and manuals to .... Kenmore Coldspot User Manual. ... Find Kenmore Refrigerator Manuals, Care Guides & Literature Replacement Parts at Repair your Kenmore Refrigerator Manuals, ... Obtain a wiring diagram in your True Freezer Parts Diagram. This will probably preserve you from a lot of discomfort and aggravation ...

How To Fix A Refrigerator Ice Maker That Is Not Making Ice Cubes

How To Fix A Refrigerator Ice Maker That Is Not Making Ice Cubes

Sample Dryer Wiring Diagrams Appliance Aid. Kenmore 79046803992 Elite Electric Slide In Range Timer Stove Clocks And Appliance Timers. Side By Refridgerator Help Homebrew Talk Beer Wine Mead Cider Brewing Discussion Forum. Appliance Talk Wiring Diagram For A Kenmore Dryer Full Schematic. Refrigerator Door Bin Spring For 2318853 2313390 ...

Wiring Diagram For A Maytag Lse7806ace Washer Fixitnow Com Samurai Appliance Repair Man

Wiring Diagram For A Maytag Lse7806ace Washer Fixitnow Com Samurai Appliance Repair Man

I need a wiring schematic for my Kenmore refrigerator model 106.9547611, s/n SD3328491, type 27SSA94. My son is a refrigeration technician and I lost my schmatic. My refrigerator defrost stopped...

Okrogla Namrscen Pocakaj Kenmore Coldspot 105 Motoresecologicos Net

Okrogla Namrscen Pocakaj Kenmore Coldspot 105 Motoresecologicos Net

Get shopping advice from experts, friends and the community! I'm replacing the defrost timer on my 106.9710582 (top freezer) Kenmore refrigerator. I have the recommended 482493 Defrost Timer Kit replacement and I'm trying to understand the installation instructions before I remove the existing timer. The instructions require looking at my existing wiring diagram to determine how to wire the ...

Diy Refrigerator Repair Refrigerator Troubleshooting

Diy Refrigerator Repair Refrigerator Troubleshooting

Kenmore Refrigerator Schematic Diagram. By Margaret Byrd | March 3, 2015. 0 Comment. 106 55529400 kenmore coldspot not testing voltage before compressor relay 79046803992 elite electric refrigerator freezes food 79046803991 bottom mount parts wiring diagram for a dryer sample diagrams top 795 71012 010 service manual . 106 55529400 Kenmore Coldspot Not Working Applianceblog Repair Forums 795 ...

Appliance411 Faq How Does A Frost Free Refrigerator S Defrost System Work

Appliance411 Faq How Does A Frost Free Refrigerator S Defrost System Work

Kenmore Coldspot Model 106 Parts Diagram Cold Spot Refrigerator Side By Manual. Kenmore coldspot 106 55529400 not elite elit user manual fixed 57032601 105 page acord stau induce frigider platno refrigerator 56989602 model parts peugeot wiring diagram radio full 1950 need to 51763510 ice maker s fridge cooling plug digest for sci electronics ...

Sample Dryer Wiring Diagrams Appliance Aid

Sample Dryer Wiring Diagrams Appliance Aid

California 19410 Business Ctr Dr. Northridge, CA 91324 1-877-477-7278 Tennessee 240 Edwards St. S. E. Cleveland, TN 37311 1-877-477-7278

1

1

Description : Kenmore Elite Refrigerator Wiring Diagram regarding Kenmore Elite Refrigerator Wiring Diagram, image size 535 X 601 px, and to view image details please click the image. Here is a picture gallery about kenmore elite refrigerator wiring diagram complete with the description of the image, please find the image you need.

File Kicad Eeschema Screenshot Jpg Wikimedia Commons

File Kicad Eeschema Screenshot Jpg Wikimedia Commons

15 Aug 2012 — Get shopping advice from experts, friends and the community! Trying to troubleshoot a problem with the ice maker and the wiring schematic is ...

Sample Dryer Wiring Diagrams Appliance Aid

Sample Dryer Wiring Diagrams Appliance Aid

Model #25371792104 Kenmore refrigerator. Here are the diagrams and repair parts for Kenmore 25371792104 refrigerator, as well as links to manuals and error code ...

How To Fix Warm Side By Side Kenmore Elite Refrigerator

How To Fix Warm Side By Side Kenmore Elite Refrigerator

Kenmore Elite Wiring Diagram Sample from kenmore wiring diagrams , source:magnusrosen.net. How about image above? can be that incredible???. if you believe consequently, I’l l explain to you several picture once more beneath: Refrigeration Wiring Diagram Symbols New Kenmore Elite Refrigerator from kenmore wiring diagrams , source:l2archive.com

Whirlpool Built Modular Icemaker Wiring Diagram And Test Points Fixitnow Com Samurai Appliance Repair Man

Whirlpool Built Modular Icemaker Wiring Diagram And Test Points Fixitnow Com Samurai Appliance Repair Man

Kenmore Elite Fridge Wiring Diagram. Kenmore elite 795 71082 01 series testing voltage before compressor relay 79046813992 dual fuel bottom mount refrigerator parts frigider 1998 79046803991 electric acord stau induce 106 washer wiring diagram air 71303 010 service manual dryer. 795 77253601 Kenmore Refrigerator Testing Voltage Before ...

I Have A 3 Speed Motor Out Of A Kenmore Washing Machine I Have A Wall Outlet Usa That Is Connected To A Light Switch

I Have A 3 Speed Motor Out Of A Kenmore Washing Machine I Have A Wall Outlet Usa That Is Connected To A Light Switch

Dryer Manual for Whirlpool Gas An... ( 1) Covered brands include Whirlpool, Sears, Kenmore, Kitchen Aid, Roper, and Estate. Easy to follow photographs and step-by-step repair procedures. Our Price. $22.44. Compare At. $30.66.

Kenmore 110985751 Washer Dryer Timer Stove Clocks And Appliance Timers

Kenmore 110985751 Washer Dryer Timer Stove Clocks And Appliance Timers

Solved Im In Need Of A Wiring Diagram For A Kenmore Side Fixya

Solved Im In Need Of A Wiring Diagram For A Kenmore Side Fixya

Frost Free Refrigerator Wiring Diagram Double Door Refrigerator Wiring Diagram Fridge Ki Wiring Youtube

Frost Free Refrigerator Wiring Diagram Double Door Refrigerator Wiring Diagram Fridge Ki Wiring Youtube

Appliance411 Repair Parts Who Makes Sears Kenmore

Appliance411 Repair Parts Who Makes Sears Kenmore

Kenmore Model No 106 53634300 Side By Side Refrigerator Freezer Quit Cooling I Removed The Front Cover At The Bottom

Kenmore Model No 106 53634300 Side By Side Refrigerator Freezer Quit Cooling I Removed The Front Cover At The Bottom

Kenmore 795 71059 010 Controller Temperature Defrost Sensor Kit Genuine Oem

Kenmore 795 71059 010 Controller Temperature Defrost Sensor Kit Genuine Oem

Sample Wiring Diagrams Appliance Aid Whirlpool Dryer Maytag Dryer Dryer Plug

Sample Wiring Diagrams Appliance Aid Whirlpool Dryer Maytag Dryer Dryer Plug

Need Wiring Diagram And Sequence Of Operation For Kenmore Fixya

Need Wiring Diagram And Sequence Of Operation For Kenmore Fixya

Fridge Schematics Wiring Diagram Missives

Fridge Schematics Wiring Diagram Missives

Kenmore Elite 79577542600 Bottom Mount Refrigerator Parts Sears Partsdirect

Kenmore Elite 79577542600 Bottom Mount Refrigerator Parts Sears Partsdirect

Wiring Resources

Wiring Resources

I Need The Wiring Diagram For A Kenmore 911 48365 Previous Owner Disconnected The Control Panel Wiring And I Need To

I Need The Wiring Diagram For A Kenmore 911 48365 Previous Owner Disconnected The Control Panel Wiring And I Need To

Whirlpool Kenmore Direct Drive Washer Wiring Diagram Fixitnow Com Samurai Appliance Repair Man

Whirlpool Kenmore Direct Drive Washer Wiring Diagram Fixitnow Com Samurai Appliance Repair Man

Kenmore Gas Range Wiring Diagram Gas Range Wiring Diagram Wiring Diagram Diagram And Parts List For

Kenmore Gas Range Wiring Diagram Gas Range Wiring Diagram Wiring Diagram Diagram And Parts List For

Refrigerator Wiring Diagram Repair

Refrigerator Wiring Diagram Repair

Wiring Diagrams Stoves Macspares Wholesale Spare Parts Supplying Africa By E Commerce

Wiring Diagrams Stoves Macspares Wholesale Spare Parts Supplying Africa By E Commerce

Top Freezer Refrigerator Samsung Wiring Diagram Fixya

Top Freezer Refrigerator Samsung Wiring Diagram Fixya

Platformă Remarcabil Doisprezece Frigider Kenmore 1998 Camping Fetais Com

Platformă Remarcabil Doisprezece Frigider Kenmore 1998 Camping Fetais Com

Fixed Kenmore Coldspot 106 51763510 Ice Maker Not Working Applianceblog Repair Forums

Fixed Kenmore Coldspot 106 51763510 Ice Maker Not Working Applianceblog Repair Forums

Kenmore 25360412410 Top Mount Refrigerator Parts Sears Partsdirect

Kenmore 25360412410 Top Mount Refrigerator Parts Sears Partsdirect

Sample Dryer Wiring Diagrams Appliance Aid

Sample Dryer Wiring Diagrams Appliance Aid

Washing Machine Diagram Agitator Solenoid Problems

Washing Machine Diagram Agitator Solenoid Problems

Washing Machine Problems Diagnosric Appliance Repair Washing Machine Problems Whirlpool Washer Kenmore Washer

Washing Machine Problems Diagnosric Appliance Repair Washing Machine Problems Whirlpool Washer Kenmore Washer

1

1

0 Response to "43 kenmore refrigerator wiring diagram"

Post a Comment

Iklan Atas Artikel

Iklan Tengah Artikel 1

Iklan Tengah Artikel 2

Iklan Bawah Artikel