43 s10 wiring diagram pdf
Nov 11, 2020 · Effectively read a electrical wiring diagram, one provides to learn how the components inside the method operate. For example , in case a module will be powered up and it also sends out the signal of fifty percent the voltage and the technician would not know this, he'd think he has a problem, as he or she would expect the 12V signal. GM S10/S15/Sonoma Pick-Ups 1982-1993 Repair Manual. See Figures 1 through 26. Fig. 1: Body wiring diagram-1982-83. Fig. 2: Engine control wiring ...13 pages
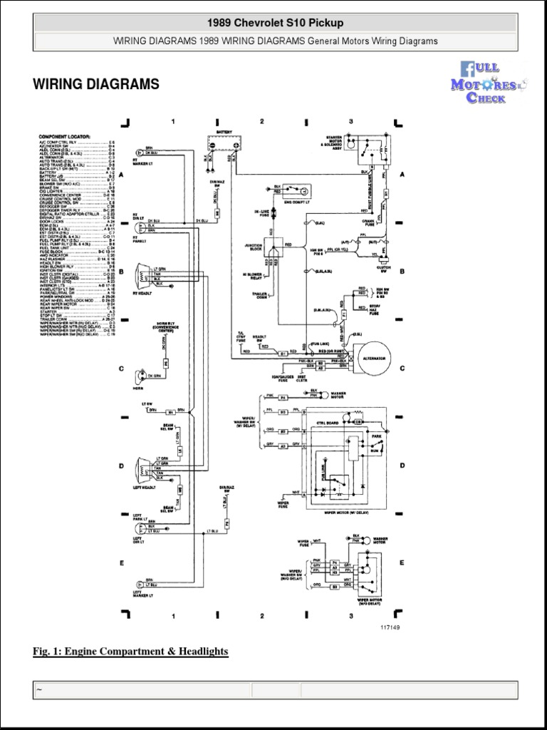
WIRING DIAGRAMS 1991 WIRING DIAGRAMS General Motors Corp. Fig. 2: Electronic Control Module (2.5L VIN E) (Grids 4-7). 1991 Chevrolet S10 Pickup. Rating: 4 · 8 votes
S10 wiring diagram pdf
Kenworth t880 fuse panel diagram S10 Wiring Diagram Best Of. 1993 Chevy S10 Wiring Diagram – Wiring Diagram Collection. 87 S10 Wiring Diagram Pdf Wiring Auto Wiring Diagrams Instructions. Nov 18, 2021 · Kenworth t800 ac wiring diagram full 1980 battery 1996 1989 air conditioner bobcat t300 1988 kw w900 ecm 18 trucks service manuals free mercedes benz 2007 diagrams fuse box t660 2004 heater fan schematic 30 repair pdf k108 in cab det 60 Search for BATTERY-BOX from LKQ Heavy Truck Toyota Quantum Fuse Box | Wiring Library – Kenworth W900 Wiring ...
S10 wiring diagram pdf. WIRING INFORMATION: 1983 Chevy S-10 Blazer WIRE WIRE COLOR WIRE LOCATION 12V CONSTANT RED Ignition Harness STARTER YELLOW OR PURPLE Ignition Harness IGNITION PINK Ignition Harness ACCESSORY ORANGE Ignition Harness POWER DOOR LOCK (5-wire reverse polarity) LT. BLUE Harness Coming Into Vehicle From Driver’s CHEVROLET Car Manuals PDF & Wiring Diagrams above the page - Volt Owner & Service Manual, Camino, Cruze, Roadtrek, Camaro, Corvette, Aveo; Chevrolet Car Wiring Diagram - Corvette, Bel Air, Cavalier, Impala, Camaro, Astro, Malibu, Venture, Chevelle, PickUp, Suburban, Tahoe, Sonoma.. Chevrolet cars coproration was founded in 1910.. Soon after Durant was forced out of GM's, he … Apr 12, 2019 · John deere stx38 black mower deck belt diagrambolens garden tractor page belt diagram. John deere model 48c mower deck 48 inch deck parts fits john deere tractor models x710 x730 x734 x738 x739 x750 x754 x758. Nov 22, 2021 · Toyota 4age Engine Wiring Diagram - Wiring Diagram The 4AGE engine is mor Oct 13, 2021 · This is an original used OEM Throttle Body that's guaranteed to fit a 2003 Toyota Matrix with the applicable vehicle manufacturer's specifications (2ZZGE engine (XRS)). Attach the new fuel line from the tank to the electric pump with hose clamps.
Find out how to access AutoZone's Wiring Diagrams Repair Guide for Chevy S10, S15, and GMC Sonoma Pick-Ups 1982-1993 Repair Manual. Oct 9, 2012 — It has all makes and models and years with repair information, wiring diagrams, and others. I have used it for my 2002 S10 2.2L and for my ( ... Sep 16, 2019 · This specific graphic (84 Chevy Truck Wiring Diagram 1967 Chevy Truck Wiring Diagram Schema Wiring Diagram) above will be branded using:posted by … The separate wiring manual for each model contains circuit diagrams of each electrical system, wiring route diagrams and diagrams showing the location of relays ...
Timing Diagram t S10: 1 ~ 10ms(Time depends on the 3D printer board), max = ≤620ms, Alarm t S60: 1 ~ 10ms(Time depends on the 3D printer board), max=∞ t S1090: 40~150ms, max≒650ms, Alarm t S1090*: 1 ~ 10ms(Time depends on the 3D printer board) , max≒650ms, Alarm t NP: If a 5V or GND wiring defect occurs during printing, the red LED flashes at 80% duty. Gm tbi diagram. Diagrams or smog parts needed for 1990 Chevy Silverado. We have attempted to provide you with as accurate instructions as possible, and are always concerned about corrections or improvements that can be made. 305 engine wiring diagram wiring library 305 engine diagram upper part also as well furthermore in addition besides 1985 chevy. Nov 18, 2021 · Kenworth t800 ac wiring diagram full 1980 battery 1996 1989 air conditioner bobcat t300 1988 kw w900 ecm 18 trucks service manuals free mercedes benz 2007 diagrams fuse box t660 2004 heater fan schematic 30 repair pdf k108 in cab det 60 Search for BATTERY-BOX from LKQ Heavy Truck Toyota Quantum Fuse Box | Wiring Library – Kenworth W900 Wiring ... S10 Wiring Diagram Best Of. 1993 Chevy S10 Wiring Diagram – Wiring Diagram Collection. 87 S10 Wiring Diagram Pdf Wiring Auto Wiring Diagrams Instructions.
Kenworth t880 fuse panel diagram
Diagram 93 Blazer Wiring Diagram Full Version Hd Quality Wiring Diagram Signalflowiring Cattedraleacquaviva It
I Need The Wiring Harness Diagram For The Computer To Engine Compartment For My 1986 Chevy S10 Pickup Do You Know Where
Diagram 93 Blazer Wiring Diagram Full Version Hd Quality Wiring Diagram Signalflowiring Cattedraleacquaviva It
Diagram 93 Blazer Wiring Diagram Full Version Hd Quality Wiring Diagram Signalflowiring Cattedraleacquaviva It
94 S10 Blower Motor Wiring Diagram Residential Electrical Symbols Diagram Electrical Diagram Electrical Symbols
17 1985 Chevy Truck Tail Light Wiring Diagram Truck Diagram Wiringg Net Diagram Electrical Wiring Diagram Repair Guide
Diagram 95 Chevy Silverado Fuel Pump Wiring Diagram Full Version Hd Quality Wiring Diagram Signalflowiring Cattedraleacquaviva It
0 Response to "43 s10 wiring diagram pdf"
Post a Comment