44 troy bilt bronco riding mower wiring diagram
Curso Delegado 2015 Download Torrent Gratis; Curso Gratuito de Direito Empresarial para o concurso de Delegado Civil do DF 2015. Participe do Grupo de Estudos em ... Troy-Bilt Super Bronco 50" riding mower - $2,200 (Charleston) < image 1 of 11 > condition: like new. QR Code Link to This Post. 80hrs Kohler 24hp engine Hydrostatic transmission Triple bagger Front bumper Striping bar Mulching and regular blades Like new condition, $2,200.
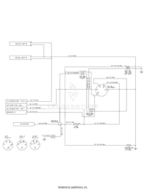
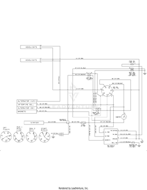
Troy Bilt 13A279KS066 Super Bronco (2013) Wiring Schematic Exploded View parts lookup by model. Complete exploded views of all the major manufacturers.

Troy bilt bronco riding mower wiring diagram
Troy Bilt 13YX78KS011 Bronco (2013) Wiring Schematic Exploded View parts lookup by model. Complete exploded views of all the major manufacturers. More in-depth electrical troubleshooting information may also be found in the Professional Shop Manual for the product. For electrical diagrams for specific ... Wiring Schematic diagram and repair parts lookup for Troy-Bilt 13WV78KS011 - Troy-Bilt Bronco Lawn Tractor (2014)
Troy bilt bronco riding mower wiring diagram. Troy Bilt 13WV78KS011 Bronco (2015) Wiring Schematic Exploded View parts lookup by model. Complete exploded views of all the major manufacturers. Troy Bilt 13WV78KS011 Bronco (2014) Wiring Schematic Exploded View parts lookup by model. Complete exploded views of all the major manufacturers. Troy Bilt 13WX78KS011 Bronco (2012) Wiring Schematic Exploded View parts lookup by model. Complete exploded views of all the major manufacturers. Troy Bilt 13WX78KS011 Bronco (2011) Electrical Schematic Exploded View parts lookup by model. Complete exploded views of all the major manufacturers.
Murray Select Riding Lawn Mower Belt Diagram. Troy Bilt Pony Lawn Mower Wiring Diagram. John Deere D105 Lawn Mower Belt Diagram. Grasshopper Mower Parts Diagrams. Lawn Mower Carburetor Adjustment. Lawn Mower Carburetor Adjustment Tool. Lawn Mower Repair Invoice Template. Find parts for your troy-bilt wiring schematic with our free parts lookup tool! Search easy-to-use diagrams and enjoy same-day shipping on standard ... Wiring Schematic diagram and repair parts lookup for Troy-Bilt 13WV78KS011 - Troy-Bilt Bronco Lawn Tractor (2014) More in-depth electrical troubleshooting information may also be found in the Professional Shop Manual for the product. For electrical diagrams for specific ...
Troy Bilt 13YX78KS011 Bronco (2013) Wiring Schematic Exploded View parts lookup by model. Complete exploded views of all the major manufacturers.
0 Response to "44 troy bilt bronco riding mower wiring diagram"
Post a Comment