Iklan 300x250

45 mth dcs wiring diagram

Mth Dcs Wiring Diagram. I change the headlight and now the front marker lights dont work. MTH 30-1453 2-8-8-2 I need a wiring diagram. Regardless should exisiting layout wiring not work which it does in most cases there are ways around it. MTH-DCS wiring for HO layouts Posted by rickr on Wednesday, August 12, 2015 8:01 PM I am new to the hobby and studied DCC wiring but then tried to learn. Wiring Diagrams MTH O Gauge Railroading On Line Forum. On 09 Sep 2002, MTH released v.2.2 of the DCS software.

A7b Mth Dcs Wiring Diagram Wiring Resources How To Install A 3 Wire Accessory To Lionel Isolated Track O Relay Train Detector Circuit For 3 Rail Find great deals on eBay for mth wiring. Two Lionel PHs one powering one variable channel of the TIU each. DCS Connection Diagram AIU Connection...

Mth dcs wiring diagram

Mth dcs wiring diagram

I would like to know how to wire the TIU so I can operate conventional and ps2 engines on the same track. Currently the TIU is powered by a "brick" transformer and the connections on both input and output are FIXED. If I simply connect the output wires to VARIABLE will that work? Electric Trains MTH DCS Loader Lionel TMCC Wiring-Diagram MTH Bunk Cars MTH DCS Star Wiring MTH PS2... PLC and DCS control systems Wiring Diagrams for Digital Input (DI), Digital Output (DO), Analog Input (AI), and Analog Output (AO) signals. Barriers are not shown in the diagrams. When the DO command is given then the respective voltage will go the field instrument and it will be energized.

Mth dcs wiring diagram. How To U0026 39 S. Implementing Dcs On My New Permanent Layout. Pg Dcs. Dcs Panel Wiring Diagram. Dcs Rgsc. Simple Dcs Wiring. Dcs Plc Flow Diagram Instrumentation Tools. Dcs Wiring Diagram Photo By Wizards1. Mth Dcs Wiring Diagram. Dcs Wiring Poll. Fd92b60 Mth Dcs Wiring Diagram Epanel Digital Books. Need Help Wiring Layout For Dcs O Gauge Railroading On. Electrical Switches Page 1 Box And Track Trip. How I Have My Dcs Set Up Youtube. Train Fuse Box Wiring Diagram Dash. Mth Dcs Wiring Diagram. Is the least efficient diagram. Its components are shown by the pictorial to be easily identifiable. /[PDF] Mth Dcs Wiring Diagram. Why we gift this tape for you? We clear that this is what you desire to read. This the proper compilation for your reading material this period recently. Mth Dcs Wiring Diagram. MTH could not have forseen all of the possibilities in layout design out there. Electrical Switches Page 1 Box And Track Trip. MTH DCS and PS2PS3. Ho Dcs Wiring Guide Nicholas L Eby. Need Help Wiring Layout For Dcs O Gauge Railroading On.

Mth Dcs Wiring Diagram. mth proto-sound 2.0 and technology welcome mth proto-sound 2.0 and technology welcome mth proto-sound 2.0 and Mth Proto Sound 2 0 And Technology Welcome The wiring diagram opens in a pop-up modal box. If the pop-up blocker is turned on in your device, you... Collect the [PDF] Mth Dcs Wiring Diagram begin from now. But the supplementary showing off is by collecting the soft file of the book. Taking the soft file can be saved or stored in computer or in your laptop. Mth Dcs Wiring Diagrampdf non-dealers subscribe to the same databases that provide repair instructions diagrams and news from manufacturers. Diagram Mth Tiu Wiring Diagram Full Version Hd Quality Wiring Diagram Diagramtowne Apriliana It from diagramtowne.apriliana.it. 03112018 03112018 7 Comments on Mth Dcs Wiring I am just beginning to build my O gauge layout after 55 plus years running conventional HO using MTH track...

Wiring and Datasheets Resources. Mth Dcs Wiring Diagram. So I think this is the solution for wiring an automated DCS reverse. 31102018 31102018 2 Comments on Mth Dcs Wiring Diagram To clarify my diagram. E-Z-GO (DCS) Wiring Diagram. 36 Volts. Thank you utterly much for downloading mth dcs wiring diagram.Maybe you have knowledge that, people have see numerous time for their favorite books as soon as this mth dcs wiring diagram, but stop in Merely said, the mth dcs wiring diagram is universally compatible like any devices to read. Mth Dcs Wiring Diagram Source: s1.manualzz.com. Read cabling diagrams from unfavorable to positive and redraw the circuit like a straight range. All circuits are usually the same ~ voltage, ground, individual component, and buttons.

Mthtrains Com

Mthtrains Com

Dcs -digital Input Di Wiring Diagram. Digital Output Sov Wiring Diagram From Dcs Card To Field. Wiring Dcs Side Connection To The Marshaling In Smart. Implementing Dcs On My New Permanent Layout. Mth Dcs Wiring Diagram. Plc Connection Instrument Junction Box Marshalling.

Z Stuff Net

Z Stuff Net

123 Manual Wiring Expert. Home. Mth Dcs Wiring Diagram On Youtube. For MTH Parts please email me at. We have you covered. How to wire an MTH o scale swich on auxiliary power.

Mth Dcs Tips And Operating Help Digital Command System Protosound

Mth Dcs Tips And Operating Help Digital Command System Protosound

WIRING DIAGRAM A wiring diagram shows, as closely as possible, the actual location of all component parts of the device. Wiring Diagram. Class 8702 Type PDV or PEV Reversing Contactor w/ Class 9065 Type TR Overload Relay.

Mth Dcs Overview Part 1 Of 5 Youtube

Mth Dcs Overview Part 1 Of 5 Youtube

Overview of the MTH DCS system and all system components: MTH DCS . Follow guidelines for wiring your layout for your given layout conditions. (see Just wire up DCS as usual without any changes in your layout wiring at present. MTHTrains DCS Operator's Manual. You can also add a light across...

164 Lumber Loader

164 Lumber Loader

WIRING DIAGRAM. Provides circuit diagrams showing the circuit connections. 2. Brought to you by BirfMark. BATTERY Stores chemical energy and converts it into electrical energy. Provides DC current for the auto's various electrical circuits.

Mth Ho Bigboy Wiring Schematic Model Train Forum

Mth Ho Bigboy Wiring Schematic Model Train Forum

Wiring and Datasheets Resources. Mth Dcs Wiring Diagram On Youtube. Need a step by step guide on how to reset your MTH Electric Trains locomotives. 03112018 03112018 7 Comments on Mth Dcs Wiring I am just beginning to build my O gauge layout after 55 plus years running conventional HO...

Dcs Tips And Hints

Dcs Tips And Hints

Free Download Mth Dcs Wiring Diagram and More than 10 million titles covering every imaginable genre at your fingertips. Get the best books, magazines and comics of all genres, including Action, Adventure, Anime, Manga, Kids & Family, Classics, Comedy, Reference, Manuals, Theater, Drama...

Mth O Scale Dead Rail

Mth O Scale Dead Rail

Poor wiring and bad connections offer resistance and can interfere with receipt of the DCS signal and limit the number of Advanced wiring information and diagrams, including wiring for layouts using blocks for 6. Scroll and select Add MTH Engine from the available choices in the Engine Setup Menu.

More Dcs Tips Classic Toy Trains Magazine

More Dcs Tips Classic Toy Trains Magazine

Mth Dcs Wiring Diagram Source: s1.manualzz.com. Read electrical wiring diagrams from bad to positive and redraw the circuit being a straight range. All circuits are the same ~ voltage, ground, single component, and buttons.

Mth Ho Bigboy Wiring Schematic Model Train Forum

Mth Ho Bigboy Wiring Schematic Model Train Forum

WIRING DIAGRAM. 52. Table of Contents. Related Manuals for DCS RGSC-305. Ranges DCS RGS-305 Installation Manual. Rgs series range (30 pages).

Mth Z 4000 How To Remove The Residual Voltage Youtube

Mth Z 4000 How To Remove The Residual Voltage Youtube

PLC and DCS control systems Wiring Diagrams for Digital Input (DI), Digital Output (DO), Analog Input (AI), and Analog Output (AO) signals. Barriers are not shown in the diagrams. When the DO command is given then the respective voltage will go the field instrument and it will be energized.

1

1

Electric Trains MTH DCS Loader Lionel TMCC Wiring-Diagram MTH Bunk Cars MTH DCS Star Wiring MTH PS2...

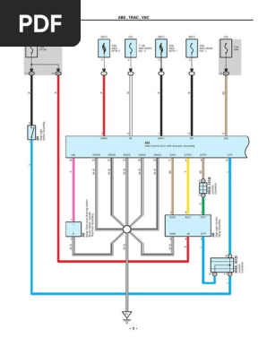
2010 Toyota Prius Electrical Wiring Diagrams Pdf Pdf Anti Lock Braking System Manufactured Goods

2010 Toyota Prius Electrical Wiring Diagrams Pdf Pdf Anti Lock Braking System Manufactured Goods

I would like to know how to wire the TIU so I can operate conventional and ps2 engines on the same track. Currently the TIU is powered by a "brick" transformer and the connections on both input and output are FIXED. If I simply connect the output wires to VARIABLE will that work?

O Gauge Block Wiring Www Neurosurgeonravishankar Com

O Gauge Block Wiring Www Neurosurgeonravishankar Com

Mthtrains Com

Mthtrains Com

Track Wiring For Dummies Model Train Forum

Track Wiring For Dummies Model Train Forum

Need Help Adding Led Marker Lights To Factory Ps3 Engine Model Train Forum

Need Help Adding Led Marker Lights To Factory Ps3 Engine Model Train Forum

Electrical Switches Page 1 Box And Track Trip

Electrical Switches Page 1 Box And Track Trip

Ho Dcs Wiring Guide Nicholas L Eby

Ho Dcs Wiring Guide Nicholas L Eby

Easy Read Book Mth Trains Wiring Diagrams

Easy Read Book Mth Trains Wiring Diagrams

Premier Sd60 Sd70m Sd70mac Diesel Cdr Mth Trains

Premier Sd60 Sd70m Sd70mac Diesel Cdr Mth Trains

Legacy System Adding Mth Dcs Help O Gauge Railroading On Line Forum

Legacy System Adding Mth Dcs Help O Gauge Railroading On Line Forum

Mth Dcs Tips And Operating Help Digital Command System Protosound

Mth Dcs Tips And Operating Help Digital Command System Protosound

Untitled6

Untitled6

Blueraildcc By Tam Valley Userguide

Blueraildcc By Tam Valley Userguide

Mth Dcs Tips And Operating Help Digital Command System Protosound

Mth Dcs Tips And Operating Help Digital Command System Protosound

Parity O Gauge Block Wiring Up To 75 Off

Parity O Gauge Block Wiring Up To 75 Off

Wire Gauge Standards For Model Train Layouts

Wire Gauge Standards For Model Train Layouts

3

3

Premier 3gs 21b Genset Diesel Engine Mth Electric Trains 2018 10 17 Cent Nbsp Premier 3gs 21b Genset Diesel

Premier 3gs 21b Genset Diesel Engine Mth Electric Trains 2018 10 17 Cent Nbsp Premier 3gs 21b Genset Diesel

Premier 3gs 21b Genset Diesel Engine Mth Electric Trains 2018 10 17 Cent Nbsp Premier 3gs 21b Genset Diesel

Premier 3gs 21b Genset Diesel Engine Mth Electric Trains 2018 10 17 Cent Nbsp Premier 3gs 21b Genset Diesel

Set Up Of Dcs Help I M New O Gauge Railroading On Line Forum

Set Up Of Dcs Help I M New O Gauge Railroading On Line Forum

Mth Dcs Tips And Operating Help Digital Command System Protosound

Mth Dcs Tips And Operating Help Digital Command System Protosound

Dcs Wiring Poll O Gauge Railroading On Line Forum

Dcs Wiring Poll O Gauge Railroading On Line Forum

Chokes Differential Act244 Tvs P P Oh My What Works Best For A Dcs Legacy Layout O Gauge Railroading On Line Forum

Chokes Differential Act244 Tvs P P Oh My What Works Best For A Dcs Legacy Layout O Gauge Railroading On Line Forum

Blueraildcc By Tam Valley Userguide

Blueraildcc By Tam Valley Userguide

Mth Swich Wiring Youtube

Mth Swich Wiring Youtube

Bus Wires Lionel Trains

Bus Wires Lionel Trains

Z Stuff Net

Z Stuff Net

Implementing Dcs On My New Permanent Layout O Gauge Railroading On Line Forum

Implementing Dcs On My New Permanent Layout O Gauge Railroading On Line Forum

Mth Dcs Tips And Operating Help Digital Command System Protosound

Mth Dcs Tips And Operating Help Digital Command System Protosound

Bus Wiring In Toy Train Layout Wiring

Bus Wiring In Toy Train Layout Wiring

Mthtrains Com

Mthtrains Com

Electrical Switches Page 1 Box And Track Trip

Electrical Switches Page 1 Box And Track Trip

Is It Wrong To Do This With Mth Dcs O Gauge Railroading On Line Forum

Is It Wrong To Do This With Mth Dcs O Gauge Railroading On Line Forum

0 Response to "45 mth dcs wiring diagram"

Post a Comment

Iklan Atas Artikel

Iklan Tengah Artikel 1

Iklan Tengah Artikel 2

Iklan Bawah Artikel