Iklan 300x250

41 18 hp briggs and stratton carburetor diagram

Briggs & Stratton OEM Genuine Nikki Carburetor Carb HP Intek Briggs & Stratton HP OHV Intek 31P Engine OEM Flywheel We have parts, diagrams, accessories and repair advice to make your tool repairs easy. Hi rznjiff I see this model is an HP Intek OHV engine.Due to an upgrade of core backend systems, we're unable to process parts orders during ... 18 Hp Briggs And Stratton Carburetor Diagram. Posts Related to 18 Hp Briggs And Stratton Carburetor Diagram. 35 Briggs And Stratton Carburetor Diagram. Briggs And Stratton 550ex Carburetor Diagram. Briggs And Stratton Intek Carburetor Diagram. Briggs And Stratton Pressure Washer Carburetor Diagram.

Dec 09, 2017 · Briggs Stratton Engine 386777 0144 G1 23 Hp Vanguard Ongines Com. Briggs engine wiring diagram zoom 1842 18hp stratton 42 deck parts for lawn mowers tractors 12 5hp 12hp 11hp 18 5 hp rzt twin stick series and carburetor 20 rear rider 23 charging system xl ce schematic 243431 310000 power built problems intek 43 vanguard wire up talking 15 missing ztr yard cruiser 386777 0144 g1 14 16 starter ...

18 hp briggs and stratton carburetor diagram

18 hp briggs and stratton carburetor diagram

Carburetor Fits for Briggs Stratton 594593 697141 697190 698445 698620 699109 699937 799727 791858 792358 793224 794572 14 hp 15 hp 16 hp 17hp 17.5 hp 18 hp Craftsman Lawn Mower Tractor Tune-Up Kit 4.2 out of 5 stars 132 Any question? Call us at (561) 880-4022 or contact us by chat from Mon. to Thurs. from 08:30 a.m. to 5:00 p.m.; Friday from 09:00 a.m. to 05:00 p.m. (Eastern time). These images belong to the Briggs and Stratton Corporation. They came from the shop manual, P/N 270962, 1995 Revision. Figure 41 is generally the same setup for all 3.0 to 4.0 HP engines with tank mounted below carburetor. (Classic, Quattro, and Sprint engines) Figure 54 is only model 136200 go kart engine.

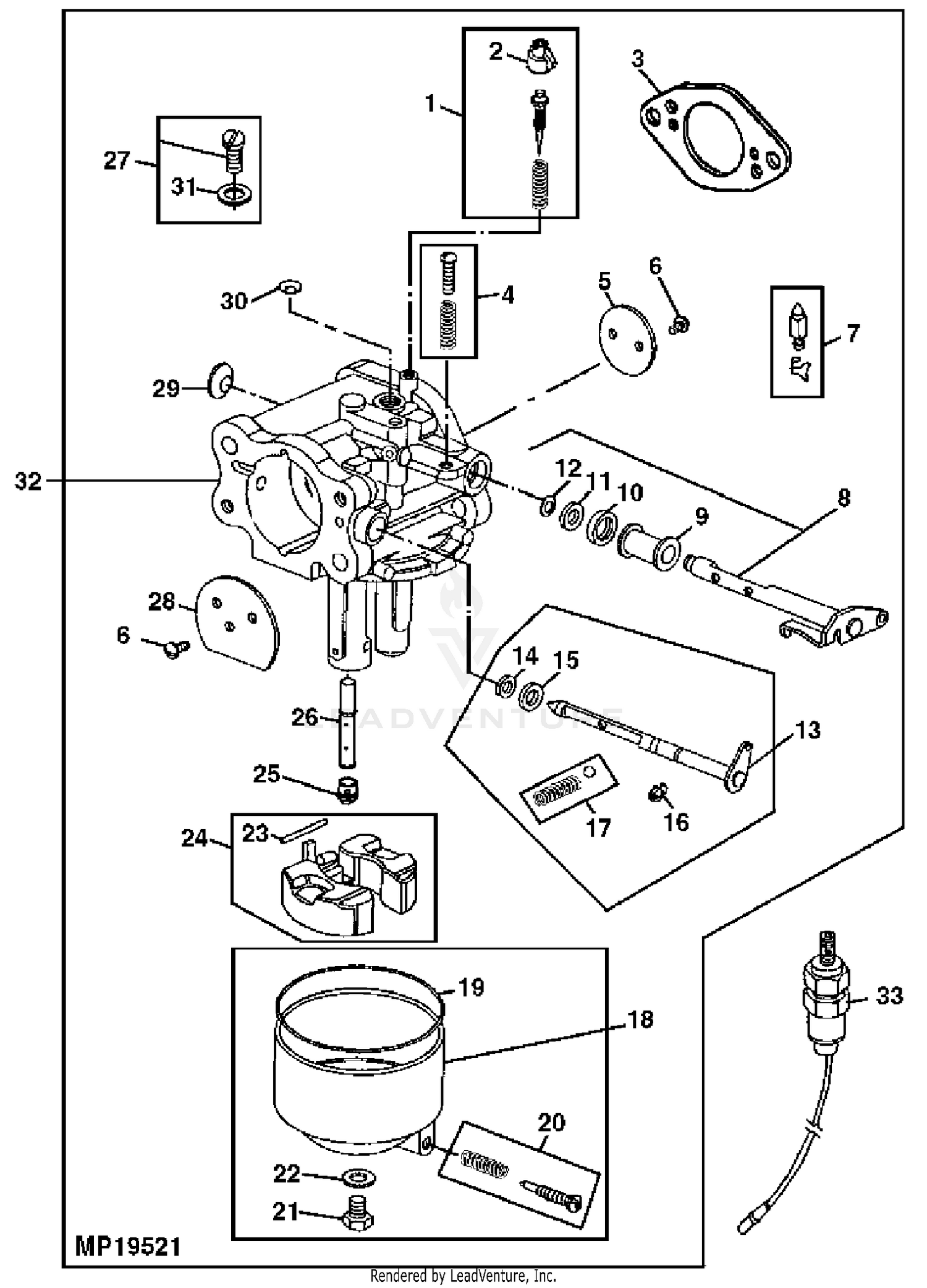
18 hp briggs and stratton carburetor diagram. Briggs and Stratton Illustrated Parts Diagrams available online from LawnMowerPros and ready to assist you in finding your repair parts. We are an Authorized Briggs and Stratton Small Engine Dealer carrying a large selection of Illustrated Parts Lists. 18 Hp Briggs Vanguard Wiring Diagram – Www.toyskids.co • – Briggs And Stratton Wiring Diagram 18 Hp. Wiring diagram also provides useful ideas for assignments which may need some additional equipment. This e-book even contains ideas for additional provides that you might want as a way to end your assignments. Briggs And Stratton 8 Hp Carburetor Diagram. Briggs And Stratton 35 Hp Vanguard Carburetor Diagram. Briggs And Stratton 42a707 Carburetor Diagram. Briggs And Stratton Carburetor Springs Diagram. Briggs And Stratton Pressure Washer Carburetor Diagram. Briggs And Stratton 8 Hp Carburetor Adjustment. 18 Hp Briggs And Stratton Carburetor Adjustment. Description: Briggs And Stratton 31C707-0154-E1 Parts Diagram For Carburetor with regard to Briggs And Stratton Carburetor Parts Diagram, image size 1180 X 1408 px, and to view image details please click the image.. Here is a picture gallery about briggs and stratton carburetor parts diagram complete with the description of the image, please find the image you need.

8 Hp Briggs And Stratton Carburetor Linkage Diagram. Briggs And Stratton Throttle Linkage Diagram 3hp. Briggs And Stratton Engine Diagram. Briggs And Stratton Wiring Diagram 16 Hp. Briggs And Stratton Wiring Diagram 19 Hp. Briggs And Stratton 12 Hp Wiring Diagram. Briggs And Stratton Carburetor Springs Diagram. This specific image (Briggs And Stratton Throttle Linkage Diagram] Carburetor Governor for Briggs And Stratton Vanguard Parts Diagram) earlier mentioned is usually labelled using: briggs and stratton 16 hp vanguard parts diagram, briggs and stratton 18 hp vanguard parts diagram, briggs and stratton vanguard parts breakdown, . These images belong to the Briggs and Stratton Corporation. They came from the shop manual, P/N 270962, 1995 Revision. Figure 41 is generally the same setup for all 3.0 to 4.0 HP engines with tank mounted below carburetor. (Classic, Quattro, and Sprint engines) Figure 54 is only model 136200 go kart engine. Any question? Call us at (561) 880-4022 or contact us by chat from Mon. to Thurs. from 08:30 a.m. to 5:00 p.m.; Friday from 09:00 a.m. to 05:00 p.m. (Eastern time).

Carburetor Fits for Briggs Stratton 594593 697141 697190 698445 698620 699109 699937 799727 791858 792358 793224 794572 14 hp 15 hp 16 hp 17hp 17.5 hp 18 hp Craftsman Lawn Mower Tractor Tune-Up Kit 4.2 out of 5 stars 132

0 Response to "41 18 hp briggs and stratton carburetor diagram"

Post a Comment

Iklan Atas Artikel

Iklan Tengah Artikel 1

Iklan Tengah Artikel 2

Iklan Bawah Artikel