Iklan 300x250

41 what is a riser diagram

A riser is used to indicate connections of a system as it travels vertically through a building, perhaps only displaying the major components. In an HVAC riser, for example, while showing connections between equipment across levels, the more numerous connections to air terminals are usually not included.

Electrical riser diagrams is the diagram showing with the physical layout of the system. One line diagram will guide the electrical circuit configuration of the system. Upvote (0) Downvote (0) Reply (0) Answer added by Hussam Adnan, CPMgr, Maintenance Manager , Teeba Investment for Developed Food Processing Co. 7 years ago.

Answer (1 of 2): So here's a plumbing riser diagram for waterwater. I've always called the vent stack the "riser"; upper portion of the vent line about the topmost fixture through which gases and odors escape. See the pipe labeled "existing 4" vent stack? And the 3″ line with 2 arrows going to i...

What is a riser diagram

What is a riser diagram

Plumbing Riser Diagram Symbols - Trusted Wiring Diagrams Hydronics Riser Diagram Car Wiring Diagrams Explained \u Plumbing Floor Plan Symbols Plumbing. A schematic drawing is a two-dimensional (2D), not-to-scale flow diagram that shows the logic and operation of a building system.

What's a riser diagram? riser diagram. A diagram (two-dimensional, in a vertical plane) which shows the major items of electrical equipment in a building; displays, floor by floor, the feeders and major items of equipment.

Celebrating Small Town Life C) CITY OF St CLOUD, FLORIDA BUILDING DEPARTMENT 1300 9TH Street St. Cloud, FL. 34769 Phone: 407.957.7224 Fax: 407.957.8412 . Electrical Riser Diagram

What is a riser diagram.

An electrical riser diagram (also known as a "one-line" diagram) is a drawing that shows how an electrical system is designed by diagramming how the different components are connected. It is the roadmap which electricians use as the directions to how the system is put together.in am electrical design.

Bur generally, a riser diagram is a physical simple diagram of the system layout. For instance, you might show the main switchboard on a lower level with the incoming service from underground to outside to the pad mounted transformer. Out the top of the switchboard, would come your feeders to the individual panels on each floor or into each area.

A fire sprinkler riser serves as a hub for drainage, tests, and system control. Installers combine risers with other required components to form riser assemblies (also called riser manifolds). The exact configuration varies, but nearly all of these fire sprinkler riser assemblies have: A vertical pipe—the riser itself.

Riser diagram | Article about riser diagram by The Free Dictionary riser diagram riser diagram A diagram (two-dimensional, in a vertical plane) which shows the major items of electrical equipment in a building; displays, floor by floor, the feeders and major items of equipment. McGraw-Hill Dictionary of Architecture and Construction.

The term riser is used in the construction industry for any type of pipe, culvert, shaft, etc. that rises up in a vertical direction. A riser can be a waterline, sanitary line, air shaft, ventilation piping or shaft, catch basin vertical section, manhole vertical section, etc. Any item that rises up can be identified as a riser.

In this video you will learn to understand the Riser and identify the electrical symbols use in the diagram.

p-801 plumbing waste & vent riser diagram p-802 plumbing waste & vent riser diagram p-803 plumbing water riser diagram p-804 plumbing water riser diagram. fco fco fco san fco fco fco san san s a n gas up to meter g 6 9 9 2 9 8"ø ...

An electrical riser diagram helps you know the system layout, which could come in handy if you are looking at a large rise building in Chicago. You would know about the electrical wiring that has gone up in the building vertically, in a way that's organized, safe, and orderly manner.

Plumbing sanitary and water riser diagram - example. Engineering ToolBox - Resources, Tools and Basic Information for Engineering and Design of Technical Applications! Riser Diagrams Plumbing sanitary and water riser diagram - example . Sponsored Links . Vertically supply lines are known as risers.

Basics 6 7.2 kV 3-Line Diagram : Basics 7 4.16 kV 3-Line Diagram : Basics 8 AOV Elementary & Block Diagram : Basics 9 4.16 kV Pump Schematic : Basics 10 480 V Pump Schematic : Basics 11 MOV Schematic (with Block included) Basics 12 12-/208 VAC Panel Diagram : Basics 13 Valve Limit Switch Legend : Basics 14 AOV Schematic (with Block included)

Riser diagrams show distribution components such as bus risers, bus plugs, panelboards, and transformers from the point of entry up to the small branch circuits on each level. These drawings can sometimes share the layout with alarm systems, telecom, and internet cables. Find this Pin and more on Electrical Engineering by TestGuy. Secondary ...

Background: Single-line plumbing riser diagrams (see Figure 1), two-dimensional representations of building sanitary systems, convey pipe and fixture types, sizes, locations and connections. While riser diagrams are not to scale, they are simple, easy to read and communicate important information quickly.

Solved I need a sample of a plumbing riser diagram for a ...

Solved i need a sample of a plumbing riser diagram for a ...

Riser diagrams show distribution components such as bus risers, bus plugs, panelboards, and transformers from the point of entry up to the small branch circuits on each level. These drawings can sometimes share the layout with alarm systems, telecom, and internet cables. Schematic Diagram Electronic Schematic Diagram Example. Photo: DOE.gov

Schematic diagram representation of experimental equipment A ...

Schematic diagram representation of experimental equipment a ...

electric water heater diagram not to scale water meter detail not to scale sh-1 - - sterling 72131100 34x60x4-1/2 1 p0.01 3 p0.01 wl wall hw remarks 1/2"-vent cw 1/2" 1/2" 1-1/2" 1-1/2" waste 2" 2" trap 1-1/4" 1-1/2" item l-1 ewc-1 description lavatory elec. water cooler plumbing fixture connection schedule - clubhouse mounted tktank gallons ...

Revit OpEd: Revit MEP -

Revit oped: revit mep - "one line" riser diagrams

Electrical Riser Diagram Template. ConceptDraw is a fast way to draw: Electrical circuit diagrams, Electrical wiring House electrical plans, Control wiring diagrams, Power-riser diagrams, Cabling Microsoft Visio, designed for Windows users, can't be opened directly on Mac.

Riser diagram - what's wrong? | DIY Home Improvement Forum

Riser diagram - what's wrong? | diy home improvement forum

electrical riser diagram not to scale riser notes utility transformer, provide and install concrete pad per the utility's electrical service standards. provide and install modular metering for residential tenants. metering to consist of a three phase 1200a main circuit breaker, a three phase horizontal bus, and 9-4 high meter stacks.

Apa itu penambah pipa? - Quora

Apa itu penambah pipa? - quora

To learn more about this subject, visit http://blackspectacles.com/courses/ In this video from our Building Systems Exam prep course, Mike Newman discusses ...

For the riser diagram given below, identify the | Chegg.com

For the riser diagram given below, identify the | chegg.com

New Ideas Into Hvac Riser Diagram Never Before Revealed . A straight register boot or PH1 is a significant part of an exceptional ductwork system. Room sizes, and potential room configuration, will be set within this phase. Then click the drop down arrow for the Line Style and decide on the line style you need to use. The new Search Console ...

Medical Gas Pipes Riser Diagram CAD Template DWG - CAD Templates

Medical gas pipes riser diagram cad template dwg - cad templates

Electrical riser diagram, or one-line diagram, might seem incomprehensible at first, but once you get the hand of it, you will explicitly understand why you will need one for the full functionality of your low-rise to high-rise building.

Landmark's Plans will Shock You! We can develop Electrical ...

Landmark's plans will shock you! we can develop electrical ...

How to draw a riser diagram is an oft-asked question. You may need to pull a permit and need one. The trouble is the inspector wants the drawing to be accurate. Great Video here showing how to vent plumbing.

Riser diagrams | Electrical system, Electricity, System

Riser diagrams | electrical system, electricity, system

CAD schematics, or "riser diagrams," trace the paths that the piped medical gases travel from their sources, through the facility, and into ICUs, ORs, and other patient care zones. A large color printed gas pipe riser diagram showing shutoff valve locations and the areas they control is vital for both emergency and maintenance system shutdowns.

How good are you at reading electrical drawings? Take the ...

How good are you at reading electrical drawings? take the ...

The riser diagram is the illustration of the physical layout of electrical distribution in a multilevel building using a single line. It shows the size of conduits, wire size, circuit breaker rating and other electrical devices ( rating of switches, plugs, outlets etc) from the point of entry up to the small circuit branches on each level.

StudioDMS: Mechanical Riser Diagram

Studiodms: mechanical riser diagram

Electrical Riser Diagram - Wiring Diagram Schematic | Circuit ...

Electrical riser diagram - wiring diagram schematic | circuit ...

Riser diagram detail dwg file - Cadbull

Riser diagram detail dwg file - cadbull

Riser Diagram | PDF

Riser diagram | pdf

Electrical riser diagram and installation details for villa ...

Electrical riser diagram and installation details for villa ...

How To Draw Riser Diagram

How to draw riser diagram

Riser Diagrams - Building Systems

Riser diagrams - building systems

partial distribution single line diagram communication riser ...

Partial distribution single line diagram communication riser ...

Riser Diagram | PDF | Wire | Equipment

Riser diagram | pdf | wire | equipment

RISER DIAGRAMS | Library builder

Riser diagrams | library builder

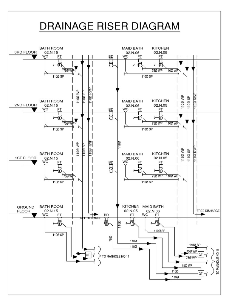
Drainage Riser Diagram | PDF

Drainage riser diagram | pdf

1902 01_SouthSide Works_Sheet - E400 - ELECTRICAL RISER DIAGRAM

1902 01_southside works_sheet - e400 - electrical riser diagram

Help with riser diagram | Electrician Talk

Help with riser diagram | electrician talk

Electrical and Telecom Plan Software | CAD Drawing Software ...

Electrical and telecom plan software | cad drawing software ...

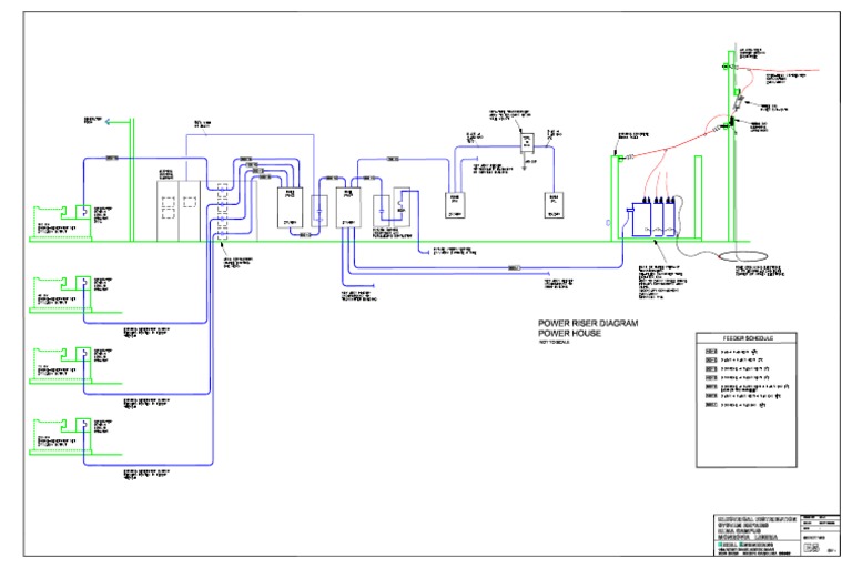
E5REV - Power Riser Diagram, Power House | PDF

E5rev - power riser diagram, power house | pdf

Electrical installation and riser diagram details of ...

Electrical installation and riser diagram details of ...

Electrical Riser Diagrams - Commercial Buildings - Autodesk ...

Electrical riser diagrams - commercial buildings - autodesk ...

CONSTRUCTION BLUEPRINT READING - ppt video online download

Construction blueprint reading - ppt video online download

Electrical riser diagram of Gambar wiring genset pasar dwg ...

Electrical riser diagram of gambar wiring genset pasar dwg ...

Class 2 - BOC_Schematics_10-25-18

Class 2 - boc_schematics_10-25-18

1 One-Line Diagram

1 one-line diagram

Low current systems riser diagram - Cadbull

Low current systems riser diagram - cadbull

Revit Add-Ons: QuickRiser – Automatic Riser Diagram from ...

Revit add-ons: quickriser – automatic riser diagram from ...

Riser Diagram-Layout-2.PDF (Detail Drawing) | PDF ...

Riser diagram-layout-2.pdf (detail drawing) | pdf ...

Electrical riser diagram drawing details for office system ...

Electrical riser diagram drawing details for office system ...

Pin on Riser Diagrams

Pin on riser diagrams

14. (4 points) For the riser diagram given below, | Chegg.com

14. (4 points) for the riser diagram given below, | chegg.com

Riser diagram, cable diagram and electrical installation cad ...

Riser diagram, cable diagram and electrical installation cad ...

ELECTRICAL RISER DIAGRAM

Electrical riser diagram

Medium Voltage Riser Diagram .dwg -CAD blocks free

Medium voltage riser diagram .dwg -cad blocks free

0 Response to "41 what is a riser diagram"

Post a Comment

Iklan Atas Artikel

Iklan Tengah Artikel 1

Iklan Tengah Artikel 2

Iklan Bawah Artikel