42 dewalt chop saw parts diagram
First, DeWalt chop saw is composed of predicting their own cut-line blade placement platform onto this DeWalt FlexVolt Miter observed. This basic yet efficient system uses an LED lighting over the blade to cast a shadow onto your workpiece, in just the position where the edge will reduce off. Home:Tool Parts:Dewalt Parts:Dewalt SAW CHOP Manual . Open the PDF directly: View PDF . Need to repair your DeWALT Miter Saw? We've got the diagram and parts list, the replacement parts and the experienced advice to help 3 hours ago DeWALT DW870 TYPE 3 14 inch Chop Saw Parts.
Fix your DeWALT Chop Saw today with parts, diagrams, accessories and repair advice from eReplacement Parts! Worldwide shipping, no hassle returns. Have any of you used the Dewalt DW8chop saw yet? HP motor that provides overload protection, increasing performance and durability.

Dewalt chop saw parts diagram
Need help replacing the Bearing (Part # 605040-27) in your DeWalt Chop Saw? Watch this how-to video with simple, step-by-step instructions for a successful... DeWalt D28730 Type 1 Chop Saw. DeWalt D28770 Type 1 - 2 Deep Cut Variable Speed Band Saw. Use our part lists, interactive diagrams, accessories and expert repair advice to make your repairs easy. DeWALT D28715 Type 1 Chop Saw Parts.
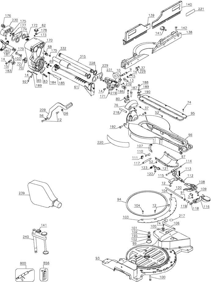
Dewalt chop saw parts diagram. Description : Dewalt Dw706 12 Dual Bevel Miter Saw Parts (Type 1) Parts intended for Dewalt Chop Saw Parts Diagram, image size 700 X 826 px, and to view Here is a picture gallery about dewalt chop saw parts diagram complete with the description of the image, please find the image you need. Dewalt chop saw parts diagram is among the most images we located on the internet from reputable resources. Powerhouse home dewalt t... Tool Type:Chop Saw Parts. Title:Dewalt N408735 Brush 2 Pack. Superseded Part Numbers:N558583. Tool Type:Chop Saw Parts. $36.82. DeWalt. Free shipping options repair schematics. Find the dewalt dewaltdw705 dewalt heavy duty 12 compound miter saw parts you need at tool parts d...
Home:Tool Parts:Dewalt Parts:Dewalt SAW CHOP Manual. Open the PDF directly: View PDF . Page Count: 43. DeWALT D28700 Type 1 Chop Saw Parts. Search within model. Questions & Answers Page A. Fig # 1 Base Assembly Obsolete - Not Available. DEWALT Sliding Compound Miter Saw, 12-Inch (DWS779). Amazon's Choicefor dewalt miter saw parts. Dewalt 608563-01 Replacement Blade Wrench for Dewalt Miter Saws. Dewalt Chop Saw Parts Diagram | Automotive Parts Diagram ... May 06, 2016 · Description: Dewalt Dw706 12 Dual Bevel Miter Saw Parts (Type 1) Parts intended for Dewalt Chop Saw Parts Diagram, image size 700 X 826 px, and to view image details please click the image.. In the Metal and Woodworking shop, members are required to have Personal Protective Equipment to use the tools. You are encouraged to bring your own, but we also have a PPE cabinet that can be seen to your right as you walk in the door. Some tools have more or less required PPE than others.
For metal-slicing efficiency, put your trust in DEWALT's chop saws and multi-cutter saws. Our QUICK-CHANGE™ Keyless Blade Change System ensures ease-of-use. Shop dewalt parts for drills saws nailers staplers sanders and much more. The dewalt service network is unmatched in the industry and includes over 80 factory owned locations and more Parts diagram for rheem 40 gal. This brush is a genuine dewalt replacement carbon brush not aftermarket or generic. Dewalt Dw717 Parts List And Diagram Type 2 Sliding Compound Miter Saw Tool Clothes. Diagram Wiring Dw705 Type 8 Full Version Hd Quality Hexsuspension Lionsicilia It. Dewalt Dw715 Type1 Miter Saw Parts Sears Partsdirect. Dewalt Chop Saw D28715 Ereplacementparts Com. Find the best Dewalt Chop Saw Manual from stores online, free pdf, manuals, repair 800-433-9258. Once you select the type number the diagram, part list, and manual will become available. Home:Tool Parts:Dewalt Parts:Dewalt MITER SAW Manual. Open the PDF directly: View PDF .
How much is a DeWalt chop saw? Do I need a stand for a miter saw? Bevel cutting is the process of cutting a part with an edge that is not perpendicular to the top of the piece. This is done to increase the surface area of the edge for a stronger, more secure weld.
drill pay under fire, electric drill amp draw, dewalt chop saw parts diagram pdf, tool shops eastbourne opening, standard electric power drills online, power tool world inc.
Find dewalt chop saw from a vast selection of Power Tools. Get great deals on eBay! Black Decker N127530 Ball Bearing N127530 OEM DeWalt Chopsaw Replacement Part.
The cord is sold individually. Free shipping options repair schematics. Makita Circular Saw Fence Jig Dewalt Tabl...
To date, the DEWALT range of chop saws and miter saws counts more than 10 different models, each with specific characteristics. Always check before and after use that there are no damaged parts or exposed cables. In this case, immediately contact an authorized service center.
Welcome to the UK's fastest growing spare parts site. sales@sparetoolparts.co.uk (0333) 939 8667.
Dewalt Exploded View parts lookup by model. Complete exploded views of all the major manufacturers. It is EASY and FREE. Enter your Dewalt model number below. Click the Search Button to See More Results. Parts lookup for Dewalt power equipment is simpler than ever.
Popular DeWALT Chop Saw Parts. Power Cord. Part Number: 330072-98. Dewalt Miter Saw Parts Diagram | Automotive Parts Diagram Images.
Shop for DeWALT Miter Saw parts today. QUIK-CHANGE Blade Change System increases. Find genuine replacement parts along with great repair advice and 3day returns. Fix your DeWALT Chop Saw today with parts, diagrams, accessories and repair advice from eReplacement Parts!
Dewalt Chop Saw Parts Diagram Unique How to Replace the Guard A. Dw511k 1 Parts - Hammerdrill. DK Dewalt Laminate TrimmerView and Download Dewalt use and care manual online.
Explore more like DeWalt Chop Saw Parts Diagram. Chop Saw Exploded View Dewalt Chop Saw Wiring.
DeWalt Miter Saw Model DW705 Parts are easily labeled on this page to help you find the correct component for your repair. Filter results by category, title and symptom. You can also view diagrams and manuals, review common problems that may help answer your questions, watch related videos...
Use our part lists, interactive diagrams, accessories and expert repair advice to make your repairs easy. DeWALT D28715 Type 1 Chop Saw Parts.
DeWalt D28730 Type 1 Chop Saw. DeWalt D28770 Type 1 - 2 Deep Cut Variable Speed Band Saw.
Need help replacing the Bearing (Part # 605040-27) in your DeWalt Chop Saw? Watch this how-to video with simple, step-by-step instructions for a successful...
0 Response to "42 dewalt chop saw parts diagram"
Post a Comment