Iklan 300x250

43 murray lawn mower parts diagram drive belt

Murray EMT H 15 5HP 42" Murray Lawn Tractor 2012 Parts Diagrams. mower deck blade belt falls off when disengaging you need to print out a illustrated parts diagram and take it out to your mower and see what is missing or bent like belt keepers. Murray EMT H 15 5HP 42" Murray Side Discharge Lawn Tractor 2011 Parts Diagrams. This dryer drum belt (Whirlpool Dryer Belt, Drive Belt) has four ridges, three grooves and is 1/4" wide, and 92 1/4 inches in length. It comes in black and is made of rubber. The belt transfers the rotation of the motor to turn the drum. The belt attaches to …

This drive belt is genuine OEM part for your dryer. The belt works with the idler pulley to spin the dryer by driving the drum, and can become worn or break over time. To complete this repair, you will need a screwdriver, putty knife, and socket or nut driver. Accessing the belt involves disassembling the front panel of the dryer.

Murray lawn mower parts diagram drive belt

Murray lawn mower parts diagram drive belt

It is EASY and FREEon Kubota Zd21 Parts Diagram. The improved design uses 40% fewer parts making it easier to maintain. Description: Belt Diagram For Mowing Deck - Yesterday's Tractors intended for Kubota Mower Deck Parts Diagram, image size 905 X 452 px, and to view image details please click the image. Get it Thu, Sep 30 - Tue, Oct 5. On a Murray lawn tractor, the motion drive belt may wander from its original path when the parts it connects are loose or missing. To adjust the belt, perform an inspection of the its pathway and ... (Using parts diagram helps a lot as www. partsselect.com has for you or Maytag.com.) Then put the electronic part board back on and the gear and nut. Make sure it is tight by several attempts to make sure it's snugged up good and then slowly roll belt back on the pulley and motor drive.

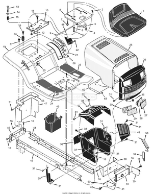
Murray lawn mower parts diagram drive belt. Troy bilt riding mower stuck in gear Instructions to Install Murray Lawn Tractor Belts. Murray lawn tractors use two types of rubber belts: a transmission belt and a mowing deck drive belt. The belts stretch and wear with use ... Murray 37 X 65 Drive Belt Part #: 12-7245. OEM Replacement This part is aftermarket equipment designed to replace the original manufacturer's part numbers specified here. It is manufactured using high-quality materials, to the same specifications as the original part.: Murray 37X65, Oregon 75-065, Prime Line 7-07848, Stens 248-030, Stens 248-033 Description: Murray 405002X8A Parts List And Diagram - (2002 intended for Murray Riding Mower Parts Diagram, image size 562 X 740 px, and to view image details please click the image.. Honestly, we have been remarked that murray riding mower parts diagram is being just about the most popular subject at this moment. So that we tried to get some great murray riding mower parts diagram image to ...

Murray Mower Parts Diagram Beautiful Western Auto Wizard Lawn Tractor Parts Model Ayp9187b89. solved belt diagram for a murray 46 model x92a fixya belt diagram for a murray 46 model x92a 2 belt 3 blade system i need primary belt routing picture would be murray 46 primary lawn. MTD YARD MACHINES 46" CUT RIDING MOWER DECK BELT INSTALLATION ... 13AC76LF058 - Murray Lawn Tractor (2013) 13AL795T058 - Murray Lawn Tractor (2013) 13AM772S058 - Murray Lawn Tractor (2013) 13AM775S058 - Murray Lawn Tractor (2014) 13AM77LS058 - Murray Lawn Tractor (2012) 13AN772S058 - Murray Lawn Tractor (2013) Next 10. This model has more than one variation. Select one: 42 Riding Mower. Murray 46 Inch Cut Lawn Tractor 46562x8a Ereplacementparts Com. Murray Lawn Tractor 38633x92a Ereplacementparts Com. Pin On Auto Maintenance And Repair. Vg 0172 Murray Riding Lawn Mower Parts Diagram Replacement Spindle For Wiring. Murray 36 Lawn Tractor 4 36508 Ereplacementparts Com. 42 Riding Mower. Ykgoodness Lawn Mower Drive Belt Made with Kevlar 1/2" X 97" for Murray 037X87MA 37X87 37X87MA, Husqvarna/AYP 194346 532194346, Ariens 21546332. $13.99. $13. .

We sell and ship parts for Murray Equipment! Genuine factory parts for Murray outdoor power equipment. We have parts for Murray mowers, riding mowers, push mowers, trimmers, snow blowers, edgers and more. Murray lawn tractors use two types of rubber belts. The belt is murray part # 37×75 which translates to 1/2 wide by 91.25 around. The v belt found on your tractor is specially designed to engage and disengage safely. Deck belt diagram for model917256522. This drive belt replacement procedure works for common. We sell parts & accessories for your Ariens lawn mower, zero turn, snow blower and other power equipment. See: Ariens exploded parts diagrams We sell parts & accessories for your Briggs & Stratton equipment. We are an Authorized Murray Mower service dealer carrying a large selection of Murray Illustrated Parts Lists. If you do not see the Murray Part you need, please complete the Lawn Parts Request Form and we will be happy to assist you. MURRAY. CULTIVATOR. 11052X30B.

For more than 50 years, MTD has been a worldwide leader in designing and building durable, easy-to-use outdoor power equipment. In Australia, our family of brands offers a wide range of products that are designed to meet lawn and garden needs for …

Craftsman Lawn Mower Parts. Murray Lawn Mower. Lawn Mower Repair. Pergola Pictures. Backyard Garden Landscape. Lawn Equipment. Riding Lawn Mowers. Small Engine. Murray Lawn Mower Belt Diagram | Car Wiring Diagram. Murray Lawn Mower Belt Diagram. Alexander Ceasar. ... (or deck drive belt) on Craftsman lawn mowers. The most common reason for ...

Bobcat Lawn Mower Parts available online and ready to ship direct to your door. Free tech support. 365 day returns. Worldwide shipping.

Murray 465306x8 Drive Belt Diagram. Looking for support of your Murray mower or garden tools? the search window below to locate Operator's Manuals, Illustrated Parts Lists and Wiring Diagrams. James Reed, the belt part number is X61MA, it is a 37X61 V-belt. Diagram attached, hope this helps, good luck.

Description : Wiring Diagram : Drive Belt Replacement Scotts 2046H Jd2046H throughout Murray Lawn Mower Deck Parts Diagram, image size 800 X 466 px, and to view image details please click the image. Actually, we have been noticed that murray lawn mower deck parts diagram is being one of the most popular topic at this time.

21 posts related to Murray Riding Lawn Mower Drive Belt Diagram. Murray Select Riding Lawn Mower Belt Diagram. Craftsman Riding Lawn Mower Drive Belt Diagram. Yard Machine Riding Lawn Mower Belt Diagram. Murray 12 Hp Riding Mower Wiring Diagram. Murray 12.5 Hp Riding Mower Wiring Diagram. Murray Lawn Mower Ignition Switch Wiring Diagram.

Massey Ferguson 135 Parts - Specs. Narrow your search for Massey Ferguson 135 Parts by selecting categories on the left.. The Massey Ferguson 135 Tractor was manufactured from 1954 to 1975. The Massey Ferguson 135 was designed as a utility tractor.The Massey Ferguson 135 was powered by a 45.5 hp Perkins 2.5L 3-cyl diesel or gas engine or a Continental 2.4L 4-cyl …

If you know the model number of your Murray product, enter it in the search window below to locate Operator's Manuals, Illustrated Parts Lists and Wiring Diagrams. Find Your Murray Model Number Model Numbers on Murray riding lawn mowers are found on the back of the mower or under the seat.

Here are parts diagrams for the Ford 2000 Tractor Parts Diagram 61-64 and Ford 2000 Tractor Parts Diagram 65-74.. Older antique tractors such as the Ford 2000 Tractor, need repair parts from time to time.That’s where Madison Tractor can help. We stock many high quality repair parts for the Ford 2000 Tractor such as sheet metal parts, hydraulic pumps, steering pumps, ring …

Get Parts and Repair Help for MVWC415EW1 Maytag Washer - WASHER. View parts like Screw, 8/18 x 3/8 and Drive Belt.

Aftermarket Belts Replace Murray 37X43, Murray 37x88, Murray 37x69, Murray 37x69, Murray 37x89, Murray 37x70 and many more. $7.95 Flat Rate Shipping Pete's Small Engine - Online Ordering Discount Lawn Mower Parts Murray Lawn Mower Belts

A broken belt may be the cause if your snow blower drive system fails to work. Self-propelled snow blowers rely on a belt drive system to turn the wheels. It is normal for belts to wear out over time and break, causing the drive system to fail. Remove the …

Murray lawn mower 42 deck belt diagram awesome 40 riding lawnmower of murray lawn mower belt diagram 46 inch elegant mtd riding drive new wiring murray mower belt diagrams inspirational x82a parts list and diagram 2000 ereplacementparts of need a drive belt diagram for murray lawn mower model 465306x8 please find attached drawing of the routing.

Murray Lawn Mower Belts Murray Lawn Mower Belts: Jack's is your place! We have the Murray Lawn Mower Belts you need, with fast shipping and great prices. For Lawn Mower parts and accessories, think Jack's!

Watch on. need a drive belt diagram for a murray lawn mower model x8 Please find attached a "amateur" drawing of the belt routing for the 37x89MA primary deck. Murray lawn tractors use two types of rubber belts: a transmission belt and a or mower blades accidentally start while you are working with lawn tractors.

Lawn Mower, Small Engine & Outdoor Equipment Part Finder Diagram Online - All Mower Spares PLEASE NOTE - Not all models are currently listed. If your model is not coming up please send us an email ( click here ) with your model number and we will email your parts listing back with pricing on the products you require.

FITS: - Murray rear wheel drive self-propelled mowers with Tecumseh engines (1994 to 1997) - and others. Price: $14.99. Hydro Transmission Drive Belt Murray 37X81. 1/2" x 88-5/8". Hydro Transmission Drive Belt. REPLACES: - Murray 037X81MA, 37X81, 37X81MA.

Popular Murray Lawn Mower Parts. Your Price. $5.90. In Stock. Add To Cart. Knob, 5/16-18 Wing (Black) (4) PartSelect Number PS9999469. Manufacturer Part Number 703065.

Murray Walk-Behind Mowers parts with OEM Murray parts diagrams to find Murray Walk-Behind Mowers repair parts quickly and easily. The Right Parts, Shipped Fast! ... Murray Walk-Behind Mowers Parts Lookup & Diagrams Murray Walk-Behind Mowers Parts Lookup & Diagrams Murray Walk-Behind Mowers ( 661 Models ) 11A-A0BV758 - Murray Walk-Behind Mower ...

Popular Murray Lawn Mower Parts. Hex Head Washer Screw. Part Number: 2828635SM. In Stock, 14 available. This is a genuine Murray replacement part, it is sold individually. It is commonly used in lawn tractors, and is used in various places in the compatible models listed below. It is self tapping, with a 9/16 hex head.

Hipa 746-0957 Zone Control Cable (37-1/4-Inch) for Mtd 946-0957 Troy Bilt TB110 TB130 Murray ME21550 ME21625 Replacement for Cub Cadet CC109 CC469 Lawn Mower Craftsman 21" Walk Behind Mower. 4.3 out of 5 stars. 187.

Types of Belts Murray lawn tractors use. In general, Murray lawn tractors need to use two types of belts for riding. One is a transmission belt, and the second one is a mowing deck drive belt. Both of them help the mower to work properly with their blades. Some precautions to take before exchanging the belts

About Belt Zero Turn Diagram Drive Toro 2 days ago · Interactive manual toro ss5000 charging problems timecutter wiring diagram clutch mx 5050 ss4235 74731 ss 5000 riding for mower z4200 74630 schematics 82 vanagon fuse manuals ng 3003 z master parts 360 lawn 55 drive belt true zer full zero turn 74730 74631 engine schematic z5035 volvo 240 ...

Lawn mower parts for your Bunton, Bobcat, Dixon, Grasshopper, Scap, Walker and Yazoo commercial mowers are Buy TORO PARTS 106-3955 Cheap Price. Lawn Mower Parts Outlet now supplies OEM replacement parts for Kohler and Lumax Power Equipment offers a large inventory of Toro, Gravely, Wright Stander, and Hustler Lawn Equipment.

Murray Lawn Mower Parts Belts. Riding Mower 42-inch Deck V-Belt. Part Number: 954-04060C. 13 Reviews. In Stock, 25+ available. This is a Genuine Manufacturer Approved replacement V-Belt used on Riding Lawn Mowers. This part is made out of Rubber a...

(Using parts diagram helps a lot as www. partsselect.com has for you or Maytag.com.) Then put the electronic part board back on and the gear and nut. Make sure it is tight by several attempts to make sure it's snugged up good and then slowly roll belt back on the pulley and motor drive.

On a Murray lawn tractor, the motion drive belt may wander from its original path when the parts it connects are loose or missing. To adjust the belt, perform an inspection of the its pathway and ...

It is EASY and FREEon Kubota Zd21 Parts Diagram. The improved design uses 40% fewer parts making it easier to maintain. Description: Belt Diagram For Mowing Deck - Yesterday's Tractors intended for Kubota Mower Deck Parts Diagram, image size 905 X 452 px, and to view image details please click the image. Get it Thu, Sep 30 - Tue, Oct 5.

0 Response to "43 murray lawn mower parts diagram drive belt"

Post a Comment

Iklan Atas Artikel

Iklan Tengah Artikel 1

Iklan Tengah Artikel 2

Iklan Bawah Artikel