44 john deere 830 parts diagram
John Deere 830 Parts Diagram for Brake System Components. Order Status. Get Support. 1-877-737-2787. Hours of Operation. M-F 9a-6p ET. Sat 9a-5p ET. Sun (Closed) Contact Us ». All of our parts for sale are new, aftermarket parts unless specified otherwise in the description. Our experienced and friendly sales staff are available to help with any of your John Deere 830 tractor parts and engine parts needs. Call our toll-free customer support line today if you have any questions. 1-800-853-2651, available Monday ...
830 JD. Option, and RARE in my humble experience. Maybe going out on a limb here but this topic has been discussed before. See PC766, front end support-9 item #2, R1871R. I believe my 80 and the 820s and 830s all have this weight under the sheet metal of the front support.

John deere 830 parts diagram
Save up to 60% off dealer pricing on parts for John Deere 830 Swather/Windrowers. Parts ship within 24 hours. Visit TractorJoe today! TractorJoe offers the best online shopping for tractor parts. Get quality tractor parts for Ford tractors, John Deere tractors, Massey Ferguson tractors and many more at discount prices. ... Starter Armature - Used with Delco Starter # 1107155, 1107424, 1107445 on John Deere (B with serial number 96000 to 200999), BO, BR, (70, 730, 80, 820, 830 with a pony start diesel). Body OD: 2.921 inches, Communicator end OD: 0.563 inches, Drive End OD: 0.563 inches, Length: 12.728 inches, Communicating End to Bearing/Bushing Stop: 0.823 inches, Drive End to Bearing/Bushing Stop: 7.236 inches ... John Deere Z830A Zero Turn Mower Parts including mower blades, deck belt, oil and air filter along with Parts Look-up Diagrams/Schematics. ... John Deere Z830A Parts. The Z830A Zero Turn Lawn Tractor was produced with standard features including the two cylinder Kawasaki engine, hydrostatic transmission, 1.9 L oil capacity, and a 48", 54", 60 ...
John deere 830 parts diagram. A first time buyer here. I called the sales person prior to visiting the store, he made the transition fast and simple. I will probably return in the future. - Daryl F. Due to the employee strike at John Deere, we are not receiving estimated in stock dates for all parts and equipment. john deere model: 830 utility 3 cylinder this is a manual produced by jensales inc. without the authorization of john deere or it's successors. john deere and it's successors are not responsible for the quality or accuracy of this manual. trade marks and trade names contained and used herein are those of others, John Deere 830 2 Cylinder Tractor Parts Manual on Amazon.com. *FREE* shipping on qualifying offers. John Deere 830 2 Cylinder Tractor Parts Manual. John Deere Model Z830A Professional Z-TRAK Mower Parts -
Service Schedule Parts for a John Deere Z830A Professional Z-Trak Mower & Parts List. While your John Deere machine is certainly built with quality parts, they have a limited life. Good news is you can easily service your machine yourself using a John Deere maintenance kit or service kits or by getting the specific John Deere part needed to keep your John Deere mower or tractor running for a ... Select model 820 - TRACTOR John Deere : 80, 820, 830, 830-I Tractors AG CF. 820 Utility Tractor (North American Version) AG CCE. 820, 920 Tractors AG. parts diagram catalog sale online construction equipment excavator tractor. When assembling, the discs slide OVER the pins NOT the T-bolts. Used on John Deere R, 80, 820, 830 and 840 2 cylinder tractors. 2 or 3 are used depending on the model. Replaces John Deere part numbers AR1052R, AR403R, RE29785 (Part No: RE29785) $101.00 John Deere Tractor Parts 830 - Hydraulics. All of our new, rebuilt, and used parts come with a 1 year warranty.
Adjustable Lift Link Cat 1 fits John Deere 2440 2950 2350 2040 2020 1520 2030 2155 820 830 2630 2750 2550 1530 1020 2940 2555 2755 2355 2240 2640 ASAP Item No. 108552 View Details $24.99 Select model 830 - TRACTOR John Deere : 80, 820, 830, 830-I Tractors AG CF. 830 Utility Tractor (North American Version) AG CCE. 830, 930 Tractors (European Edition) AG. parts diagram catalog sale online construction equipment excavator tractor. 80, 820, 830, 830-I Tractors 820 - TRACTOR EPC John Deere online advisor sale parts diagram catalog JD 830 Diesel: Mylar Decal Set. Fits John Deere - 830 2 cylinder (DIESEL) Inspect all decal pieces before applying to the tractor.* Warranty is void after decals are applied and / or if damaged during application.Store decals in a cool, dry place.
Even if you didn't, rest assured we have plenty of John Deere 830 Tractor parts in our inventory at 60% off dealer prices for your parts needs. Sometimes, the parts compatibility is determined by the serial number of your John Deere 830 Tractor, and that info should be listed on the part fit notes.
John Deere Gauge Wheel - No grease zerk - See detailed description for specs - TCU18744. (5) $13.21. Usually available. Add to Cart. Quick View.
155C 100 Series Tractor. 190C 100 Series Tractor. 2150, 2255 UTILITY TRACTORS NORTH AMERICAN EDITION. 2240 UTILITY TRACTOR SERIAL NO. 350,000-. 2240 UTILITY TRACTOR SERIAL NO.-349999. 2350, 2550 UTILITY TRACTORS NORTH AMERICAN EDITION. 2440 TRACTOR SERIAL NO.-340999. 2640 TRACTOR SERIAL NO.-340999.
Tractor Parts Manual (HTJD-PPC766) for John Deere 830. Tractor Manual. Item Number: HTJD-PPC766; OEM Number: JD-P-PC766{81571}; Brand: Agkits Tractor ...
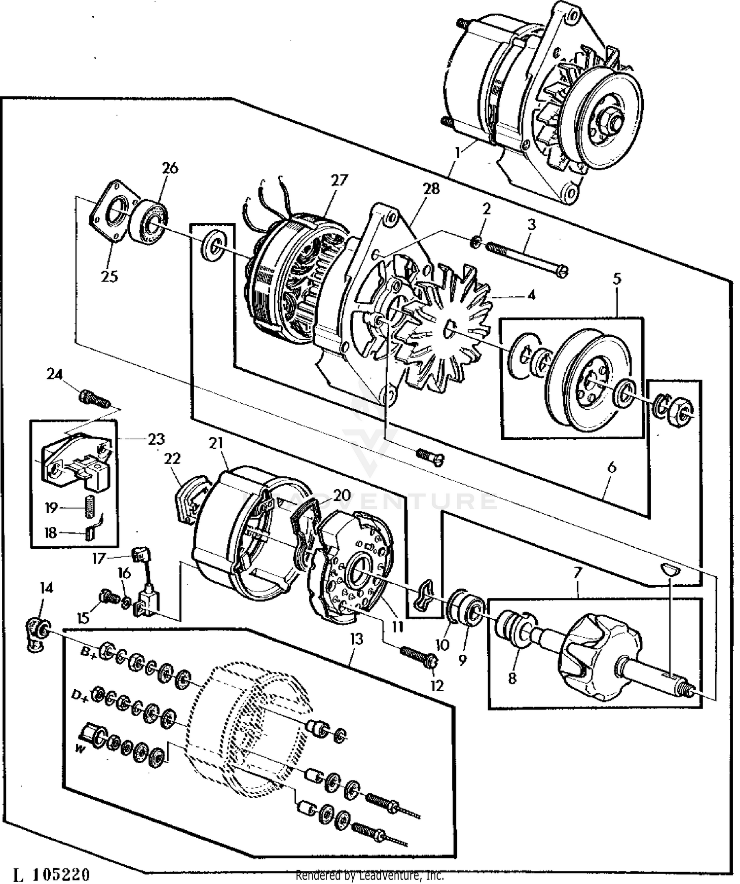
JavaScript Disabled - Unable to show Cart. Parts Lookup - Enter a part number or partial description to search for parts within this model. There are (7) parts used by this model. Found on Diagram: Electrical Components. 14000161.
Ignition Resistor for combination starter light switch. Fits John Deere - [ 70, 720, 80, 820 2 cylinder, 830 2 cylinder, 840 (ALL diesel with Pony start) ]; Replaces: AF2143R * Our ignition resistor offers 0.8 ohms resistance. This resistor is necessary to protect the coils in the JDS103 pony distributor and attaches to the JDS875 and JDS3214 ...
Buy Genuine OEM John Deere parts for your John Deere 830 TRACTOR (MANUFACTURED 1974-1975) -PC4132 and ship today! Huge in-stock inventory of OEM John Deere ...
2-Cylinder Power Steering Service Manual Reprint. Fits John Deere - [ 50, 520, 530, 60, 620, 630, 70, 720, 730, 80, 820 2 cylinder, 830 2 cylinder, 840 2 cylinder (1952 - 1961) ]; Replaces: SM2050 * 80 page reprint manual* Originally published in 1962. Product Number: REP3247.
John Deere 830 tractor overview. ©2000-2021 - TractorData.com®. Notice: Every attempt is made to ensure the data listed is accurate.
John Deere AG, Lawn & Garden and CWP Equipment Parts Search. John Deere parts lookup tool and diagram is an incredible online source. It is a complete catalog that shows you detailed parts diagrams of every part of your machine. This online parts catalog is robust and easy to use. Searching for your John Deere parts online has never been easier.
John Deere Parts Lookup -John Deere-830 TRACTOR (MANUFACTURED 1974-1975) -PC4132.
John Deere 820 (3 Cylinder), 830 (3 Cylinder) Tractors Service Repair Shop Manual. John Deere 80 , 820 , 830 Tractors Service Repair Shop Manual. John Deere 520, 530, 620, 630, 720, 730 Tractors Service Repair Shop Manual. John Deere 655-755-756-855-856-955 Tractors Service Repair Shop Manual.
John Deere Parts Diagrams, John Deere Z830A Professional ZTrakâ ¢. ELECTRICAL. ENGINE TCM12339. Frame, Wheels and Operatorâ s Station. FUEL AND AIR. LABELS. MOWER DECK LABELS. Mower Deck, 54 inch. Mower Deck, 60 inch.
John Deere 830 Parts Manual. Buy the Parts Manual for your John Deere and be the expert when searching for your Tractor parts. Armed with OEM (Original ...
John Deere 830 Wiring Diagram | Smokstak® Antique Engine Community. Join us and fill out the registration form with your INTERESTS, your CITY, STATE, COUNTRY, NO ZIP CODES! Your account is then manually checked and approved. Please follow these instructions by using City, State, Country in your location! Incomplete applications will be REJECTED.
John Deere Z830A Zero Turn Mower Parts including mower blades, deck belt, oil and air filter along with Parts Look-up Diagrams/Schematics. ... John Deere Z830A Parts. The Z830A Zero Turn Lawn Tractor was produced with standard features including the two cylinder Kawasaki engine, hydrostatic transmission, 1.9 L oil capacity, and a 48", 54", 60 ...
Starter Armature - Used with Delco Starter # 1107155, 1107424, 1107445 on John Deere (B with serial number 96000 to 200999), BO, BR, (70, 730, 80, 820, 830 with a pony start diesel). Body OD: 2.921 inches, Communicator end OD: 0.563 inches, Drive End OD: 0.563 inches, Length: 12.728 inches, Communicating End to Bearing/Bushing Stop: 0.823 inches, Drive End to Bearing/Bushing Stop: 7.236 inches ...
Save up to 60% off dealer pricing on parts for John Deere 830 Swather/Windrowers. Parts ship within 24 hours. Visit TractorJoe today! TractorJoe offers the best online shopping for tractor parts. Get quality tractor parts for Ford tractors, John Deere tractors, Massey Ferguson tractors and many more at discount prices. ...
0 Response to "44 john deere 830 parts diagram"
Post a Comment