Iklan 300x250

40 2000 chevy blazer stereo wiring diagram

2000 Chevrolet Trailblazer (Blazer) Car Alarm Wiring Diagram Information. Tachometer Wire Location: At PCM. The PCM is located on the passenger fender. On the 2.2L the wire is in a black 80 pin plug pin 10, and on the 4.3L the wire is in a red 32 pin plug pin 20. Door Lock Wire Location: Brown plug at BCM. Here is the diagram. 2000 Chevy Blazer Radio Wiring Diagram Site Resource. 1997 Chevy S 10 Fuel Pump Problems I Replaced The And. Chevrolet s10 blazer diagrams 1983 2005. This article will be discussing 1999 chevy blazer trailer wiring diagram.

Level 1: An expert who has achieved level 1. Contributor. 1 Answer. Re: 2000 Chevy Blazer wiring diagram. I HAVE 2000 BLAZER and the 3rd brake light works but the ones in the tail light do not work have turn signals and new bulbs but no brake light. Posted on Apr 01, 2013.

2000 chevy blazer stereo wiring diagram

2000 chevy blazer stereo wiring diagram

2000 Chevy Blazer Headlights Diagram Replacement Chevy Trailblazer Chevy Chevrolet Trailblazer. 2000 S10 Taillight Wiring In 2021 Engine Diagram Electrical Wiring Diagram Wiring Diagram. For The 2002 Chevrolet Trailblazer 4wd Wiring Diagram Guide About 2002 Chevy Trailblazer Parts Diagram Trailbla Chevy Trailblazer Chevrolet Trailblazer Diagram. Volvo fm7, fm10, fm12 lhd wiring diagram group 37 release 02.pdf. 2000 chevrolet s10 pickup owner's manual. 1989 chevy s 10 pickup s10 blazer wiring diagram manual chevrolet electrical (fits: Need a wiring diagram for a chevy s10. Draw A Simple Diagram Of The Carbon Cycle Using The Words In The Text Box Above Stereo isnt working properly though. 2003 chevrolet trailblazer stereo wiring information. Radio constant 12v wire. The stereo wiring diagram listed above is provided as is without any kind of warranty. Chevy trailblazer radio wiring diagram wiring diagram is a simplified good enough pictorial representation of an electrical circuit it shows ...

2000 chevy blazer stereo wiring diagram. Need ac wiring diagram blazer forum chevy forums 2 door 2000 under hood electrical circuit carfusebox anatomy of the ignition switch i a for plugs that plug into back ... 2000 Chevy Blazer Fuel Pump Wiring Diagram. Print the wiring diagram off in addition to use highlighters in order to trace the signal. When you employ your finger or even stick to the circuit along with your eyes, it's easy to mistrace the circuit. 1 trick that I 2 to print out the same wiring diagram off twice. 65000 GM Parts In Stock NOW - Free and Discounted Shipping. 2000 chevy blazer headlight wiring diagram.Headlight and tail light wiring schematic diagram typical 1973 1987 chevrolet truck chevy chuck s pages my 2001 s10 pickup has a problem where the headlights will not operate on dim bright lights work i have replaced looking for 98 10 2 1947 present gmc message board network part 1 circuit ... 2000 Chevrolet Blazer S-Series cruise control wire colors, functions, and locations ... • Stereo Information ... Any user assumes the entire risk as to the accuracy and use of this information. Please verify all wire colors and diagrams before applying any information. Top ...

2000 Chevy Truck Radio Wiring Diagram. Chevrolet car radio stereo audio wiring chevy silverado diagram pinout for a gm factory or help 2001 diagrams repair guide. Chevrolet Car Radio Stereo Audio Wiring Diagram Autoradio Connector Wire Installation Schematic Schema Esquema De Conexiones Anschlusskammern Konr. 1997 Chevy Blazer Wiring Diagram Free Download Within 2000 . 2000 Ford F650 Fuse Panel Diagram 2000 FORD F650/750 . GMC Truck Wiring Diagrams on Gm Wiring Harness Diagram 88 . 85 Chevy Truck Wiring Diagram Chevrolet C20 4×2 Had . automotive wiring diagram, Resistor To Coil Connect To . Collection Of Solutions 2000 Chevy S10 Stereo Wiring Read the latest breaking Omaha News, and headlines for the Midlands Region of Nebraska, from the Omaha World-Herald. The latest local weather, crime, politics, events and more 2000 Chevrolet Blazer S-Series car stereo wire colors, functions, and locations. ... Please verify all wire colors and diagrams before applying any information. Top ...

Anti Theft Chevrolet Blazer 2000 System Wiring Diagrams Schémas De Câblage Pour Voitures. Chevy blazer 2 door 2000 under hood need ac wiring diagram forum anatomy of the ignition switch i have a 4wd 4 3 diagran for starter circuit engine 1998 s10 4x4 anti theft chevrolet control s 10 ic power windows dont work 02 mirrors on 97 help air conditioning all diagrams forums fuel pumps my exterior ... Chevrolet 2008 HHR amplifer connector C1 wiring . Chevrolet Tahoe LS 2000 stereo wiring connector Chevrolet Tahoe LS 2000 stereo wiring connector . Chevrolet Tahoe LS 2000 stereo wiring connector . Chevrolet Venture 2001-2005 stereo wiring connector . Chevrolet Captiva 2008 stereo wiring . Chevrolet Impala 2002 stereo wiring connector Whether your an expert Chevrolet electronics installer or a novice Chevrolet enthusiast with a 2000 Chevrolet S10 Blazer, a car stereo wiring diagram can save yourself a lot of time. One of the most time consuming tasks with installing an after market car stereo, car radio, car speakers, car amplifier, car navigation or any car […] Get all of Hollywood.com's best Movies lists, news, and more.

2008 Chevy Silverado Stereo Wiring Diagram - Chevy Diagram

2008 Chevy Silverado Stereo Wiring Diagram - Chevy Diagram

Stereo Wiring Diagram. Request Stereo Diagrams; Stereo Wiring Diagrams | Subcribe via RSS. 2000 Chevrolet S10 Blazer. March 31st, 2012 Posted in Chevrolet S10 Blazer. 2000 Chevrolet S10 Blazer Stereo Wiring Information. Radio Constant 12v+ Wire: Orange Radio Switched 12v+ Wire: Dark Green Radio Ground Wire: Black Radio Illumination Wire: Gray Stereo Dimmer Wire: Violet/White Left Front Speaker ...

Views by Saline di Cervia with seagull

Views by Saline di Cervia with seagull

Description : 2000 S10 Wiring Diagram - Best Wiring Diagram 2017 with regard to 2000 Chevy S10 Wiring Diagram, image size 800 X 575 px, and to view image details please click the image. Here is a picture gallery about 2000 chevy s10 wiring diagram complete with the description of the image, please find the image you need.

58 2005 Chevy Silverado Radio Wiring Diagram - Wiring ...

58 2005 Chevy Silverado Radio Wiring Diagram - Wiring ...

Latest information about coronavirus (COVID-19), online services and MyAccount, customer services and how to make a complaint.

31 2001 Chevy Blazer Stereo Wiring Diagram - Wiring ...

31 2001 Chevy Blazer Stereo Wiring Diagram - Wiring ...

Listed below is the vehicle specific wiring diagram for your car alarm, remote starter or keyless entry installation into your 2003-2005 Chevrolet S-10 Blazer . This information outlines the wires location, color and polarity to help you identify the proper connection spots in the vehicle. Please be sure to test all of your wires with a digital ...

Wiring For 2001 Chevy Blazer / 2001 Chevrolet S10 Blazer ...

Wiring For 2001 Chevy Blazer / 2001 Chevrolet S10 Blazer ...

IMPORTANT - There are two (2) yellow*, two (2) gray and two (2) brown wires in this harness. Locate the +12 volt constant wire first. Label it or splice to constant wire on aftermarket stereo first. Swapping yellow wires will cause damage to any aftermarket stereo.

12+ 2000 Chevy Truck Stereo Wiring Diagram | Chevy ...

12+ 2000 Chevy Truck Stereo Wiring Diagram | Chevy ...

2000 chevy express wiring diagram.Gm gmc chevrolet chevy car trucks buick cadillac blazer s10 oldsmobile silverado express. CHEVROLET Car Manuals PDF & Wiring Diagrams above the page - Volt Owner & Service Manual, Camino, Cruze, Roadtrek, Camaro, Corvette, Aveo; And also if there is a short.

20 Unique 2004 Trailblazer Stereo Wiring Diagram

20 Unique 2004 Trailblazer Stereo Wiring Diagram

I need a radio wiring diagram for a 2000 chevy blazer. The firing order diagram is for a 350 newer models, mine is. The firing order diagram is for a 350 newer models, mine is a 1972 Chevy blazer where the number spark plug wire is on the passenger side of engine. The diagrams that are on line show number 1 on the … read more.

[DIAGRAM] 2005 Chevy Trailblazer Radio Wiring Diagram FULL ...

[DIAGRAM] 2005 Chevy Trailblazer Radio Wiring Diagram FULL ...

Subsequent diagrams is pretty simple, but using it within the scope of how the device operates is a new different matter. Our best advice is not only look at the diagram, yet understand how the components operate when in use. READ 2005 Gmc Sierra Radio Wiring Diagram - Collection. 2000 Chevy Blazer Radio Wiring Diagram Source: wiringall.com.

2000 Chevy Blazer Radio Wiring Diagram Database

2000 Chevy Blazer Radio Wiring Diagram Database

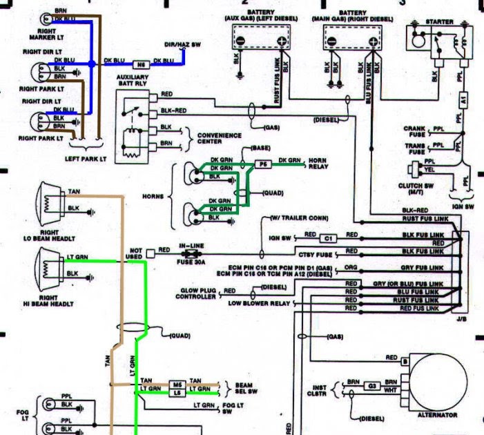
Exterior Lights Chevrolet Blazer 2000 System Wiring Diagrams Diagramas De Cableado Para Automóviles. Need ac wiring diagram blazer forum chevy 2 door 2000 under hood i have a 4wd 4 3 engine 1998 s10 4x4 chevrolet anti theft diagran for starter circuit control s 10 ignition ic 02 power mirrors on 97 help windows dont work diagrams repair guide all exterior lights stereo multifunction switch ...

44 2004 Chevy Trailblazer Radio Wiring Diagram - Wiring ...

44 2004 Chevy Trailblazer Radio Wiring Diagram - Wiring ...

15.10.2016 · 200 amp service panel wiring diagram; 2000 chevy blazer stereo wiring diagram; 2000 chevy s10 fuse box diagram; 2000 chevy silverado 1500 stereo wiring diagram; 2000 chevy silverado fuse box diagram; 2000 chevy silverado stereo wiring diagram color code; 2000 chevy silverado wiring harness; 2000 chevy tahoe engine diagram; 2000 chevy tahoe …

2005 Chevy Trailblazer Trailer Wiring Diagram

2005 Chevy Trailblazer Trailer Wiring Diagram

Chevrolet malibu 2002 stereo wiring connector. Yellow radio ground wire. Unique Chevy Car Stereo Wiring Diagram Chevy Silverado Chevy Trailblazer 2003 Chevy Silverado Chevrolet s 10 1998 stereo wiring connector 2. Chevy s10 radio wiring diagram. Black radio illumination wire. Light green right front speaker negative wire. Orange radio accessory switched 12v wire. Brown left …

2000 Chevy Blazer Radio Wiring Diagram Database

2000 Chevy Blazer Radio Wiring Diagram Database

2004 Chevy Blazer Radio Wiring Wiring Diagram 1934 Amazing Wiring Diagram Collection Radio Chevy Blazer . 1998 Chevrolet Truck K2500hd 3 4 Ton P U 4wd 6 5l Turbo Dsl Ohv 8cyl Repair Guides Wiring Diagrams Wiring Trailer Wiring Diagram Chevy Trucks Chevy 1500 . 2000 Chevy Blazer Headlights Diagram Replacement Chevy Trailblazer Chevy Chevrolet Trailblazer . Pin On Chevy Pickups . 94 S10 Blower ...

2001 Chevy Blazer Stereo Wiring Diagram - Atkinsjewelry

2001 Chevy Blazer Stereo Wiring Diagram - Atkinsjewelry

2004 Chevy Blazer Radio Wiring Wiring Diagram 1934 Amazing Wiring Diagram Collection Radio Chevy Blazer . 1998 Chevrolet Truck K2500hd 3 4 Ton P U 4wd 6 5l Turbo Dsl Ohv 8cyl Repair Guides Wiring Diagrams Wiring Trailer Wiring Diagram Chevy Trucks Chevy 1500 . 2000 Chevy Blazer Headlights Diagram Replacement Chevy Trailblazer Chevy Chevrolet Trailblazer . Pin On Chevy Pickups . 94 S10 Blower ...

2000 Chevy Blazer Trailer Wiring Diagram - Trailer Wiring ...

2000 Chevy Blazer Trailer Wiring Diagram - Trailer Wiring ...

1998 Chevrolet Truck K2500hd 3 4 Ton P U 4wd 6 5l Turbo Dsl Ohv 8cyl Repair Guides Wiring Diagrams Wiring Trailer Wiring Diagram Chevy Trucks Chevy 1500 50 Inspirational 2001 Chevy Radio Wiring Diagram Chevy Trailblazer Chevy Tahoe 2006 Chevy Silverado 05 Trailblazer Radio Wire Diagrams In 2021 Chevy Trailblazer Radio Trailblazer 1997 Chevy […]

2002 Trailblazer Radio Wiring Diagram - General Wiring Diagram

2002 Trailblazer Radio Wiring Diagram - General Wiring Diagram

2000 Chevy Blazer Radio Wiring Diagram from i1.wp.com Print the cabling diagram off and use highlighters to be able to trace the circuit. When you use your finger or the actual circuit along with your eyes, it’s easy to mistrace the circuit. 1 trick that I 2 to print exactly the same wiring diagram off twice.

28 2000 Chevy Blazer Radio Wiring Diagram - Wiring Diagram ...

28 2000 Chevy Blazer Radio Wiring Diagram - Wiring Diagram ...

Test your Page You must be logged in to run a page validation test. Click to login. Reprocess You must be logged in and a Protection Pro member to do manual rescans. Click to login.For more info visit the FAQ. Delete You must be logged in and a Protection Pro member to do manual deletions. Click to login.For more info visit the FAQ. Auth Key Certificate unique auth key is:

2002 Chevy Silverado Wiring Diagram | Wiring Diagram

2002 Chevy Silverado Wiring Diagram | Wiring Diagram

02 Chevy Blazer Audio Wiring Diagram. they are your speeker wires. the best the to do is to hook up the colors that are the same color to the color wires on the back of the radio. dont hook them all up at once two colors at a time.by doing this it will let you know what speaker you have hooked up. Read full answer.

2000 Chevy Blazer Trailer Wiring Diagram - Wiring Diagram

2000 Chevy Blazer Trailer Wiring Diagram - Wiring Diagram

swift manufacturing ltd offer precision cutting tools of pcbn inserts, we supply with solid cbn inserts, solid corner cbn inserts and tipped cbn inserts, mainly for machining ferrous metals like cast iron and hardened steel from continuous turning to heavy interrupted turning. As cbn material has advantages in heat absorption capacity and resistance to impact and wear, cbn inserts are …

89 K5 Blazer Wiring Diagram - Wiring Diagram Networks

89 K5 Blazer Wiring Diagram - Wiring Diagram Networks

Stereo isnt working properly though. 2003 chevrolet trailblazer stereo wiring information. Radio constant 12v wire. The stereo wiring diagram listed above is provided as is without any kind of warranty. Chevy trailblazer radio wiring diagram wiring diagram is a simplified good enough pictorial representation of an electrical circuit it shows ...

2000 Chevy Blazer Stereo Wiring Diagram - Diagram For You

2000 Chevy Blazer Stereo Wiring Diagram - Diagram For You

Volvo fm7, fm10, fm12 lhd wiring diagram group 37 release 02.pdf. 2000 chevrolet s10 pickup owner's manual. 1989 chevy s 10 pickup s10 blazer wiring diagram manual chevrolet electrical (fits: Need a wiring diagram for a chevy s10. Draw A Simple Diagram Of The Carbon Cycle Using The Words In The Text Box Above

[DIAGRAM] 96 Blazer Radio Wiring Diagram FULL Version HD ...

[DIAGRAM] 96 Blazer Radio Wiring Diagram FULL Version HD ...

2000 Chevy Blazer Headlights Diagram Replacement Chevy Trailblazer Chevy Chevrolet Trailblazer. 2000 S10 Taillight Wiring In 2021 Engine Diagram Electrical Wiring Diagram Wiring Diagram. For The 2002 Chevrolet Trailblazer 4wd Wiring Diagram Guide About 2002 Chevy Trailblazer Parts Diagram Trailbla Chevy Trailblazer Chevrolet Trailblazer Diagram.

2000 Chevy Blazer Wiring Diagram - Wiring Diagram And ...

2000 Chevy Blazer Wiring Diagram - Wiring Diagram And ...

2000 Chevy Venture Audio Wiring: I Got Installed a New ...

2000 Chevy Venture Audio Wiring: I Got Installed a New ...

2000 Chevy S10 Blazer Heater Diagram - Wiring Forums

2000 Chevy S10 Blazer Heater Diagram - Wiring Forums

2003 Trailblazer Fuel Pump Wiring Diagram | Fuse Box And ...

2003 Trailblazer Fuel Pump Wiring Diagram | Fuse Box And ...

Wiring Diagram 2000 Chevy Blazer - Wiring Diagram

Wiring Diagram 2000 Chevy Blazer - Wiring Diagram

Starter Wiring Diagram 2000 Chevy Cavalier | schematic and ...

Starter Wiring Diagram 2000 Chevy Cavalier | schematic and ...

42 2000 Chevy S10 Radio Wiring Diagram - Wiring Niche Ideas

42 2000 Chevy S10 Radio Wiring Diagram - Wiring Niche Ideas

Chevrolet Blazer Questions - Dash speaker wires - CarGurus

Chevrolet Blazer Questions - Dash speaker wires - CarGurus

38 2011 Chevy Silverado Ignition Wiring Diagram - Wiring ...

38 2011 Chevy Silverado Ignition Wiring Diagram - Wiring ...

I have a 2000 Chevrolet Blazer LS. It came stock with a ...

I have a 2000 Chevrolet Blazer LS. It came stock with a ...

PORTRAITS INSTAGRAM - @LGNWVRPRTRTS EDITORIAL INSTAGRAM - @LGNWVRPHTO PERSONAL INSTAGRAM - @LGNWVR

PORTRAITS INSTAGRAM - @LGNWVRPRTRTS EDITORIAL INSTAGRAM - @LGNWVRPHTO PERSONAL INSTAGRAM - @LGNWVR

Wiring Diagram For S10 - Wiring Diagram Schemas

Wiring Diagram For S10 - Wiring Diagram Schemas

Harbour Bridge

Harbour Bridge

00 Chevy S10 4.3l Distributor Cap Wiring Diagram

00 Chevy S10 4.3l Distributor Cap Wiring Diagram

2000 Chevy Trailblazer Wiring Diagram - Wiring Forums

2000 Chevy Trailblazer Wiring Diagram - Wiring Forums

Chevy S10 Stereo Wiring Diagram - Drivenheisenberg

Chevy S10 Stereo Wiring Diagram - Drivenheisenberg

Gay couple running trought the park, feeling happy

Gay couple running trought the park, feeling happy

2002 Chevy Avalanche Radio Wiring Diagram - Diagram For You

2002 Chevy Avalanche Radio Wiring Diagram - Diagram For You

Wiring For 2001 Chevy Blazer / 2001 Chevrolet S10 Blazer ...

Wiring For 2001 Chevy Blazer / 2001 Chevrolet S10 Blazer ...

0 Response to "40 2000 chevy blazer stereo wiring diagram"

Post a Comment

Iklan Atas Artikel

Iklan Tengah Artikel 1

Iklan Tengah Artikel 2

Iklan Bawah Artikel