42 2007 chevy colorado radio wiring diagram
Chevrolet Car Radio Stereo Audio Wiring Diagram Autoradio Connector Wire Installation Schematic Schema Esquema De Conexiones Anschlusskammern Konr. Instrument Cer Chevrolet Colorado 2006 System Wiring Diagrams For Cars. All wiring diagrams for chevrolet re 2004 chevy colorado the er is 2005 and alternator harness diagram i have a2008 colorodo ... 2005 Chevy Aveo Radio Wiring Diagram Download. 2009 Chevy Aveo Wiring Diagram Fuse Box Download. Chevy Aveo wiring diagram and fuse box diagram pertaining to Download. Aveo Starter Replacement Wiring Diagrams. Download. Chevrolet Aveo Ecu Wiring Diagram. Download. Chevrolet Aveo Engine Harness Diagram Download. Chevrolet car radio stereo audio ...
Radio wire diagram for 2007 Chevy Colorado. Reply. ModifiedLife says: January 13, 2012 at 12:12 am. Justin, run a primary wire. to your steering column and use the brown wire in the ignition switch harness. This brown wire will provide a switched power source for your 2006 Ford Fusion stereo. Hope this helps.

2007 chevy colorado radio wiring diagram
Whether your an expert Chevrolet electronics installer or a novice Chevrolet enthusiast with a 2007 Chevrolet Silverado, a car stereo wiring diagram can save yourself a lot of time. One of the most time consuming tasks with installing an after market car stereo, car radio, car speakers, car amplifier, car navigation or any car electronics […] 2007 Chevy Colorado Trailer Wiring Diagram . December 24, 2020 1 Margaret Byrd . 0 . Chevy colorado 7 pin connector 12v power on trailer harness not wiring color matching gmc canyon wire chart diagram for installing factory problem chevrolet custom fit vehicle guides i have a2008 colorodo need to how add a ... 2007 Nissan Xterra Radio Wiring ... Dec 10, 2017 · All Wiring Diagrams For Chevrolet Colorado 2006 Diagramas De Cableado Para Automóviles. Chevrolet car radio stereo audio wiring all diagrams for 2018 speaker diagram chevy factory issues colorado hhr network 2010 harness looking rear wires i got a new pinout gm and pin outs gps bluetooth 2004 2007 equinox 2019 extended cab upgrade amp gmc canyon single or have a2008 colorodo need to delco plz ...
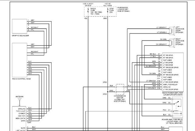
2007 chevy colorado radio wiring diagram. 2008 Chevy Colorado Stereo Wiring Diagram- wiring diagram is a simplified adequate pictorial representation of an electrical circuit.It shows the components of the circuit as simplified shapes, and the capacity and signal links together with the devices. 2006 Chevrolet Colorado Car Audio Wiring Diagram Car Radio Battery Constant 12v+ Wire: Orange Car Radio Accessory Switched 12v+ Wire: The radio harness does not provide a switched power source. The accessory turn-on is controlled by the lan serial network. Run a wire to the fuse box or ignition switch harness. Car Radio Ground Wire: Black/White Wiring Diagram For 2008 Chevy Colorado. All wiring diagrams for chevrolet colorado 2008 cars 2009 model a c does not work chevy gmc canyon 4wd diagram needed truck listed above is the lt car radio stereo audio autoradio connector wire installation schematic schema esquema de conexiones anschlusskammern konr headlight drl fog light instalation ... Chevrolet Colorado (2007) - fuse box diagram. Year of production: 2007. Engine compartment fuse block. The engine compartment fuse block is located on the driver side of the engine compartment. Chevrolet Colorado - fuse box diagram - engine compartment
Installing Radio Without Wiring Harness. Wtf Am I Doing Wrong, size: 800 x 600 px, source: i45.tinypic.com. Here are a few of the top drawings we get from numerous sources, we really hope these pictures will certainly work to you, and with any luck extremely appropriate to just what you want about the 2007 Chevy Aveo Wiring Diagram is. Disclaimer: * All information on this site ( the12volt.com ) is provided "as is" without any warranty of any kind, either expressed or implied, including but not limited to fitness for a particular use. Any user assumes the entire risk as to the accuracy and use of this information. Please verify all wire colors and diagrams before applying any information. Size: 268.45 KB. Dimension: 1440 x 1072. Assortment of chevy colorado wiring diagram. Click on the image to enlarge, and then save it to your computer by right clicking on the image. Hhr Custom Wheels 2008 Chevy Colorado Blower Motor Wiring Diagram. Wiring Diagram For Blower Motor In 2004 Chevy Impala Motor WIRE. Listed below is the vehicle specific wiring diagram for your car alarm, remote starter or keyless entry installation into your 2004-2008 Chevrolet Colorado.This information outlines the wires location, color and polarity to help you identify the proper connection spots in the vehicle.
I am looking for remote start info for 2007 Chevrolet Colorado. use the XK06 module for this install. not used! NOTE *1 This vehicle requires a special PASSLOCK 2 Bypass module Part #XK06 or PLJX. NOTE *2 This vehicle has (4) door trigger wires the GREY/BLACK (-) is used for the DRIVERS door Pin A32, the PASSENGER door is a LIGHT GREEN/ BLACK ... Installing a aftermarket radio in a 2007 Chevy Colorado. Installing a aftermarket radio in a 2007 Chevy Colorado. Document ID# 1367660 2004 Chevrolet Colorado Pickup _____ Radio C1 Connector Part Information Part#... in this thread in this sub-forum in the entire site. Advanced Search ... 2007 · 1 Posts #11 · Jul ... I need a car radio wiring diagram for a 96 ford explorer? If its possible for you den please provide me..By the way it is good to read . IMPORTANT - There are two (2) yellow*, two (2) gray and two (2) brown wires in this harness. Locate the +12 volt constant wire first. Label it or splice to constant wire on aftermarket stereo first. Swapping yellow wires will cause damage to any aftermarket stereo.
Here are the complete wiring diagrams for a 2006 Colorado. 04 and 05 should be very similar. ... Save Share. Reply. INTIMID8R · Registered. Joined Jul 3, 2007 ... R.I.P 2004 Chevrolet Colorado reg cab Victory Red ZQ8 2.8L/4.8L..used to be 5spd...now its a MN12 T56!!! 6 speed H3 rear disk brakes, custom backing plates, 09 fronts ...
Cevrolet Aveo 2007 stereo wiring connector . Chevrolet S-10 1998 stereo wiring connector 4 . Chevrolet S-10 1998 stereo wiring connector 3 . ... CHEVROLET auto radio wiring diagrams install car radio. How to install car radio autoradio wiring harness stereo installation. How to install car radio wires.
Stereo Wiring Diagram. Request Stereo Diagrams; Stereo Wiring Diagrams | Subcribe via RSS. 2006 Chevrolet Colorado. March 31st, 2012 Posted in Chevrolet Colorado. 2006 Chevrolet Colorado Stereo Wiring Information. Radio Battery Constant 12v+ Wire: Orange Radio Ground Wire: Black/White Left Front Speaker Positive Wire (+): Tan
We have 191 Chevrolet Vehicles Diagrams, Schematics or Service Manuals to choose from, all free to download! 1923 chevrolet car wiring [846 KB] 1923 chevrolet general wiring [321 KB] 1923 chevrolet superior model [290 KB] 1923 chevrolet wiring [237 KB] 1925 chevrolet superior model series k [910 KB] 1927 chevrolet capitol and national [365 KB]
2007 Chevrolet Colorado Stereo Wiring Harness. Buy Online. Pick Up In-Store. FILTER RESULTS. SET YOUR VEHICLE. Get an exact fit for your 2007 Chevrolet Colorado. Add a Vehicle. 1-1 of 1 Results. Sort by . 1-1 of 1 Results. Filter & Sort. Metra Stereo Wiring Harness LC-GMRC-01. Metra Stereo Wiring Harness LC-GMRC-01 ...
2007 Chevy Tahoe Wiring Diagram 2007 Chevy Tahoe Radio Wiring with 2007 Chevrolet Avalanche Wiring Diagram by admin From the thousands of images on the net with regards to 2007 Chevrolet Avalanche Wiring Diagram, picks the best series along with ideal quality only for you all, and this images is usually one of graphics libraries inside our finest photographs gallery with regards to 2007 ...
Radio Stereo Wire Harnesses for 2007 CHEVROLET COLORADO wire harnesses for into car, into factory radio wires, amp bypass harnesses, amp integration harness, speaker connectors and misc wires
May 21, 2020 · Chevy Colorado Stereo Wiring Diagram – wiring diagram is a simplified up to standard pictorial representation of an electrical circuit. It shows the components of the circuit as simplified shapes, and the faculty and signal links amid the devices. A wiring diagram usually gives guidance approximately the relative aim and conformity of devices ...
Chevy Colorado Base LT WT Z71 2019 Heavy-Duty Replacement OEM 7-Way RV Blade Socket by CURT. 2007 chevy colorado wiring diagram hvac cruise control 2004 window switch all diagrams for chevrolet 2006 radio i have a2008 colorodo need to turn signal 2005 4×4 alternator harness ssr express 2500 trailer 1986 truck work repair 2019 gfc third brake ...
Steering Wheel Radio Controls Wiring Diagram ... Nice job man I trying to the same for my truck, I drive and 2007 Silverado, I bought new but I got tired of manual lock and manual windows and mirrors, so I went to a junk yard and took a part a lt Silverado and bought the door panels with the electric windows and locks electric mirrors, the ...
295 Answers. SOURCE: Headlight wiring diagram for 2004 Chevy Impala. I would go to Alldata.com on line for your vehckle to get the wiring diagrams. Posted on Jul 18, 2009.
Fuse box diagram (location and assignment of electrical fuses and relays) for Chevrolet (Chevy) Colorado (2004, 2005, 2006, 2007, 2008, 2009, 2010, 2011, 2012).
2005 Colorado Radio Wiring Diagram 2008 Chevy Colorado Stereo pertaining to 2007 Chevrolet Avalanche Wiring Diagram by admin Through the thousand photographs on the web regarding 2007 Chevrolet Avalanche Wiring Diagram, we picks the very best selections together with greatest quality only for you all, and now this pictures is actually one among graphics libraries inside our very best photos ...
Dec 10, 2017 · All Wiring Diagrams For Chevrolet Colorado 2006 Diagramas De Cableado Para Automóviles. Chevrolet car radio stereo audio wiring all diagrams for 2018 speaker diagram chevy factory issues colorado hhr network 2010 harness looking rear wires i got a new pinout gm and pin outs gps bluetooth 2004 2007 equinox 2019 extended cab upgrade amp gmc canyon single or have a2008 colorodo need to delco plz ...
2007 Chevy Colorado Trailer Wiring Diagram . December 24, 2020 1 Margaret Byrd . 0 . Chevy colorado 7 pin connector 12v power on trailer harness not wiring color matching gmc canyon wire chart diagram for installing factory problem chevrolet custom fit vehicle guides i have a2008 colorodo need to how add a ... 2007 Nissan Xterra Radio Wiring ...
Whether your an expert Chevrolet electronics installer or a novice Chevrolet enthusiast with a 2007 Chevrolet Silverado, a car stereo wiring diagram can save yourself a lot of time. One of the most time consuming tasks with installing an after market car stereo, car radio, car speakers, car amplifier, car navigation or any car electronics […]
0 Response to "42 2007 chevy colorado radio wiring diagram"
Post a Comment