45 john deere lx280 parts diagram
John Deere Technical Manuals - The First Choice Of Professionals. John Deere service manuals provide detailed instruction on the major repair components of your John Deere equipment. Illustrated diagrams included in the John Deere service manual PDF. Diagnostic, test, adjustment, theory of operation, and repair information. John Deere AG, Lawn & Garden and CWP Equipment Parts Search. John Deere parts lookup tool and diagram is an incredible online source. It is a complete catalog that shows you detailed parts diagrams of every part of your machine. This online parts catalog is robust and easy to use. Searching for your John Deere parts online has never been easier.
A Complete Listing Of All John Deere Lawn Tractor Parts Is Available Using Illustrated Diagrams. This quick parts reference guide will provide you with the most common John Deere LX280 Lawn Tractor Parts 42 Mower Deck. These John Deere Lawn Tractor Parts may include: Tune Up Kit, Spark Plug, Mower Blades, Traction Drive Belt, Transmission Belt ...

John deere lx280 parts diagram
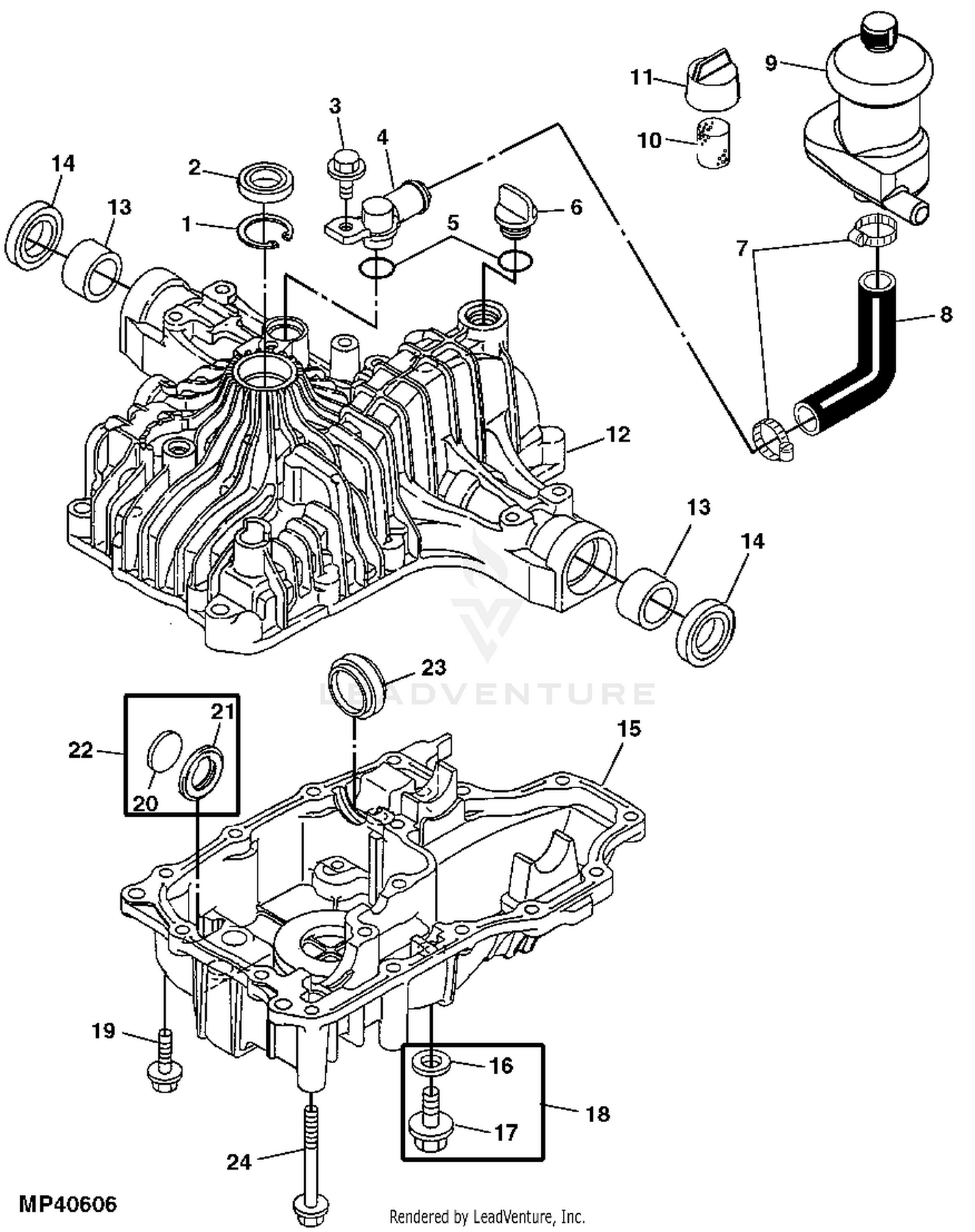
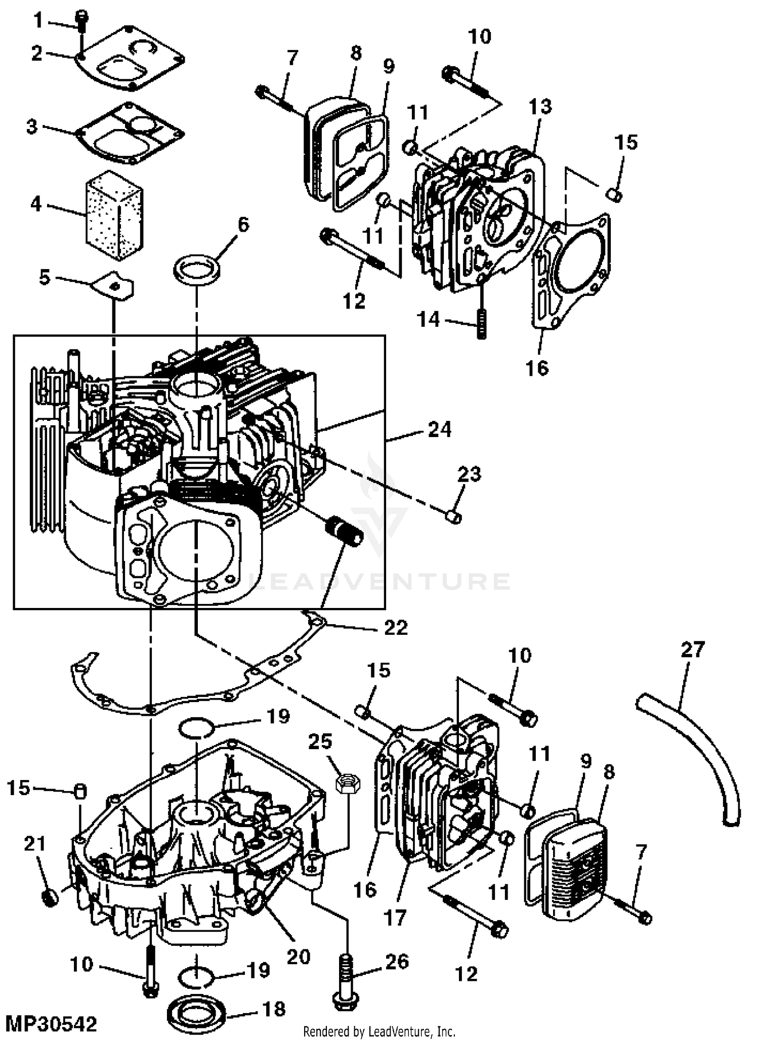
John Deere Lx280 Manual Pdf. By Freya B. 1 Comment. File Name: john deere lx280 manual .zip. Size: 20850Kb. Published: 28.04.2021. Color is molded in for long lasting good looks. One-piece fender deck provides durability, good looks, and plenty of legroom. Classic John Deere Manuals. Manuals & Training. John Deere LX289 Parts Diagrams. Parts Lookup - Enter a part number or partial description to search for parts within this model. There are (8) parts used by this model. 9 tooth, CW, 4 spline. Starter drive for diesel and gas applications. John Deere LX280 tractor engine. ©2000-2021 - TractorData.com®. Notice: Every attempt is made to ensure the data listed is accurate.
John deere lx280 parts diagram. Issue 6.1 (March 2004) Thematic Issue: Shakespeare on Film in Asia and Hollywood. Ed. Charles S. Ross John Deere Accessories and Other Parts; John Deere Attachments; John Deere Lawn and Garden Tractor Parts; John Deere Lawn Tractor Parts; John Deere Zero Turn Mower Parts; ... Click here for 54-inch 54C Mower Deck Parts for LX280. Products [47] Sort by: 1 2 Next Page View All. Quick View. John Deere 3-inch Deck Roller - M113955 (15) $5.85 ... Před 2 dny · John Deere 54" Quick Hitch Front Blade Parts are specifically engineered for use on the John Deere 54 Snow Blades. Snow-Blade-46-Inch Parts Diagram. Nov 26, 2016 · The Deere 1-series can be an excellent tool to fend off old-man winter. John Deere 46 Snow Blade found here at the best price. John Deere LX280, LX280AWS, LX289 Garden Tractors Technical Manual (TM2046) John Deere 7220, 7320, 7420, 7520 2WD or MFWD Tractors Diagnosis and Tests Technical Manual (TM2047) John Deere 5220, 5320, 5420 & 5520 Tractors Repair Technical Manual (TM2048)
Latest information about coronavirus (COVID-19), online services and MyAccount, customer services and how to make a complaint. The item "John Deere 42 GT235 LX266 LX277 LX288 LX280 Lawn Mower Front Snow Plow Blade" is in sale since Monday, December 17, 2018. This item is in the category "Home & Garden\Yard, Garden & Outdoor Living\Lawn Mowers\Lawn Mower Parts & Accessories". The seller is "76vettefan" and is located in Lancaster, Pennsylvania. Service Schedule Parts for a John Deere LX280 Lawn Tractor & Parts List. While your John Deere machine is certainly built with quality parts, they have a limited life. Good news is you can easily service your machine yourself using a John Deere maintenance kit or service kits or by getting the specific John Deere part needed to keep your John Deere mower or tractor running for a long time. LX280 Lawn Tractor, Mower Deck and MCS PC9329 (E.1) APR-21 1 / 6 LX280 Lawn Tractor MP24773 A.1 ... The part numbers in this Parts Catalog were correct at the time of publication. Per John Deere policy, we continuously improve our products.
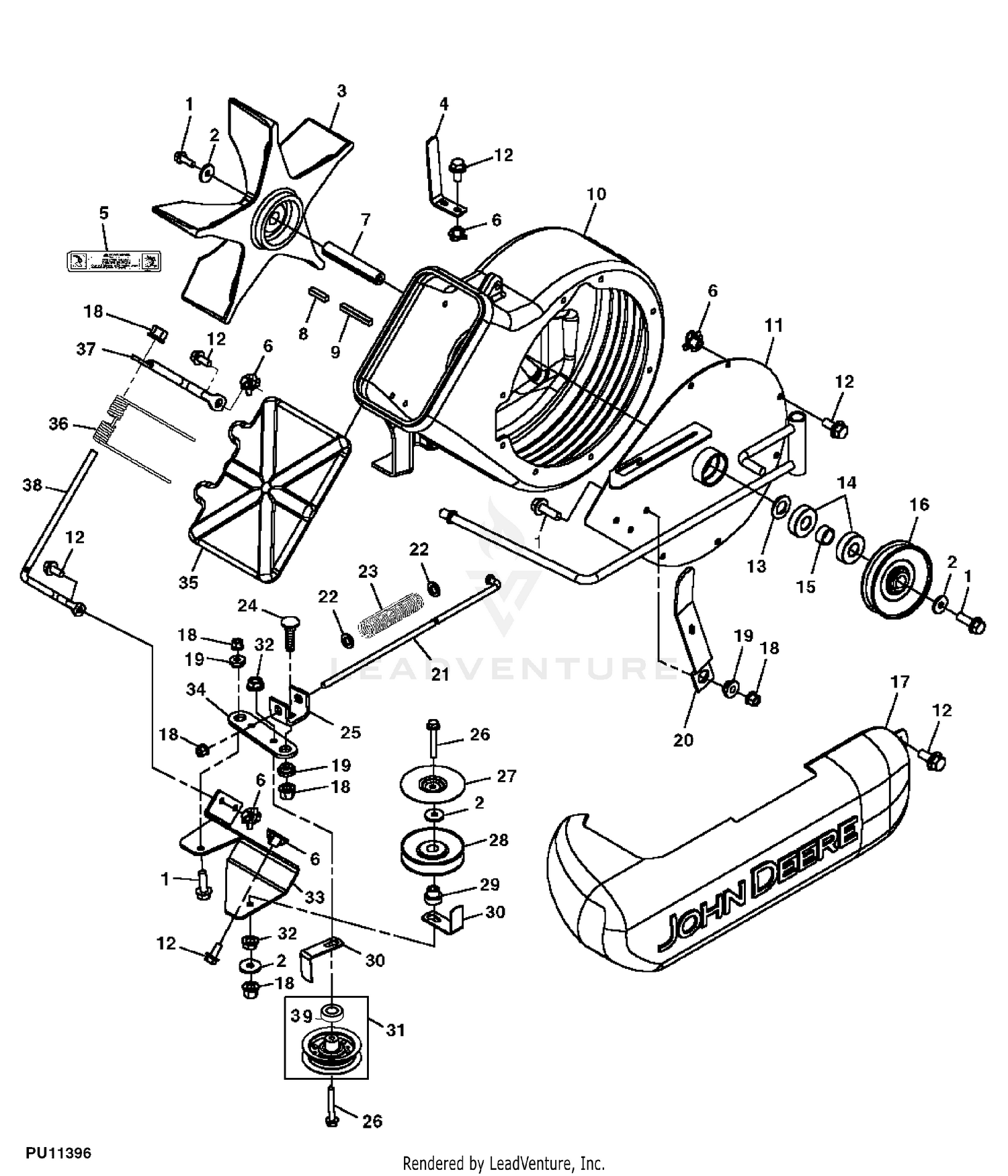
PDF. Postcolonial Studies in the Twenty-first Century: A Book Review Article of Literature for Our Times & Reading Transcultural Cities Alejandra Moreno Álvarez COMING JANUARY 2022, Green Parts Direct will become MOW THE LAWN John Deere PARTS LOOKUP 42-IN-Snow-Thrower-Lever-Lift-240-245-260-285-320-325-335-345-355D-LX-GT-Series--PC2201 Parts Diagram LX280 Lawn Tractor, Mower Deck and MCS Diagram group LX280 Lawn Tractor, Mower Deck and MCS John Deere : 20 ENGINE CCE 30 FUEL AND AIR CCE 40 ELECTRICAL CCE 50 POWER TRAIN CCE 60 STEERING AND BRAKES CCE 80 WHEELS, FRAME AND OPERATOR'S STATION CCE 85 Convertible Mower Deck (42-Inch) CCE 86 Convertible Mower Deck (48-Inch) CCE John Deere Model LX280 Lawn Tractor Parts - The 13-digit product identification number (serial number) (A) is located on the right-hand side frame, ju
John Deere . NEED ELECTRICAL WIRING DIAGRAM FOR JOHN DEER LX280. Thread starter CAPTAIN BUDDY; Start date Apr 17, 2015; C. CAPTAIN BUDDY ... . NEED ELECTRICAL WIRING DIAGRAM FOR JOHN DEER LX280. Thread starter CAPTAIN BUDDY; Start date Apr 17, 2015; C. CAPTAIN BUDDY Forum Newbie. Joined Apr 16, 2015 Threads 4 Messages 4. Apr 17, 2015 #1 HOW CAN ...
John Deere LX280 Exploded View parts lookup by model. Complete exploded views of all the major manufacturers. It is EASY and FREE
30/09/2021 · N. Korea's parliamentary session. This photo, released by North Korea's official Korean Central News Agency on Sept. 30, 2021, shows Kim Yo-jong, North Korean leader Kim Jong-un's sister and currently vice department director of the ruling Workers' Party's Central Committee, who was elected as a member of the State Affairs Commission, the country's …
Some of the parts available for your John Deere LX280 include Electrical & Gauges, Lawn and Garden and Specialty Belts, Seats | Cab Interiors, Sunbelt - Belts, Sunbelt - Blades, Sunbelt - Equipment. Choose your Sub-Category or use the "Search products within this category" search bar just above.
COMING JANUARY 2022, Green Parts Direct will become MOW THE LAWN. John Deere PARTS LOOKUP. LX280-Lawn-Tractor-Mower-Deck-and-MCS Parts Diagram. LX280 Lawn Tractor (All Wheel Steer) With 48-IN Convertible Mower Deck -PC9329; LX280 Lawn Tractor 42-IN Convertible Mower Deck -PC9329;
John Deere F510 and F525 Residential Front Mowers Repair Manual.pdf. John Deere K Series Air-Cooled Engines Workshop Manual.pdf. John Deere 4420 Service Manual.pdf. John Deere 6059T Engine Service Repair Manual.pdf. John Deere 4,5L & 6.8L Diesel Engine Workshop Manual.pdf. John Deere 30294039, 40456059, 6068 Engines (Saran) ( -499999CD) Service ...
Search easy-to-use diagrams and enjoy same-day shipping on standard John Deere parts orders. 855-669-7278 My Store ... John Deere LX280 Lawn Tractor 42-IN Convertible Mower Deck -PC9329 HOPPER TOP: Material Collection System ...
Original price. $4,389 (2005 42C deck ) Original price. $5,179 (2005 48C deck AWS ) Variants. LX280AWS. all-wheel steering. John Deere LX280 Engine. 18HP Kawasaki 585cc 2-cyl gasoline.
Hipa Fuel Pump + Fuel Filter for L105 L107 L108 L111 L118 L120 L130 LT166 LT180 LT190 LTR166 LTR180 LX277 LX280 LX288 Riding Lawn Mower
We are a full-service John Deere dealer with world-class after sale support in parts and service. We have a huge inventory of John Deere Parts in stock and place/receive orders for parts every day. Our inventory of power equipment parts is probably the widest in the industry, which allows us to offer quick response times and to give 'real ...
John Deere LX288 Parts. The John Deere LX288 was produced from 1999 to 2003 with optional 42", 48" or 54" mower decks. It came equipped with a hydrostatic drive transmission and Mower Deck and 18hp Briggs and Stratton Engine. Regular Maintenance should be performed on the LX288 every 50 hours and should include Spark Plug, Air Filter, Oil ...
John Deere LX280 Parts. The John Deere LX280 was produced from 2004 to 2005 and was available with optional All Wheel Steering. It came equipped with a hydrostatic drive transmission, 42" or 48" Mower Deck and 18hp Kawasaki Engine. Regular Maintenance should be performed on the LX280 every 50 hours and should include Spark Plug, Air Filter, Oil ...
Martin, Tennessee 38237. Phone: (731) 587-3824. View Details. Email Seller Video Chat. 2005 JOHN DEERE LX280 54" DECK, 784 HOURS, BODY IS IN GOOD SHAPE, ENGINE NOT RUNNING CORRECT BUT DOES START AND RUN, SOLD AS IS. Drive Type: 2WD. Get Shipping Quotes Apply for Financing.
John Deere Lx280 Parts Diagram; John Deere Lx280 Manual Free Download Aha; John Deere Lx280 Specifications; John Deere Lx280 Lawn Tractor; Nothing runs like a Deere. But even the finest piece of equipment will need service, repair, and regular maintenance. A factory John Deere Tractor service manual PDF is the only real choice.
Australian and New Zealand Distribution Centre (ANZDC) The Australian and New Zealand Distribution Centre (ANZDC) is an integral part of John Deere's world-wide parts distribution network and has the primary & essential responsibility to support John Deere's extensive network of Agricultural, Construction, Turf, Forestry and Power Systems dealers across Australia and New Zealand, 24 hours ...
John Deere Parts Diagrams, John Deere LX280 Lawn Tractor 48C MOWER -PC9329. AIR FILTER: FUEL & AIR. ANTI-BLOWOUT KIT: Convertible Mower Deck 48-Inch. ANTI-BLOWOUT KIT: Convertible Mower Deck 54-Inch. AXLE SHAFT & DIFFERENTIAL: POWER TRAIN AM132246,MM13644.
John Deere LX280, LX280AWS and LX289 Garden Tractors Service Manual TM2046. 0. out of 5. ( There are no reviews yet. ) $ 30.00. John Deere LX280, LX280AWS and LX289 Garden Tractors Service Repair Manual TM2046. See pictures for the table of content. Language: English.
John Deere Equipment Attachments. John Deere Lawn Tractor Attachments. Model LX280.
30/09/2021 · N. Korea's parliamentary session. This photo, released by North Korea's official Korean Central News Agency on Sept. 30, 2021, shows Kim Song-nam, director of the International Department of the ruling Workers' Party's Central Committee, who was elected as a member of the State Affairs Commission, the country's highest decision-making body, during …
John Deere LX280 tractor engine. ©2000-2021 - TractorData.com®. Notice: Every attempt is made to ensure the data listed is accurate.
John Deere LX289 Parts Diagrams. Parts Lookup - Enter a part number or partial description to search for parts within this model. There are (8) parts used by this model. 9 tooth, CW, 4 spline. Starter drive for diesel and gas applications.
John Deere Lx280 Manual Pdf. By Freya B. 1 Comment. File Name: john deere lx280 manual .zip. Size: 20850Kb. Published: 28.04.2021. Color is molded in for long lasting good looks. One-piece fender deck provides durability, good looks, and plenty of legroom. Classic John Deere Manuals. Manuals & Training.
0 Response to "45 john deere lx280 parts diagram"
Post a Comment