Iklan 300x250

42 poulan riding mower parts diagram

Mr mower parts deck rebuild kit for craftsman poulan Husqvarna included 2 heavy duty spindles 130794, 2 mulcher blades 134149, 2 pulleys 173436, deck belt 144959 95" 4.4 out of 5 stars 1,437 $94.95 $ 94 . 95 Jan 16, 2019 · Lawn Mower Belts. Find the right replacement belt for your riding mower or tractor. Shop for Poulan Lawn Mower parts today, from 532087877 to 873800500!. We recommend you refer to model specific diagrams for appropriate uses and . We are here to help – over 324 genuine Poulan repair and replacement parts. Parts Diagrams (12).

Poulan PP20H46A Tractor Mower Deck Exploded View parts lookup by model. Complete exploded views of all the major manufacturers. It is EASY and FREE.

Poulan riding mower parts diagram

Poulan riding mower parts diagram

Mr mower parts deck rebuild kit for craftsman poulan Husqvarna included 2 heavy duty spindles 130794, 2 mulcher blades 134149, 2 pulleys 173436, deck belt 144959 95". 4.3 out of 5 stars. 1,293. $80.96. $80. . Poulan PPG42 - Exploded View parts lookup by model. Complete exploded views of all the major manufacturers. It is EASY and FREE. Poulan lawn tractor PO mower belt and drive belt part number I have a Poulan lawn tractor PO I need to know the part number for the mower belt and the drive belt. . To keep your riding mower in peak performance ... Poulan Repair Parts available online from Lawn Mower Pros. We carry a large selection of Replacement Parts for Poulan Chainsaws, Garden Tractors, Lawn Mowers, Tillers and More. If you do not see the Poulan Part you need, please complete the Lawn Mower Parts Request Form and we will be happy to assist you. Poulan Illustrated Parts Diagrams.

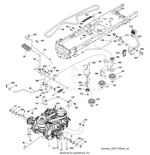
Poulan riding mower parts diagram. Poulan Exploded View parts lookup by model. ... Parts lookup for Poulan power equipment is simpler than ever. ... 954570857 TRACTORS/RIDE MOWERS. Description: 31 Poulan Riding Mower Parts Diagram – Dzmm with regard to Poulan Pro Riding Mower Parts Diagram, image size 590 X 443 px, and to view image details please click the image.. Here is a picture gallery about poulan pro riding mower parts diagram complete with the description of the image, please find the image you need. Part Number: 596434404. In Stock, 25+ available. A genuine Husqvarna replacement part, sold individually. Bolt is 3/8-16 X 3-5/8. It is commonly used in riding mowers to keep the gauge wheel in place. It is compatible with the riding mowers listed below. Wrench needed for install. Poulan 96046002200 front-engine lawn tractor parts - manufacturer-approved parts for a proper fit every time! We also have installation guides, diagrams and manuals to help you along the way!

Poulan repair parts and parts diagrams for Poulan PP 105G30 (960220027-01) - Poulan Lawn Tractor (2016-08) Part Number: 532009040. In Stock, 25+ available. This is an OEM part sourced directly from the manufacturer. This part made of metal and is sold individually. It is commonly used in riding mowers to secure the wheel in place. It is compatible with the riding mowers listed below. See All Popular Poulan Lawn Mower Parts. Poulan PO14538LT - 96048002200 (2012-02) Exploded View parts lookup by model. Complete exploded views of all the major manufacturers. It is EASY and FREE. Poulan PP20VA46-96046007900 front-engine lawn tractor parts - manufacturer-approved parts for a proper fit every time! We also have installation guides, diagrams and manuals to help you along the way!

Poulan PP175G42 - 96046007500 (2015-08) Exploded View parts lookup by model. ... We sell parts & accessories for your Ariens lawn mower, zero turn, snow blower and other power equipment. See: Ariens exploded parts diagrams. We sell parts & accessories for your Briggs & Stratton equipment. We also carry New ... Poulan PP19H46 - 96042019000 (2015-08) Exploded View parts lookup by model. Complete exploded views of all ... Found on Diagram: MOWER DECK / CUTTING DECK. Parts lookup and repair parts diagrams for outdoor equipment like Toro mowers, Cub Cadet tractors, Husqvarna chainsaws, Echo trimmers, Briggs engines, etc. Decal-Mower V-Belt Schematic. $ Part Number: In Stock, 1 Available. Poulan Pro riding mowers are backed by a 2-year limited warranty so you can feel confident behind your lawn investment. Plus, models with a reinforced deck featured a 10 year limited warranty on the deck and last but not least, mowers that feature a fast automatic transmission ...

Poulan PP175G42 96046007500 (2015-08) Riding Mower

Poulan PP175G42 96046007500 (2015-08) Riding Mower

Poulan Pro Lawn Mower Carburetor Diagram. Author. Evelyn Posted on January 16, 2019. January 16, 2019. Poulan Illustrated Parts Diagrams available online and ready to ship direct to your door. Free tech. 2006. POULAN PRO, RIDING MOWER, 7177A89, Parts List. Enter text, product or part number to search for.

Poulan Power Propelled Rotary Lawn Mower | PR6Y22CHA ...

Poulan Power Propelled Rotary Lawn Mower | PR6Y22CHA ...

Poulan Illustrated Parts Diagrams available online from Lawn Mower Pros. We have a large selection of Poulan Illustrated Parts Diagrams to cover your Poulan Lookup needs. If you do not see the Poulan Parts you need, please complete the Lawn Mower Parts Request Form and we will be happy to assist you.

Poulan Rotary Lawn Mower | PR600Y22SHP | eReplacementParts.com

Poulan Rotary Lawn Mower | PR600Y22SHP | eReplacementParts.com

Mtd riding mower wiring diagram with yard machine on mtd ride on mtd riding lawn mower wiring diagram. Riding mowers snow blowers tillers trimmers zero turn mowers. By using this site you agree to our use of cookies. Search poulan pro owner s manuals illustrated parts lists and more. If you do not see the poulan parts you need please complete ...

Poulan PP19A42 96046007700 (2015-08) Riding Mower

Poulan PP19A42 96046007700 (2015-08) Riding Mower

Blowers · Chainsaws · Hedge Trimmers · Lawn Mowers · Pole Saws · Riding Mowers · Snow . Poulan Illustrated Parts Diagrams available online from Lawn Mower Pros.. . 2010. POULAN PRO, RIDING MOWER, 7227549 – PB195H42LT, Parts List. Shop for Poulan Lawn Mower parts today, from 532087877 to 873800500! Find genuine. 380ZX.

Poulan PP20H46A Tractor Parts Diagram for Mower Deck

Poulan PP20H46A Tractor Parts Diagram for Mower Deck

Poulan Pole Pruners/Pole Saws. Poulan Pro Pole Pruners and Pole Saws. Poulan Riding Mowers-Tractors. Poulan Pro Tractors. Poulan Trimmers and Edgers. Poulan Pro Trimmers and Edgers. Poulan Blowers. Poulan Pro Blowers. Poulan Walk Behind Mowers.

Poulan Pro 461 ZX (966681801) - Poulan Pro 46

Poulan Pro 461 ZX (966681801) - Poulan Pro 46" Zero-Turn ...

Poulan PP19A42 - 96046007700 (2015-08) Exploded View parts lookup by model. Complete exploded views of all the major manufacturers. It is EASY and FREE.

SPARE PARTS LIST

SPARE PARTS LIST

Shop great deals on Poulan Riding Mower Indiana Lawn Mower Parts & Accessories. Get outdoors for some landscaping or spruce up your garden! Shop a huge online selection at eBay.com. Fast & Free shipping on many items!

Poulan Walk Behind Lawn Mower | PR550Y22SHP ...

Poulan Walk Behind Lawn Mower | PR550Y22SHP ...

Riding Mower Parts and Accessories Riding Mower Parts & Accessories Tractor Blades. Find replacement blades or additional blades to enhance your riding mower or tractor. No_Results_Product_List. View large image 30" High Lift Blade . 30" High Lift Blade ... Connect with us and other Poulan Pro fans. Keep up with Poulan Pro!

Poulan Pro 961420122 22

Poulan Pro 961420122 22" Self Propelled Lawn Mower

The all-new Poulan Pro PP11G30 rear engine riding mower packs a lot of punch for its compact size. It's equipped with Poulan Pro's newest 352cc POWER Series overhead valve engine that's engineered for excellent balance and low vibration, and features heavy-duty components for added durability and extended life. With the engine located in the back of the mower, there's better visibility when ...

Poulan Pro Riding Mowers PP175G42

Poulan Pro Riding Mowers PP175G42

The best way to find parts for Poulan riding mower tractor model PB1638LT is by clicking one of the diagrams below. You can also browse the most common parts for Poulan riding mower tractor model PB1638LT.

POULAN PRO PB30 OPERATOR'S MANUAL Pdf Download | ManualsLib

POULAN PRO PB30 OPERATOR'S MANUAL Pdf Download | ManualsLib

The best way to find parts for Poulan riding mower tractor model PO15538LT is by clicking one of the diagrams below. You can also browse the most common parts for Poulan riding mower tractor model PO15538LT.

Poulan Rotary Lawn Mower | 961240002 | eReplacementParts.com

Poulan Rotary Lawn Mower | 961240002 | eReplacementParts.com

Poulan PP20VA46 - 96042018800 (2015-08) Exploded View parts lookup by model. Complete exploded views of all the major manufacturers. It is EASY and FREE.

SOLVED: Poulan Pro PB195H42LT Product # - Fixya

SOLVED: Poulan Pro PB195H42LT Product # - Fixya

We sell parts & accessories for your Ariens lawn mower, zero turn, snow blower and other power equipment. ... POULAN PRO Parts Diagrams 952711930 TRIMMERS/EDGERS. 952711931 TRIMMERS/EDGERS. 954570857 TRACTORS/RIDE MOWERS. BLOWERS. CHAIN SAWS. CULTIVATORS/TILLERS.

Poulan PO17542LT Parts Manual | Manualzz

Poulan PO17542LT Parts Manual | Manualzz

Description: Poulan Riding Mower Parts Diagram – All Image Wiring Diagram in Poulan Riding Mower Parts Diagram, image size 480 X 300 px, and to view image details please click the image.. Here is a picture gallery about poulan riding mower parts diagram complete with the description of the image, please find the image you need.

42

42" Deck Rebuild Kit Poulan Pro PP19A42 XT195H42LT

Parts lookup and repair parts diagrams for outdoor equipment like Toro mowers, Cub Cadet tractors, Husqvarna chainsaws, Echo trimmers, Briggs engines, etc.

Amazon.com : Poulan Pro 960420174 PB24VA54 Kohler V-Twin 24 ...

Amazon.com : Poulan Pro 960420174 PB24VA54 Kohler V-Twin 24 ...

Poulan Riding Lawn Mower Wiring Diagram ~ thanks for visiting our site, this is images about poulan riding lawn mower wiring diagram posted by Benson Fannie in Poulan category on Nov 08, You can also find other images like wiring diagram, parts diagram, replacement parts, electrical diagram, repair manuals, engine diagram, engine scheme.

Poulan PB301 96022002600 (2014-11) Riding Mower

Poulan PB301 96022002600 (2014-11) Riding Mower

Poulan Repair Parts available online from Lawn Mower Pros. We carry a large selection of Replacement Parts for Poulan Chainsaws, Garden Tractors, Lawn Mowers, Tillers and More. If you do not see the Poulan Part you need, please complete the Lawn Mower Parts Request Form and we will be happy to assist you. Poulan Illustrated Parts Diagrams.

Poulan PP175G42 96046007500 (2015-08) Riding Mower

Poulan PP175G42 96046007500 (2015-08) Riding Mower

Poulan PPG42 - Exploded View parts lookup by model. Complete exploded views of all the major manufacturers. It is EASY and FREE. Poulan lawn tractor PO mower belt and drive belt part number I have a Poulan lawn tractor PO I need to know the part number for the mower belt and the drive belt. . To keep your riding mower in peak performance ...

POULAN PRO PO17542LT PARTS MANUAL Pdf Download | ManualsLib

POULAN PRO PO17542LT PARTS MANUAL Pdf Download | ManualsLib

Mr mower parts deck rebuild kit for craftsman poulan Husqvarna included 2 heavy duty spindles 130794, 2 mulcher blades 134149, 2 pulleys 173436, deck belt 144959 95". 4.3 out of 5 stars. 1,293. $80.96. $80. .

How to remove mower deck on a Poulan Pro Lawn Tractor

How to remove mower deck on a Poulan Pro Lawn Tractor

Poulan PB22H46YT - 96042013801 (2011-07) Parts Diagram for ...

Poulan PB22H46YT - 96042013801 (2011-07) Parts Diagram for ...

Amazon.com : Poulan Pro PB17542LT 17.5 HP 6-Speed Lawn ...

Amazon.com : Poulan Pro PB17542LT 17.5 HP 6-Speed Lawn ...

Poulan PRO PB301 Briggs & Stratton 30 in. 10.5 HP 4-Speed ...

Poulan PRO PB301 Briggs & Stratton 30 in. 10.5 HP 4-Speed ...

Poulan Riding Hydro Lawn Tractor PR185H42STF & Mower Deck Owner & Parts  Manual | eBay

Poulan Riding Hydro Lawn Tractor PR185H42STF & Mower Deck Owner & Parts Manual | eBay

IPL, POULAN PRO, PXT175G42, 2011-04, 532441087, NAen ...

IPL, POULAN PRO, PXT175G42, 2011-04, 532441087, NAen ...

IPL,POULAN PRO,PR600N21RH,2008,961320023 | Manualzz

IPL,POULAN PRO,PR600N21RH,2008,961320023 | Manualzz

Poulan PRO PP175G42 Lawn Tractor Service Parts Manual 0249 ...

Poulan PRO PP175G42 Lawn Tractor Service Parts Manual 0249 ...

Poulan PP19A42 96046007700 (2015-08) Riding Mower

Poulan PP19A42 96046007700 (2015-08) Riding Mower

Poulan PP19A42 - 96042018700 (2015-08) Parts Diagram for ...

Poulan PP19A42 - 96042018700 (2015-08) Parts Diagram for ...

Poulan Pro Riding Mowers PP11G30

Poulan Pro Riding Mowers PP11G30

Details about Carburetor Carb For Poulan Pro Riding Mowers PP175G42 w/ B&S  17.5 HP engine

Details about Carburetor Carb For Poulan Pro Riding Mowers PP175G42 w/ B&S 17.5 HP engine

Poulan Prk17H42Sta 2000 01S Owners Manual OM, PRK17H42STA, 01 ...

Poulan Prk17H42Sta 2000 01S Owners Manual OM, PRK17H42STA, 01 ...

Poulan Pro Riding Mowers PP19H42

Poulan Pro Riding Mowers PP19H42

Poulan Pro PR625Y22RKP 22-Inch 190cc Briggs | Briggs ...

Poulan Pro PR625Y22RKP 22-Inch 190cc Briggs | Briggs ...

Poulan PP19A42 96046007700 (2015-08) Riding Mower

Poulan PP19A42 96046007700 (2015-08) Riding Mower

POULAN PRO PRO PB22H46YT REPAIR PARTS MANUAL Pdf Download ...

POULAN PRO PRO PB22H46YT REPAIR PARTS MANUAL Pdf Download ...

Poulan PP750P Mower Parts Diagrams

Poulan PP750P Mower Parts Diagrams

Poulan Pro Riding Mowers PP19A42

Poulan Pro Riding Mowers PP19A42

Page 2 of Poulan Pro Lawn Mower 96134000800 User Guide ...

Page 2 of Poulan Pro Lawn Mower 96134000800 User Guide ...

SOLVED: I need a wiring diagram for a poulan mower model - Fixya

SOLVED: I need a wiring diagram for a poulan mower model - Fixya

Poulan Lawn Mower | PR625Y22RKP | eReplacementParts.com

Poulan Lawn Mower | PR625Y22RKP | eReplacementParts.com

Poulan PP735L Mower Parts Diagram for Assembly

Poulan PP735L Mower Parts Diagram for Assembly

0 Response to "42 poulan riding mower parts diagram"

Post a Comment

Iklan Atas Artikel

Iklan Tengah Artikel 1

Iklan Tengah Artikel 2

Iklan Bawah Artikel