Iklan 300x250

45 Air Compressor Installation Diagram

Air Compressor Motor Starter Wiring Diagram - The Wiring The wiring procedure may or may not call for a neutral wire. Wiring Starter Motor To Switch - Starter Motor Wiring Diagram. Air Compressor Capacitor Wiring Diagram Before you call a Ultimate nintendo switch hacpaaaba. Air compressor motor starter wiring diagram. It reveals the parts of the circuit as simplified forms, as well as the […] Compressor Wiring Diagram - Diagram Sketch 55 New Potential Relay Wiring Diagram Electrical Circuit Diagram Ac Capacitor Electrical Diagram. Pressure Switch Wiring Diagram Air Compressor On 5 Gif Cool And Ingersoll Rand On Ingersoll Air Compressor Pressure Switch Air Compressor Air Compressor Switch. 3 Phase Split Ac Wiring Diagram Ac Wiring Split Ac Electrical Wiring.

Air Suspension System - Diagram, Parts, Working, Types ... The layout of an air suspension system has been shown in Fig. The four air springs, which may be either the bellows-type or the piston type, are mounted on the same position where generally the coil springs are mounted. It also consists of an air compressor, air accumulator, relief valve, lift control valve, leveling valve, and pipeline.

Air compressor installation diagram

Air compressor installation diagram

Craftsman Air Compressor Capacitor Wiring Diagram - easywiring Air tank capacity gal 33 gal. The capacitance could be compared to a tank of water the bigger the tank the more water it can hold. Air compressor wiring diagram 230v 1 phase. Porter cable 60 gallon air compressor wiring diagram sample. 09 25 2020 12 18 am my across the street neighbor has a craftsman air compressor that he is trying to repair. Air Conditioner Compressor Troubleshooting Repair 101 Easy Air Conditioner Compressor Troubleshooting can be challenging.The average compressor in many residential condensing units is hermetically sealed compressors. Furthermore, the only visible working parts on the compressor are the electrical connections and the copper discharge and suction lines. Puma 80 Gallon Air Compressor Wiring Diagram Puma 80 Gallon Air Compressor Wiring Diagram. Buy Puma TUKVM Direct. Free Shipping. Check the Puma 5-HP Gallon Two-Stage Air Compressor (V 1-Phase) ratings. (V, single phase/80 gallon, 5 HP and HP) properly set up, operate and maintain the compressor in accordance with this manual could result in serious. Stationary Electric Air Compressor Manual.

Air compressor installation diagram. How to Install an Air Compressor in Your Garage | Quincy ... Select an area for the compressor to stand. Determine how much room will be needed for work and tool applications. Select sufficient hose lengths and fittings for the attachments. Set the compressor on isolator pads to stabilize and lower noise from vibrations. Read the owners manual to follow proper start-up and commissioning procedure. PDF Compressor Installation Instructions - AirBagIt 4. Install check valve, pressure switch, drain fitting and air fitting in tank. 5. Make sure drain fitting is completely closed by turning clockwise. 6. Install steel leader hose into head of compressor. 7. Position compressor next to air tank with leader hose partially threaded into check valve. 8. Mark feet position of both compressor and air ... Air Compressor Wiring Diagram 240V - Cadician's Blog air compressor wiring diagram 240v - You will need an extensive, professional, and easy to know Wiring Diagram. With this kind of an illustrative manual, you will have the ability to troubleshoot, prevent, and total your tasks without difficulty. Not only will it assist you to attain your required outcomes quicker, but also make the whole ... Air Compressor Wiring Diagram - Wirings Diagram There are two things that will be found in any Air Compressor Wiring Diagram. The first element is symbol that indicate electrical component in the circuit. A circuit is generally composed by many components. Another thing that you will discover a circuit diagram could be lines.

PDF Industrial Air Compressor Installation and Operation Manual Wiring Diagram 29 . Specifications 10. Labels 30 . Important Electrical 11. Parts Diagram 32 . Installation Checklist 12. Introduction . This manual describes the TSP-580V-601 Industrial Air Compressor, which efficiently and reliably creates, stores, and distributes pressurized air for your facility. Pressurized air can be used to power Air Compressor Wiring Diagram 230v 1 Phase Sample air compressor wiring diagram 230v 1 phase - What is a Wiring Diagram? A wiring diagram is an easy visual representation of the physical connections and physical layout associated with an electrical system or circuit. PDF INSTALLATION GUIDE - Pirate 4x4 1 1 Introduction 2 1.1 Pre-Installation Preparation 2 1.2 Tool-Kit Recommendations 2 2 Installing the Compressor 3 2.1 Installing the solenoid(s) 3 2.2 Installing the Pressure Switch 3 2.3 Assembling / Installing the Air Filter 3 2.4 Using an Air Filter Extension Tube (optional) 3 2.5 Mounting the Compressor 4 3 Connecting the Air System 7 3.1 Running and Securing the Air Line 7 3 Phase Air Compressor Pressure Switch Wiring Diagram ... 3 Phase Air Compressor Pressure Switch Wiring Diagram. 15 Franklin Electric 1 2 Hp Motor Wiring Diagram Wiring Diagram Wiringg Net Electric Motor Electrical Circuit Diagram Electricity. 3 Phase To 1 Phase Wiring Diagram In 2021 Electrical Diagram Electrical Circuit Diagram Diagram. Blower Motor Wiring Diagram Ac Condenser Fan Motor Wiring ...

Arb Onboard Air Compressor Wiring Diagram - schematron.org Arb Onboard Air Compressor Wiring Diagram. ARB AIR LOCKER Air Operated Locking Differentials. Revision Date On-Board Air Compressor Kit, See full wiring diagram attached. 30 1. How to Install ARB High Output Air Compressor ( Wrangler YJ, TJ, & JK) on your Jeep Connect Red to positive, and both black wires to Negative. 2. Air Compressor Pressure Switch Wiring Diagram - Cadician's ... April 12, 2020. · Wiring Diagram. by Anna R. Higginbotham. air compressor pressure switch wiring diagram - You'll need a comprehensive, skilled, and easy to know Wiring Diagram. With this kind of an illustrative manual, you are going to have the ability to troubleshoot, avoid, and total your tasks without difficulty. PDF Two Stage Reciprocating Air Compressors Fig. (1) Simplex, two stage air compressor process. FS Curtis manufactures a broad array of compressor configurations to satisfy the needs of our diverse customer base. Despite this diversity, all FS Curtis two stage compressor configurations work off the same basic cycle. Air is drawn into the compressor through the air intake and filter assembly. Compressor Wiring Diagram - Wiring Diagram Air Compressor Capacitor Wiring Diagram Before You Call A Ac Repair - Compressor Wiring Diagram. You are able to often rely on Wiring Diagram as an crucial reference that can assist you to preserve money and time. With the aid of this guide, you can effortlessly do your personal wiring projects. No matter what you will need it for, you can ...

Air compressor wiring 110 or 220 and wiring issues - About ...

Air compressor wiring 110 or 220 and wiring issues - About ...

Air Compressor Wiring Diagram 230V 1 Phase - Wirings Diagram Air Compressor Wiring Diagram 230V 1 Phase - air compressor wiring diagram 230v 1 phase, Every electrical structure is made up of various different pieces. Each part should be set and connected with different parts in specific way. Otherwise, the structure won't function as it should be.

ARB Twin Compressor (CKMTA12) Wiring | Tacoma World

ARB Twin Compressor (CKMTA12) Wiring | Tacoma World

Compressor Wiring Diagram - easywiring Compressor wiring diagram. A wiring diagram is a simplified traditional photographic depiction of an electric circuit. The standard 220 volt wiring for an air compressor includes no polarity for the red and the black wire so you cannot wire them backwards. The disconnect switch should be a 220 volt 2 pole type for both circuit wires.

A Simple Explanation of What Compressed Air Is - Air ...

A Simple Explanation of What Compressed Air Is - Air ...

Air Compressor Wiring Diagram 240V - Wirings Diagram Air Compressor Wiring Diagram 240V - air compressor wiring diagram 240v, Every electric structure is composed of various diverse components. Each part ought to be set and linked to other parts in particular way. If not, the structure will not function as it should be.

Compressed Air System Design

Compressed Air System Design

Air Compressor Wiring Diagram 240v - easywiring Air compressor wiring diagram 240v air compressor wiring diagram 240v every electric structure is composed of various diverse components. It is 240volt 28 amps 7 5 hp single phase. I am wiring a new air compressor. Air Compressor Capacitor Wiring Diagram Before You Call A Ac Repair Man Visit My Blog For Some Capacitors Electrical Wiring Diagram ...

VR10-12 Reciprocating Air Compressor

VR10-12 Reciprocating Air Compressor

Wiring Diagram For Air Compressor Motor - easywiring The wiring diagram identifies the fan motor and compressor s wire colors and functions. The basic requirements for wiring electric motors. Identify the air compressor circuit turn it off and tag it with a note before working with the 220 volt air compressor wiring. These tips can be used on most ele. Circuit wiring for a 240 volt air compressor.

Air Compressor Parts MAM 860 PLC Controller Panel with Wiring ...

Air Compressor Parts MAM 860 PLC Controller Panel with Wiring ...

Air Compressor Wiring Diagram - Cadician's Blog Ac Wiring Diagram - Data Wiring Diagram Schematic - Air Compressor Wiring Diagram. Wiring Diagram includes numerous detailed illustrations that display the link of varied items. It consists of instructions and diagrams for various types of wiring methods along with other things like lights, home windows, and so forth.

Air Compressor Wiring Diagram 230v 1 Phase | Refrigerator ...

Air Compressor Wiring Diagram 230v 1 Phase | Refrigerator ...

3 Phase Wiring Diagram Air Compressor - U Wiring Perfect Wiring Diagram For 220 Volt Air Compressor Three Phase Air Compressor Wiring Diagram Trusted W Air Compressor Pressure Switch Air Compressor Compressor. Unique 3 Phase Air Compressor Pressure Switch Wiring Diagram Trailer Wiring Diagram Trailer Light Wiring Electrical Circuit Diagram.

Outfit Your Shop with Air

Outfit Your Shop with Air

Single Phase Air Compressor Wiring Diagram - easywiring Single phase air compressor wiring diagram. Compressor wiring diagram single phase wiring diagram is a simplified standard pictorial representation of an electrical circuit it shows the components of the circuit as simplified shapes and the talent and signal contacts in the midst of the devices.

Husky 60 gal. Stationary Electric Air Compressor ...

Husky 60 gal. Stationary Electric Air Compressor ...

How to Install a Split System Air Conditioner: 15 Steps Nov 27, 2021 · Victor Belavus is an Air Conditioning Specialist and the Owner of 212 HVAC, an air condition repair and installation company based in Brooklyn, New York. In addition to HVAC and air conditioning units, Victor also specializes in furnace repair and air duct cleaning. He has over 10 years of experience working with HVAC systems.

Operator Manual: Atlas Copco GX5 Air compressor – Tommy Car ...

Operator Manual: Atlas Copco GX5 Air compressor – Tommy Car ...

PDF Air Compressor Manual WIRING TYPICAL COMPRESSOR INSTALLATION GLOSSARY OF TERMS Air Filter Porous element contained within a metal or plastic housing attached to the compressor cylinder head which removes impurity from the intake air of the compressor. Air Tank Cylindrical component which contains the compressed air. Check Valve Device which prevents compressed air from

ARB Twin Compressor wiring | Tacoma World

ARB Twin Compressor wiring | Tacoma World

Air Compressor Installation Guide - Tips & Setup Diagram The compressor should have a moisture separator. The dryer should have a pre-filter and an after filter. And the receivers should be sized based on the CFM of the compressors. Below is a typical example of an air compressor setup diagram. Air Compressor Maintenance Plan

JOC Oil less Air Compressor Installation Guide

JOC Oil less Air Compressor Installation Guide

Air Compressor Wiring Diagram 240v - Diagram Sketch Air Compressor Wiring Diagram 240v. Unique Wiring Diagram Ac Split Mitsubishi Refrigeration And Air Conditioning Hvac Air Conditioning Hvac Air. Copeland Potential Relay Wiring Diagram Run Capicator For Hvac Air Conditioning Air Conditioner Compressor Electrical Diagram. 0 75hp 110 220 Single Phase Motor Circuit Diagram Electrical Diagram ...

Air Compressor CFM Basics for Media Blasting Cabinets | Media ...

Air Compressor CFM Basics for Media Blasting Cabinets | Media ...

Portable Air Conditioner OWNER’S MANUAL - Honeywell Store The compressor, condenser and evaporator are housed in a compact unit. The air is filtered, dehumidified and cooled while a flexible air outlet hose sends heat outside. The air conditioner includes a window venting kit. No permanent installation is needed. The unit is easy to move from room to room and offers a truly flexible air conditioning ...

Technical Document | Compressed Air Systems

Technical Document | Compressed Air Systems

Air Compressor Wiring Diagram 230V 1 Phase - Cadician's Blog Air Compressor 230V 1 Phase Wiring Diagram | Manual E-Books - Air Compressor Wiring Diagram 230V 1 Phase. You are able to always count on Wiring Diagram as an essential reference that will assist you to preserve time and money. With the help of this e-book, you'll be able to easily do your own wiring tasks.

Tech Support – Air Zenith

Tech Support – Air Zenith

Puma 80 Gallon Air Compressor Wiring Diagram Puma 80 Gallon Air Compressor Wiring Diagram. Buy Puma TUKVM Direct. Free Shipping. Check the Puma 5-HP Gallon Two-Stage Air Compressor (V 1-Phase) ratings. (V, single phase/80 gallon, 5 HP and HP) properly set up, operate and maintain the compressor in accordance with this manual could result in serious. Stationary Electric Air Compressor Manual.

Air Horn Installation Diagram Lovely Installing An - Wire A ...

Air Horn Installation Diagram Lovely Installing An - Wire A ...

Air Conditioner Compressor Troubleshooting Repair 101 Easy Air Conditioner Compressor Troubleshooting can be challenging.The average compressor in many residential condensing units is hermetically sealed compressors. Furthermore, the only visible working parts on the compressor are the electrical connections and the copper discharge and suction lines.

Air Compressor Repair Manual

Air Compressor Repair Manual

Craftsman Air Compressor Capacitor Wiring Diagram - easywiring Air tank capacity gal 33 gal. The capacitance could be compared to a tank of water the bigger the tank the more water it can hold. Air compressor wiring diagram 230v 1 phase. Porter cable 60 gallon air compressor wiring diagram sample. 09 25 2020 12 18 am my across the street neighbor has a craftsman air compressor that he is trying to repair.

All about Oil lubricated Air Compressor Technology | CompAir

All about Oil lubricated Air Compressor Technology | CompAir

Installation - Vortex Compressors

Installation - Vortex Compressors

Proper Air Compressor Setup In Garage: Easy Steps To Install ...

Proper Air Compressor Setup In Garage: Easy Steps To Install ...

Air compressor system installation guide_Air Compressor ...

Air compressor system installation guide_Air Compressor ...

ARB Twin Compressor (CKMTA12) Wiring | Tacoma World

ARB Twin Compressor (CKMTA12) Wiring | Tacoma World

Installation - MORRIS MECHANICAL

Installation - MORRIS MECHANICAL

Compressor Filter System Theory - Scuba Engineer

Compressor Filter System Theory - Scuba Engineer

The Best Air Compressor Pipe for Your Air Compressor ...

The Best Air Compressor Pipe for Your Air Compressor ...

McGraw 64294 8 gallon 1.5 HP 150 PSI Oil-Free Portable Air ...

McGraw 64294 8 gallon 1.5 HP 150 PSI Oil-Free Portable Air ...

York Onboard Air Compressor | Compressor, Air compressor ...

York Onboard Air Compressor | Compressor, Air compressor ...

Air compressor room design - Knowledge - Xiamen East Asia ...

Air compressor room design - Knowledge - Xiamen East Asia ...

AIRKEGdiagram - Rolair

AIRKEGdiagram - Rolair

Sizing the Right Air Dryer for your Air Compressor ...

Sizing the Right Air Dryer for your Air Compressor ...

On board air - melting relays | Expedition Portal

On board air - melting relays | Expedition Portal

How to Install a Refrigeration Air Dryer – Artic Driers ...

How to Install a Refrigeration Air Dryer – Artic Driers ...

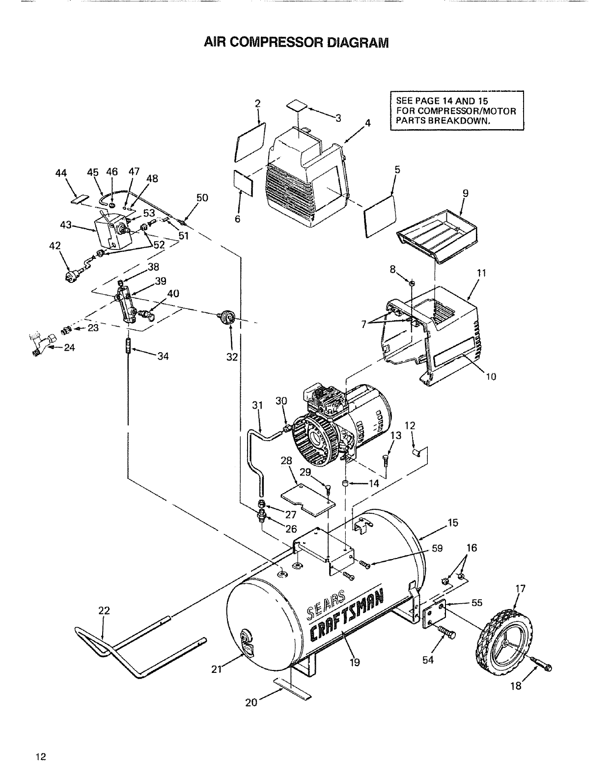
Craftsman 919156730 User Manual AIR COMPRESSOR Manuals And ...

Craftsman 919156730 User Manual AIR COMPRESSOR Manuals And ...

Schematic of experimental setup. 1) Air compressor, 2 ...

Schematic of experimental setup. 1) Air compressor, 2 ...

My DIY Portable ARB Air Compressor | Jeep Wrangler Forums (JL ...

My DIY Portable ARB Air Compressor | Jeep Wrangler Forums (JL ...

How to Choose an Air Compressor, According to Science ...

How to Choose an Air Compressor, According to Science ...

Air Compressor Automatically ON OFF Connection With Pressure Switch |  Electrical Technician

Air Compressor Automatically ON OFF Connection With Pressure Switch | Electrical Technician

Ingersoll Rand SSR Series, Air compressor, Multiple Languages ...

Ingersoll Rand SSR Series, Air compressor, Multiple Languages ...

General Air Products LT29050A 290 gal. Lubricated Tank ...

General Air Products LT29050A 290 gal. Lubricated Tank ...

Schematic diagram of experimental setup. 1. Air compressor 7 ...

Schematic diagram of experimental setup. 1. Air compressor 7 ...

Key Considerations for Installing Centrifugal Air Compressors ...

Key Considerations for Installing Centrifugal Air Compressors ...

Operator Manual: Atlas Copco GX5 Air compressor – Tommy Car ...

Operator Manual: Atlas Copco GX5 Air compressor – Tommy Car ...

Champion Air Compressor Installation & Review

Champion Air Compressor Installation & Review

Technical Document | Compressed Air Systems

Technical Document | Compressed Air Systems

CRAFTSMAN 919.176730 OWNER'S MANUAL Pdf Download | ManualsLib

CRAFTSMAN 919.176730 OWNER'S MANUAL Pdf Download | ManualsLib

0 Response to "45 Air Compressor Installation Diagram"

Post a Comment

Iklan Atas Artikel

Iklan Tengah Artikel 1

Iklan Tengah Artikel 2

Iklan Bawah Artikel