Iklan 300x250

41 ar 15 diagram with part names

AR Build pt1-AR15 Lower Parts Kit Identification - YouTube This video is to help everyone identify all the different parts of your AR15 lower reciever parts kits. It's important to know what you have before you start... AR-15 Lower Receiver Parts & Kit | Takedown Pins & More Parts in an AR-15 Lower Receiver. Shopping for AR-15 lower receiver parts can be a simple process. If you're building one, you may choose to get a complete lower parts kit. This will give you everything you need to have a functioning lower receiver, and all you will need for a completed rifle is a buffer and spring assembly, an upper receiver ...

AR15 Parts and Accessories | Aero Precision AR15 5.56 PRO Series Bolt Carrier Group - Black Nitride. $174.99. Add to Cart. Add to Wish List Compare Product. Add to Cart. Add to Wish List Compare Product. 5.56 Bolt Carrier Group, Complete - Black Nitride. $149.99.

Ar 15 diagram with part names

Ar 15 diagram with part names

AR-15 Parts Diagram AR-15 Parts Diagram AR-15 Basics: A Guide To The AR-15 Platform | Gun Carrier The AR-15 assault rifle is a hot topic lately, with legislators looking to ban or limit sales due to its latest reported links to gun violence. Even the Bureau of Alcohol, Tobacco, Firearms, and Explosives is trying to ban a very popular type of ammunition for it. Yet, the AR-15 is arguably the most popular sporting rifle in the country. Download the AR 15 Lower Build Complete Guide How to build an AR 15 Lower, complete guide with checklist. To help you assemble your own AR 15 lower we have put together a checklist with all the parts you will need. -TOOLS NEEDED. -PARTS CHECKLIST WITH LINKS TO BUY. -STEP BY STEP INSTRUCTIONS. -FULL COLOR PHOTOS THROUGHOUT.

Ar 15 diagram with part names. The Complete AR 15 Parts List & AR 15 Build ... - 80% Lowers The Complete AR 15 Parts List & AR 15 Build List [Infographic] Posted by 80-Lower.com on Aug 28th 2017. It's easy to find an AR 15 Parts List breakdown in a list format online, but finding one that had visuals for each AR 15 part was a real challenge. Let's face it, there are a ton of parts that go into an AR build and it's easy to forget ... AR 15 Diagram - Pinterest Jan 28, 2022 - Explore john loop's board "AR 15 Diagram" on Pinterest. See more ideas about how to plan, 9mm bullet, diy guns. PDF The Underground Assault Rifle Main Manual AR-15 design to Colt. The select-fire AR-15 entered the US military system as the M16 rifle. Colt then marketed the Colt AR-15 as a semi-automatic version of the M16 rifle for civilian sales in 1963.[8] Although the name "AR-15" remains a Colt registered trademark, variants of the firearm are independently made, How An AR-15 Rifle Works: Part 1, Components - YouTube AR-15 Part 1, Components. A schematic video animation in HD showing the components of a basic AR-15 rifle.Watch Part 2 to see how all this works ....

AR-15 Parts & Tools List: Building? [Start Here!] - Pew ... AR-15 Parts List Stripped Lower Lower Parts Kit Trigger (If not using parts kit trigger) Buffer Kit (Buffer, buffer tube, buffer spring) Stock Pistol Grip Stripped or Assembled Upper Forward Assist (If using a Stripped Upper) Dust Cover (If using Stripped Upper) Barrel Handguard Gas Tube Gas Block Bolt Carrier Group Charging Handle Muzzle Device PDF Assembling An AR-15 PARts CheCklist - Brownells Assembling An AR-15 PARts CheCklist: a1, a2 & a3 sights continUeD A1, A2, & A3 Sights Continued 2C) Order (3 each) of the following individual parts . Part Notes: Stock Number Qty Price Ordered Received Index Springs 3 Sight Balls 3 2D) If an A2 Front Sight is desired, order (1) of the following COMPLETE A2 FRONT SIGHTS: A2 Front Sight Post w/4 ... PDF Ar 15 Nomenclature Diagram April 17th, 2019 - Uzi Parts Diagram Lovely Colt Ar 15 Parts Diagram Great Colt Ar 15 Parts Kit Bing Full Size Of 2008 Dodge Ram 3500 Diesel Fuse Box Diagram Interior Location Sprinter Wiring Diagrams Heart Quiz Diagram The Omnichrome 150r An Ar Graph For Table 4 Ar15 Lower Parts With Schematic Gunsmithing Tools Lower Receiver Ar Parts Ar Build ... Ar15 Complete Build List - Tactical Sh*t Example of a lower parts kit w/ grip. To assemble the AR-15 stripped lower/80% lower that has been finished, you will need 31 different parts, including the trigger, bolt catch, springs, pivot and takedown down pins, selector switch and hammer. The most convenient way to get all of these parts is by purchasing a full AR-15 lower parts kit.

AR-15 and M-16 Gun Cleaning and Parts Mat - TekMat EASY TO USE - This AR-15 gun cleaning mat comes with an overview of the history of the AR-15 as well as a simple to follow parts diagram of the parts that make up your AR-15. The AR-15 cleaning mat rolls up for easy storage along with your other cleaning supplies and accessories. AR-15 Parts List For Building Your Own Rifle [Plus Our ... AR-15 Build List We'll go into more detail below, but here's a quick AR-15 parts list: Upper Receiver Parts Stripped Upper Receiver Barrel Muzzle Device (Flash Hider, Muzzle Brake, etc.) Gas Tube Gas Block Handguard Charging Handle Bolt Carrier Group Forward Assist Dust Cover A look under the handguard. Lower Receiver Parts Stripped Lower Receiver AR-15 Parts Diagram (2020 Graphic) - The Prepper Insider An AR-15 consists of two main sections: the upper receiver parts, and the lower receiver parts. The two parts are held together by two pins. When the two pins are both pushed out, the parts are separated. If the pin on the rearmost side is pushed out, the upper receiver tilts forward to allow for field cleaning. M16 Parts List Schematic | Numrich - Gun Parts Corp Browse by Manufacturer Name ... AR15 / M16 Schematic W/ Parts List. Product #: PDF0620 Part Key: 0. $1.50. Add to cart. Add to My Saved Parts ... Part Key: 15. $30.95. Add to cart. Add to My Saved Parts. Eligible for FREE shipping * 17 Pistol Grip Screw Pistol Grip Screw, 1", 3/16" Allen Head, New ...

Best Quality Custom Build AR15 Parts & Accessories – Western ...

Best Quality Custom Build AR15 Parts & Accessories – Western ...

AR-15 Schematic - Exploaded Gun Diagrams, Gun Parts ... AR-15 Schematic Find parts for a AR-15 in this easy-to-understand schematic. These gun diagrams will help you better understand how your firearm is assembled with links to the gun parts for easy check out. AR-15 AR-15 Click a Part: Barrels 4. Barrel 5. Barrel Extension 6. Barrel Nut 7. Barrel Retaining Ring Shop AR-15 Barrel Parts

1 2 3 4 5 6 7 8 9 10 11 12 13 14 15 16 17 18 19 20 21 22 23 ...

1 2 3 4 5 6 7 8 9 10 11 12 13 14 15 16 17 18 19 20 21 22 23 ...

AR-15 Parts - MGW Midwest Gun Works is proud to offer a wide assortment of parts and accessories for the AR-15 Platform. We carry AR-15 uppers, magazines, stocks and handguards, sights, mounts, rails, tools, and AR-15 parts. Click on any part number highlighted in RED to view specific details or to purchase online. Please scroll down to view products we carry for this platform or click on one of the links below ...

Tekmat Armorers Bench Mat Ultra 15

Tekmat Armorers Bench Mat Ultra 15"x44" Ar-15 Black

Food pyramid (nutrition) - Wikipedia A food pyramid's tip is the smallest part, so the fats and sweets in the top of the Food Pyramid should comprise the smallest percentage of the diet. The foods at the top of the food pyramid should be eaten sparingly because they provide calories, but not much in the way of nutrition.

Challenge accepted; I am going to build an “HK-47”. : r/airsoft

Challenge accepted; I am going to build an “HK-47”. : r/airsoft

Cam - Wikipedia A cam is a rotating or sliding piece in a mechanical linkage used especially in transforming rotary motion into linear motion. It is often a part of a rotating wheel (e.g. an eccentric wheel) or shaft (e.g. a cylinder with an irregular shape) that strikes a lever at one or more points on its circular path. The cam can be a simple tooth, as is used to deliver pulses of power to a steam hammer ...

AR-15 RIFFLE BUILDING MANUAL: The Comprehensive Step By Step ...

AR-15 RIFFLE BUILDING MANUAL: The Comprehensive Step By Step ...

All About ARs: An AR-15 Breakdown of Parts An AR has 2 basic sections, the upper and lower receivers, and each of these 2 sections has sub-units with various parts. For this article, we're referring to a rifle system colloquially called an AR-15 after the original Armalite and Colt's patented firearm. There are other rifle types that have AR as part of their names, such as AR-10 and ...

TekMat AR-15 Cutaway Ultra Premium Gun Cleaning Mat | Gun ...

TekMat AR-15 Cutaway Ultra Premium Gun Cleaning Mat | Gun ...

AR-15 Exploded View - M*CARBO Official AR-15 Exploded View of parts poster. Download or print out the Free AR-15 Exploded View PDF.

Gun Exploded View - Firearms Parts Diagrams

Gun Exploded View - Firearms Parts Diagrams

ON Semiconductor Is Now IC = 150 mAdc, IB1 = 15 mAdc) td − 15 ns Rise Time tr − 20 ns Storage Time (V CC = 30 Vdc, IC = 150 mAdc, IB1 = 15 mA, IB2 = 15 mA) ts − 225 ns Fall Time tf − 30 ns 1. Pulse Test: Pulse Width ≤ 300 s, Duty Cycle ≤ 2.0%. ORDERING INFORMATION Device Package Shipping† 2N4403 TO−92 5000 Units / Bulk 2N4403G TO−92 (Pb−Free) 5000 ...

Ar 15 Poster | Etsy

Ar 15 Poster | Etsy

Exploded Gun Diagrams, Gun Parts - MidwayUSA These gun schematics will help you better understand how your firearm is assembled with links to the gun parts for easy check out. AR-15. Glock Pistol. Remington 700 ADL. Remington 700 BDL. Ruger Single Action Revolver. Ruger Mark 2. Ruger Mini 14. Ruger 10/22.

Nazarian

Nazarian

AR 15 Parts Diagram - Numrich AR-15 Schematic Lists AR15 PARTS LIST. Search the full AR 15 parts list and helpful AR 15 schematic for the exact part that you are looking for from Numrich Gun Parts. Serving the firearms community since 1950, no one has a larger AR 15 parts list for replacements than we do! Find your parts with the AR 15 schematic guide or sort the AR 15 parts list by name ...

What is the button on the right side of AR-15? - Quora

What is the button on the right side of AR-15? - Quora

32 Free Family Tree Templates (Word, Excel, PDF, PowerPoint) 3. Sandglass Diagram. This is a combination of both the types mentioned above; an ancestor and descendent family tree. It shows the pro-band in the middle and then shows the ancestors, children and relatives over and below their name. 4. Other Types

DPMS Firearms Sportical Rifle Kit, Matte Black - 60687 ...

DPMS Firearms Sportical Rifle Kit, Matte Black - 60687 ...

Parts Diagrams - AR-15 AR-15 AK-47 Handgun Precision Rifles Armory Training Competitive Shooting General Outdoors Archery Hometown Industry About AR15.COM AR15.COM is the world's largest firearm community and is a gathering place for firearm enthusiasts of all types.

AR-15 Parts Diagram (2020 Graphic) - The Prepper Insider

AR-15 Parts Diagram (2020 Graphic) - The Prepper Insider

AR 15 Accessories | AR15 Parts - Cheaper Than Dirt Find AR-15 parts for performance and personalization at prices that stay in your budget at Cheaper Than Dirt. Browse thousands of the top-rated AR-15 magazines, upper receivers, lower receivers, AR-15 lower parts, sights and other quality accessories.We also carry a great selection of AR-15 ammo, red dot sights and sturdy slings to help fully customize your rifle.

How to Build an AR-15 Lower Receiver [Ultimate Visual Guide ...

How to Build an AR-15 Lower Receiver [Ultimate Visual Guide ...

Oracle Receivables User Guide AutoLockbox (or Lockbox) is a service that commercial banks offer corporate customers to enable them to outsource their accounts receivable payment processing. An AutoLockbox operation can process millions of transactions a month. AutoLockbox eliminates manual data entry by automatically processing receipts that are sent directly to your bank.

Bushmaster XM-15 - Wikipedia

Bushmaster XM-15 - Wikipedia

Ar15 Lower Assembly Diagram - schematron.org Many new AR15 builders are intimidated by the "ears" of the lower receiver.Parts Diagrams Lower Receiver And Buttstock Assembly. Part Description Colt Part Bushmaster Part (1) Pistol Grip Machine Screw: S (AR15) (28) Disconnector: N/A (29) Trigger Assembly (30)Lower Receiver and Receiver Extension Assembly.

AR-15 Parts & Tools List: Building? [Start Here!] - Pew Pew ...

AR-15 Parts & Tools List: Building? [Start Here!] - Pew Pew ...

AR-15 Lower Receiver Exploded View - M*CARBO Check out this free AR 15 lower receiver exploded view. Download this AR 15 exploded parts view pdf. The official AR 15 exploded view diagram. Your only sorce for AR 15 lower parts exploded view. Reduce your trigger pull. Take a look at the AR-15 trigger exploded view

10+ Schematic HD Wallpapers | Background Images

10+ Schematic HD Wallpapers | Background Images

Download the AR 15 Lower Build Complete Guide How to build an AR 15 Lower, complete guide with checklist. To help you assemble your own AR 15 lower we have put together a checklist with all the parts you will need. -TOOLS NEEDED. -PARTS CHECKLIST WITH LINKS TO BUY. -STEP BY STEP INSTRUCTIONS. -FULL COLOR PHOTOS THROUGHOUT.

All About ARs: An AR-15 Breakdown of Parts

All About ARs: An AR-15 Breakdown of Parts

AR-15 Basics: A Guide To The AR-15 Platform | Gun Carrier The AR-15 assault rifle is a hot topic lately, with legislators looking to ban or limit sales due to its latest reported links to gun violence. Even the Bureau of Alcohol, Tobacco, Firearms, and Explosives is trying to ban a very popular type of ammunition for it. Yet, the AR-15 is arguably the most popular sporting rifle in the country.

Waffen Schumacher - TEKMAT Ultra 44 AR-15 Cut Away Gun ...

Waffen Schumacher - TEKMAT Ultra 44 AR-15 Cut Away Gun ...

AR-15 Parts Diagram AR-15 Parts Diagram

Lower Parts Diagram

Lower Parts Diagram

Turning Your AR-15 into an M-16 | RECOIL

Turning Your AR-15 into an M-16 | RECOIL

Air Rifles with Pellet Power Precision | Stoeger Airguns

Air Rifles with Pellet Power Precision | Stoeger Airguns

AR-15 Parts & Tools List: Building? [Start Here!] - Pew Pew ...

AR-15 Parts & Tools List: Building? [Start Here!] - Pew Pew ...

ArmaLite AR-10 - Wikipedia

ArmaLite AR-10 - Wikipedia

AR-15 Parts & Components | Diagram of Rifle Breakdown

AR-15 Parts & Components | Diagram of Rifle Breakdown

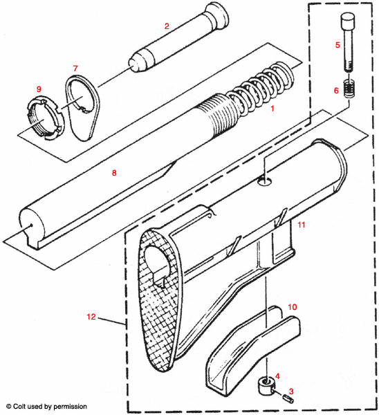
Colt® AR-15 Sliding Buttstock Assembly Schematic - Brownells UK

Colt® AR-15 Sliding Buttstock Assembly Schematic - Brownells UK

Where to Hold the Rifle?

Where to Hold the Rifle?

The Complete AR 15 Parts List & AR 15 Build List [Infographic ...

The Complete AR 15 Parts List & AR 15 Build List [Infographic ...

Miniature M4A1 Assault Rifle with scope - Tap Tap

Miniature M4A1 Assault Rifle with scope - Tap Tap

Types of Guns - Gun Safety Tips and How They Work

Types of Guns - Gun Safety Tips and How They Work

Pin on Creative Final

Pin on Creative Final

The AR-15, the gun behind some of the worst mass shootings in ...

The AR-15, the gun behind some of the worst mass shootings in ...

AR-15 Parts List For Building Your Own Rifle [Plus Our ...

AR-15 Parts List For Building Your Own Rifle [Plus Our ...

Blueprint of my first build! : r/300BLK

Blueprint of my first build! : r/300BLK

Firearm Basics: Basic Parts of a Gun

Firearm Basics: Basic Parts of a Gun

.308 LPK + Trigger + Hogue Grip

.308 LPK + Trigger + Hogue Grip

Aaron Kuehn | Rifle Typogram

Aaron Kuehn | Rifle Typogram

XMG Belt Fed AR Upper Receiver

XMG Belt Fed AR Upper Receiver

Pin on steve's stuff

Pin on steve's stuff

2022 Magorui AR 15 AK47 Remington 870 Cleaning Rubber Mat ...

2022 Magorui AR 15 AK47 Remington 870 Cleaning Rubber Mat ...

Ar 15 Exploded Parts Diagram Pdf - Fill Online, Printable ...

Ar 15 Exploded Parts Diagram Pdf - Fill Online, Printable ...

Large AR15 AK47 Gun Cleaning Rubber Mat Rifle Pistol Gunsmith ...

Large AR15 AK47 Gun Cleaning Rubber Mat Rifle Pistol Gunsmith ...

0 Response to "41 ar 15 diagram with part names"

Post a Comment

Iklan Atas Artikel

Iklan Tengah Artikel 1

Iklan Tengah Artikel 2

Iklan Bawah Artikel