Iklan 300x250

41 echo srm 225 fuel line diagram

Fuel System Kit - ECHO USA Model Numbers GT-251E,SRM-251E,SRM-311,SRM-311S,SRM-311U,SRM-340,SRM-400,SRM-400U Fuel Line Configuration on Echo SRM-225 String Trimmer ... About Press Copyright Contact us Creators Advertise Developers Terms Privacy Policy & Safety How YouTube works Test new features Press Copyright Contact us Creators ...

Echo Srm 225 Fuel Line Diagram | vincegray2014 Echo Srm 225 Fuel Line Diagram. mervin.ryan November 26, 2021 Templates No Comments. 21 posts related to Echo Srm 225 Fuel Line Diagram. 05 5.9 Cummins Fuel Line Diagram. 5.9 Cummins Fuel Line Diagram. 62 Diesel Fuel Line Diagram. Ryobi 700r Fuel Line Diagram. Ryobi 790r Fuel Line Diagram.

Echo srm 225 fuel line diagram

Echo srm 225 fuel line diagram

SRM-225 - Parts Lookup - Echo Parts Online View Details. Quick view. SRM-225 SN: T98214001001 - T98214999999 - Trimmer Head - SPEED-FEED 400 Parts lookup. Parts lookup and diagram for your Echo SRM-225 SN: T98214001001 - T98214999999 Trimmer Head - SPEED-FEED 400. Best Price of the market and Premium Support. Echo SRM-225i - Parts Lookup and OEM Diagrams | PartsTree Fuel System diagram and repair parts lookup for Echo SRM-225i - Echo String Trimmer (SN: T83914001001 - T83914999999) ECHO SRM-225 Trimmer Parts Diagram SN S04011001001-S04011999999 ECHO SRM-225 Parts for serial number S04011001001-S04011999999 available online and ready to ship direct to your door. Our parts diagrams are a great resource for ECHO Trimmer parts lookup. These illustrated parts diagrams include top repair parts like carburetors, trimmer heads, throttle triggers and primer bulbs for the ECHO SRM-225 Trimmer.

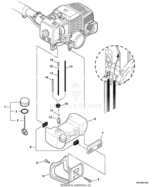
Echo srm 225 fuel line diagram. Echo SRM-225 Trimmer Fuel Lines Replacement - iFixit This guide is to replace all the fuel lines, grommet, fuel filter, ventilator, purge bulb and gas cap vent gasket. All of these parts come in a Echo Fuel Line Repower Kit. This repair is necessary when there is cracking in the purge valve, the fuel tank grommet is leaking, or the purge bulb is pulling excess air or no fuel when depressed. Echo SRM 225 Fuel Line Repair - YouTube Here is the link to the Echo Fuel System Kit I used: Operator's Manual - ECHO USA To ensure trouble free warranty coverage it is important that you register your ECHO equipment on-line at or by filling out the warranty registration card supplied with your unit. Registering your product confirms your warranty coverage and provides a direct link between you and ECHO if we find it necessary to contact you. How to Change Echo Fuel Lines. - YouTube In this video i teach you how to change Echo fuel lines. In this video i teach you how to change Echo fuel lines.

Amazon.com: echo trimmer fuel line Huswell SRM225 PAS225 GT225 PE225 Carburetor Tune up kit for Echo SRM-225 PAS-225 GT-225 PE-225 A021001692 Weed-Eater String Trimmer Carburetor with Air Filter Fuel Line RB-K93 Carb 4.6 out of 5 stars 145 ECHO YOUCAN Fuel System Kit 225 Series Models 90127Y The Fuel System Kit contains genuine ECHO replacement parts. Includes: fuel filter, fuel lines, grommet, fuel cap, gasket, fuel tank vent and purge bulb. For use on: ECHO trimmers, brushcutters, edgers, and power attachment series (PAS) Fits models: GT-225/i/L/SF, SRM-225/i/SB/U, PE-225, PAS-225/SB. Fuel components should be inspected every 3 ... Echo SRM-225 - Echo String Trimmer (SN: S03912001001 ... Echo repair parts and parts diagrams for Echo SRM-225 - Echo String Trimmer (SN: S03912001001 - S03912999999) SRM-225 (10) SN: U06012001001 - U06012999999 - Fuel System ... Product Description. Parts lookup and diagram for your Echo SRM-225 (10) SN: U06012001001 - U06012999999 Fuel System. Best Price of the market and Premium Support. Default Shipping OptionOrders are shipped UPS GROUND or by USPS Parcel/Global unless other method is preferred.

ECHO SRM-225 Trimmer, Weed trimmer, Fuel Efficient ... Response from Echo: The debris shield on the SRM-225 meets ANSI standards and is narrow to improve visibility. When trimming it is advised to keep debris flow directed away from you to minimize the risk of being struck by flying debris. The Debris flows in the direction of the line rotation at the point of contact. Echo Fuel Line - Lawnmower Pros Echo 90069 Repower Fuel Line And Grommet Kit ECHO 90069 REPOWER TUNE-UP KIT #1 Best Selling Repower Tune-Up Kit Get your Echo 90069 Repower Fuel Line/Grommet Kit and other 2-cycle equipment parts from LawnMowerPros. Make your outdoor power equipment repair fast with a Repower Kits from LawnMowerPros. How to Replace the Fuel Line Grommet on an Echo Trimmer ... This article provides step-by-step instructions for removing and installing the fuel line grommet on an Echo trimmer (model SRM-225). Let's get started. REMOVING THE FUEL LINE GROMMET 1. Remove the air cleaner assembly. Loosen the thumb screw. Remove the air cleaner lid. Remove the air filter. 2. Drain the fuel. Echo Gt 225 Carburetor Diagram - schematron.org Echo GT Manual Online: Carburetor Adjustment. Level 2. Engine Break-In New engines must be operated a minimum duration of two tanks of fuel break-in .When the gas and air flow through the carburetor, they need to have the precise mixture. Otherwise your engine on your Echo line trimmer will perform poorly, slowly and may not even start at all.

CF-Moto Spare Part: Fuel hose { 7020-120210-2000 ...

CF-Moto Spare Part: Fuel hose { 7020-120210-2000 ...

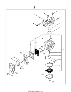
Echo Srm 225 Carburetor Diagram - schematron.org Sep 23, 2018 · Echo Srm 225 Carburetor Diagram. 23.09.2018. 23.09.2018. 7 Comments. on Echo Srm 225 Carburetor Diagram. Fortunately, the carburetor repair kit contains of all of the parts you will for installing a carburetor repair kit on an Echo SRM trimmer. . Press the throttle adjustment nut (on the cable) into the recess on the throttle body.

ECHO SRM-225 Trimmer 21.2cc

ECHO SRM-225 Trimmer 21.2cc

Echo SRM-225 - Echo String Trimmer Parts Lookup with ... Echo repair parts and parts diagrams for Echo SRM-225 - Echo String Trimmer. The Right Parts, Shipped Fast! ... Trimmer Line Knife $ 3.04. Add to Cart 0. Echo SRM-225 - Echo String Trimmer Parts Lookup with Diagrams - Select Your Model (17) Hide . Echo SRM-225 - Echo String Trimmer (SN: S03912001001 - S03912999999) ...

Echo SRM-225 S/N: S94726001001 - S94726999999 Parts Diagram ...

Echo SRM-225 S/N: S94726001001 - S94726999999 Parts Diagram ...

Echo Srm 225 Parts Diagram - wiringall.com Echo Srm 225 Parts Diagram. Get Parts and Repair Help for SRM Echo Trimmer - Straight Shaft Trimmer / Brushcutter. View parts like Fuel Line Grommet and Air Filter. Echo Exploded View parts lookup by model. Complete Parts lookup for Echo power equipment is simpler than ever. Echo Srm Parts Diagrams.

Echo String Trimmer Fuel Line Replacement #V471001230

Echo String Trimmer Fuel Line Replacement #V471001230

Operator's Manual PAS-225/225SB/ 225VP/225VPB ... - ECHO USA operation, or maintenance of this product, call the ECHO Consumer Product Support Department at 1-800-432-ECHO (3246) from 8:00 am to 5:00 pm (Central Standard Time) Monday through Friday. Before calling, please know the model and serial number of your unit. Product Registration Register your ECHO equipment on-line at or by filling

ECHO A021001692 - CARBURETOR RB-K93 SRM-225

ECHO A021001692 - CARBURETOR RB-K93 SRM-225

Echo SRM-225 - Echo String Trimmer (SN: T98314001001 ... Fuel System diagram and repair parts lookup for Echo SRM-225 - Echo String Trimmer (SN: T98314001001 - T98314999999)

Echo SRM-225 Spark Plug 15901019830 OEM

Echo SRM-225 Spark Plug 15901019830 OEM

ECHO Weed Trimmer FUEL LINE AND PRIMER LINE LOCATION SRM-225 Jeff's Little Engine Service shows you where and how the fuel and primer lines are supposed to be installed and located. ECHO SRM-225 Weedeater, Weedwacker, ...

Echo SRM-230 S/N: S65611069328 - S65611999999 Parts Diagram ...

Echo SRM-230 S/N: S65611069328 - S65611999999 Parts Diagram ...

Operator’s Manual SRM-225 Grass Trimmer ... - ECHO USA operation, or maintenance of this product, call the ECHO Consumer Product Support Department at 1-800-432-ECHO (3246) from 8:00 am to 5:00 pm (Central Standard Time) Monday through Friday. Before calling, please know the model and serial number of your unit. Product Registration Register your ECHO equipment on-line at or by filling

ECHO SRM-225 Trimmer, Weed trimmer, Fuel Efficient, Straight ...

ECHO SRM-225 Trimmer, Weed trimmer, Fuel Efficient, Straight ...

Echo Srm-225, Pas-225, Gt-225, Shc-225 Trimmer Fuel Gas ... Echo Srm-225, Pas-225, Gt-225, Shc-225 Trimmer Fuel Gas Tank New Oem A350002270 Rating * Select Rating 1 star (worst) 2 stars 3 stars (average) 4 stars 5 stars (best) Name

Echo SRM-225 S/N: T79914001001 - T79914999999 Parts Diagram ...

Echo SRM-225 S/N: T79914001001 - T79914999999 Parts Diagram ...

Echo Srm 225 Diagram | vincegray2014 Echo Srm 225 Fuel Line Diagram. Echo Pb 2100 Carburetor Adjustment. Convert Er Diagram To Uml Class Diagram. Visio Detailed Network Diagram Template Network Diagram Visio. 741 Pin Diagram. Aem Afr Wiring Diagram. 12v Dc Relay Diagram. N75 Valve Diagram 1.9 Tdi. Sip Trunk Diagram. Fan Switch Diagram.

Echo SRM-310 S/N: 04001001 - 04999999 Brushcutter ...

Echo SRM-310 S/N: 04001001 - 04999999 Brushcutter ...

Echo String Trimmer Fuel Line Replacement #V471001230 ... This video provides step-by-step repair instructions for replacing the fuel line on an Echo string trimmer. The most common reason for replacing the fuel lin...

Echo Straight Shaft Trimmer / Brushcutter | SRM-225 ...

Echo Straight Shaft Trimmer / Brushcutter | SRM-225 ...

Echo SRM-225 S/N: S03912001001 - S03912999999 Fuel System ... Echo SRM-225 S/N: S03912001001 - S03912999999 Fuel System Exploded View parts lookup by model. Complete exploded views of all the major manufacturers. It is EASY and FREE

Echo GT-225 S/N: T75514001001 - T75514999999 Grass Trimmer ...

Echo GT-225 S/N: T75514001001 - T75514999999 Grass Trimmer ...

ECHO SRM-225 Trimmer Parts Diagram SN S04011001001-S04011999999 ECHO SRM-225 Parts for serial number S04011001001-S04011999999 available online and ready to ship direct to your door. Our parts diagrams are a great resource for ECHO Trimmer parts lookup. These illustrated parts diagrams include top repair parts like carburetors, trimmer heads, throttle triggers and primer bulbs for the ECHO SRM-225 Trimmer.

YOUCAN Fuel System Kit 225 Series Models

YOUCAN Fuel System Kit 225 Series Models

Echo SRM-225i - Parts Lookup and OEM Diagrams | PartsTree Fuel System diagram and repair parts lookup for Echo SRM-225i - Echo String Trimmer (SN: T83914001001 - T83914999999)

Fuel Line Configuration on Echo SRM-225 String Trimmer

Fuel Line Configuration on Echo SRM-225 String Trimmer

SRM-225 - Parts Lookup - Echo Parts Online View Details. Quick view. SRM-225 SN: T98214001001 - T98214999999 - Trimmer Head - SPEED-FEED 400 Parts lookup. Parts lookup and diagram for your Echo SRM-225 SN: T98214001001 - T98214999999 Trimmer Head - SPEED-FEED 400. Best Price of the market and Premium Support.

New fuel lines for my Echo SRM-210 weed eater

New fuel lines for my Echo SRM-210 weed eater

Ersatzteile für 3-Wege-Kugelhahn, mit Zeichnung - KRAMP

Ersatzteile für 3-Wege-Kugelhahn, mit Zeichnung - KRAMP

Echo SRM-225 21.2 cc Straight Shaft Trimmer

Echo SRM-225 21.2 cc Straight Shaft Trimmer

SRM-225U Gas Brushcutter | ECHO USA

SRM-225U Gas Brushcutter | ECHO USA

Carburetor Fuel Line kit For Echo GT-225 GT-225i SRM-225 A021001690  A021001691 | eBay

Carburetor Fuel Line kit For Echo GT-225 GT-225i SRM-225 A021001690 A021001691 | eBay

Echo GT-225 21.2cc 2 Stroke Lightweight Durable Gas Curved Shaft String  Trimmer

Echo GT-225 21.2cc 2 Stroke Lightweight Durable Gas Curved Shaft String Trimmer

ECHO SRM-225i for sale in Kingfield, ME. Jordan Lumber Co ...

ECHO SRM-225i for sale in Kingfield, ME. Jordan Lumber Co ...

Echo SRM-225 Trimmer Fuel Lines Replacement - iFixit Repair Guide

Echo SRM-225 Trimmer Fuel Lines Replacement - iFixit Repair Guide

Echo srm 225 carb adjustment step by step

Echo srm 225 carb adjustment step by step

I cannot get the Echo Primer bulb to fill with fuel. What to do?

I cannot get the Echo Primer bulb to fill with fuel. What to do?

Echo Straight Shaft Trimmer / Brushcutter | SRM-225 ...

Echo Straight Shaft Trimmer / Brushcutter | SRM-225 ...

Echo SRM-225 - Echo String Trimmer (SN: S89413001001 ...

Echo SRM-225 - Echo String Trimmer (SN: S89413001001 ...

Fuel Tank Grommet 2 Hole Echo Hc 161 180 and 50 similar items

Fuel Tank Grommet 2 Hole Echo Hc 161 180 and 50 similar items

Amazon.com : SRM-225 String Trimmer, 21.2CC, 17 In. Cut Width ...

Amazon.com : SRM-225 String Trimmer, 21.2CC, 17 In. Cut Width ...

Echo SRM-225 Trimmer Fuel Lines Replacement - iFixit Repair Guide

Echo SRM-225 Trimmer Fuel Lines Replacement - iFixit Repair Guide

Echo SRM-230 S/N: T49514001001 - T49514999999 Parts Diagram ...

Echo SRM-230 S/N: T49514001001 - T49514999999 Parts Diagram ...

ECHO 25.4 cc Gas 2-Stroke Cycle Straight Shaft Trimmer SRM-2620T

ECHO 25.4 cc Gas 2-Stroke Cycle Straight Shaft Trimmer SRM-2620T

Echo SRM-225 Trimmer Fuel Lines Replacement - iFixit Repair Guide

Echo SRM-225 Trimmer Fuel Lines Replacement - iFixit Repair Guide

Echo GT-225 S/N: T86114001001 - T86114999999 Parts Diagram ...

Echo GT-225 S/N: T86114001001 - T86114999999 Parts Diagram ...

SOLVED: I need a diagram of fuel line assembly on echo - Fixya

SOLVED: I need a diagram of fuel line assembly on echo - Fixya

Amazon.com : OEM Genuine Echo/Shindaiwa V490001240 Fuel Line ...

Amazon.com : OEM Genuine Echo/Shindaiwa V490001240 Fuel Line ...

Echo SRM-225 21.2cc 2 Stroke Fuel Efficient Durable Gas Straight Shaft  Trimmer

Echo SRM-225 21.2cc 2 Stroke Fuel Efficient Durable Gas Straight Shaft Trimmer

Echo SRM-251E S/N: 10001001 - 10999999 Parts Diagram for Fuel ...

Echo SRM-251E S/N: 10001001 - 10999999 Parts Diagram for Fuel ...

ECHO-USA | Gas Weed and Lawn Trimmers

ECHO-USA | Gas Weed and Lawn Trimmers

Billings Lawn Equipment | 1241 W 14 Mile Rd, Clawson, MI 48017

Billings Lawn Equipment | 1241 W 14 Mile Rd, Clawson, MI 48017

Carburetor For Zama RB-K93 Echo SRM-225 GT-225 PAS-225 Air ...

Carburetor For Zama RB-K93 Echo SRM-225 GT-225 PAS-225 Air ...

Echo SRM 225 Fuel Line Repair

Echo SRM 225 Fuel Line Repair

0 Response to "41 echo srm 225 fuel line diagram"

Post a Comment

Iklan Atas Artikel

Iklan Tengah Artikel 1

Iklan Tengah Artikel 2

Iklan Bawah Artikel