Iklan 300x250

41 evaporative cooler parts diagram

PDF Coolbreeze Spare Parts Information and Price List Spare Parts Information and Price List Effective 1st September 2008 ALL PRICES EXCLUDE GST AIR GROUP AUSTRALIA 28/30 DIVISION STREET WELSHPOOL WA 6106 Telephone (08) 9350 2200 Facsimile (08) 9353 4225 Champion Evaporative Cooler Parts - Select From 74 Models 43 parts available. Find parts for this model. Top parts for this Evaporative Cooler. Other Parts. Knobs. Motors and Blades. Belts. All 74 Champion Evaporative Cooler models.

Cooler Parts World Evaporative Cooler Parts. High quality replacement parts. shipped fast to your door. Find your brand.

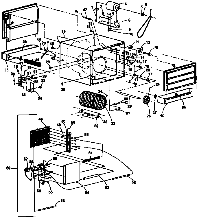
Evaporative cooler parts diagram

Evaporative cooler parts diagram

PDF Portacool Portable Evaporative Coolers For portable evaporative coolers at high air low velocity, Kuul Comfort™ evaporative media meets eficiency standards and exceeds pressure drop requirements. Not only does Kuul evaporative media last longer, but ensures the portable cooler remains operational at high eficiency for on demand cooling when it is needed most. Mastercool MCP44 Parts | Evaporative Coolers Buy Genuine Evaporative Cooler Parts for Mastercool MCP44. It's Easy to Repair your Evaporative Cooler. 18 Parts for this Model. Parts Lists, Photos, Diagrams and Owners manuals. Evaporator - Types, Diagram, Parts, Working, Application The function of the evaporator is to absorb the heat from the space or surrounding medium which is to be cooled by means of refrigeration. The process of heat removal from the substance to be cooled or refrigerated is done in the evaporator. The liquid refrigerant is vaporized inside the evaporator (coil or shell) in order to remove heat from a ...

Evaporative cooler parts diagram. Hessaire Evaporative Cooler Parts & Accessories Hessaire is the premier brand for outdoor and indoor evaporative cooling. Using Hessaire accessories will keep your cooler running at peak performance and extend the life of the unit. We also carry a variety of Hessaire replacement parts like motors, covers and pumps. Shop Swamp Cooler Parts & Accessories By Brand. AIRCARE. Passive Cooling Techniques - Build-It-Solar The system uses night time ventilation and thermal mass to provide cooling. An evaporative cooler is operated at night to cool thermal mass. ... The compact unit contains a water reservoir, water pump, aspen cooling pad, and circulation fans as shown in the diagram. It runs on 12 volt DC power and is powered by the RV's solar panel and battery -- pretty cool :) Tom uses this to … DIY Solar Off Grid Helium Miner Wiring Diagram, Plans ... 06.11.2021 · In this post, I will show you the parts needed and the wiring diagram to get your portable helium miner up and running in remote locations. Table of Contents. 1 Parts needed for our remote helium miner. 2 BlueSolar MPPT 100/15 Solar charge controller; 3 Victron energy Bluetooth smart dongle ; 4 DC-DC Converter Module 12V To 5V USB Output Power Adapter … PDF PORTACOOL JETSTREAM MANUAL OWNER'S - Evaporative Coolers replacement parts. • If the evaporative cooler is damaged or malfunctions, do not continue to operate it. Refer to the warranty, troubleshooting or FAQ sections of this Owner's Manual, call Portacool, LLC Technical Support at 1-888-266-5243, or email support@portacool.com. Control panel Water

Breezair EXH Exploded View - spares.seeleyinternational.com Find the part you need with our exploded view diagrams. Find a Spare Parts Distributor. Print this page. Breezair EXH Exploded View. Find the part you are looking for by the diagram below. Product Details. Description - Evaporative Cooler, Centrifugal Fan, Inverter Direct Drive Motor; Commenced Production 2004; Chiller - Wikipedia A chiller is a machine that removes heat from a liquid coolant via a vapor-compression, adsorption refrigeration, or absorption refrigeration cycles. This liquid can then be circulated through a heat exchanger to cool equipment, or another process stream (such as air or process water). As a necessary by-product, refrigeration creates waste heat that must be exhausted to … PDF Manual for MC91 After unpacking your evaporative cooler, carefully inspect for any damage that may have occurred during transit. Inspect for loose, missing or damaged parts. Contents: Evaporative Cooler (1) Hardware Bag (1) Casters (4) Tools / Materials Needed: Drill with #2 Phillip's bit Or Phillip's head screwdriver Use all precautions and en.wikipedia.org › wiki › Centrifugal_fanCentrifugal fan - Wikipedia A centrifugal fan is a mechanical device for moving air or other gases in a direction at an angle to the incoming fluid. Centrifugal fans often contain a ducted housing to direct outgoing air in a specific direction or across a heat sink; such a fan is also called a blower, blower fan, or squirrel-cage fan (because it looks like a hamster wheel).

Evaporative Cooler Accessories at Lowes.com From cooling pumps and cooler motors to cooler pads, you can shop for replacement parts to extend the life of your evaporative cooler and improve its efficiency. Swamp cooler pumps circulate water through the system and wet the swamp cooler pads. These absorb warm outside air pulled in by the swamp cooler motor, cool it, and clean it before it ... Evaportative Cooler Wiring Diagram Evaportative Cooler Wiring Diagram Evaporative cooling (residential) SWITCHES AND WIRING are on the left of the diagram, wiring to the unit on the roof is on the right side of the diagram. This Do-It-Yourself Swamp Cooler Wiring article covers the wiring and water basics The diagram to the left is a very typical rambler style one level home with a. PDF Principles of Evaporative Cooling System Principles of Evaporative Cooling System A. Bhatia, B.E. Course Contents Evaporative coolers, often called "swamp coolers", are cooling systems that use only water and a blower to circulate air. When warm, dry (unsaturated) air is pulled through a water-soaked pad, water is evaporated and is absorbed as water vapor into the air. The air is cooled › topics › engineeringPsychrometric Chart - an overview | ScienceDirect Topics Fig. 4. shows a hypothetical psychrometric chart showing a comparison between the cooling effects of the presence of a direct evaporative cooler, an A'cool, a Salsa'beel or a fountain in a living environment. Further investigation and experimental work is needed to prove the ranking of the cooling efficiencies of these systems.

BONAIRE 5000D OWNER'S MANUAL Pdf Download | ManualsLib

BONAIRE 5000D OWNER'S MANUAL Pdf Download | ManualsLib

PDF 25 South 51st Avenue - Evaporative Cooler Parts & Mini Splits evaporative cooler motors motor kits parts dial p/n model volts amp rating pulley size ctn qty ctn wt 36" motor cord, adjustable iron pulley, and motor clamps 2530 1/3 hp 1 speed motor kit 115v 6.3 3¼ x ½ 1 13.7 2537 1/3 hp 2 speed motor kit 115v 6.5 / 3.5 3¼ x ½ 1 15.1 1/3 - 3/4hp

Evaporative Cooler Parts Breakdown - Mastercool Parts Finder

Evaporative Cooler Parts Breakdown - Mastercool Parts Finder

Sensible and Latent heat - Hvac Brain -Northrich Parts 16.03.2017 · Read about sensible heat and latent heat. We explain the difference between sensible and latent heat. We also go over the basics of what heat is. After reading about the difference between latent heat and sensible heat, you'll understand the refrigeration cycle. Learn about sensible vs latent heat with HVAC Brain.

Mastercool II Parts List | Evaporative cooler, Cooler, Swamp ...

Mastercool II Parts List | Evaporative cooler, Cooler, Swamp ...

evap-cooler-diagram - Dial Manufacturing, Inc. Disclaimer: Dial Manufacturing, Inc. is an independent manufacturer of replacement parts and accessories for evaporative coolers and is not affiliated with any cooler manufacturer. Dial Manufacturing, Inc. is not a licensee of, associated with, or sponsored by any of the original equipment manufacturers.

Customized Composite Evaporative Condenser Suppliers and ...

Customized Composite Evaporative Condenser Suppliers and ...

KAWASAKI NINJA ZX-9R SERVICE MANUAL Pdf Download | … View and Download Kawasaki Ninja ZX-9R service manual online. Ninja ZX-9R motorcycle pdf manual download. Also for: Ninja zx9r, Ninja zx-900b2, Ninja zx-900b3, Ninja zx-900b1.

The Parts of an Evaporative Cooler (Swamp Cooler)

The Parts of an Evaporative Cooler (Swamp Cooler)

PDF EVAPORATIVE COOLER Owner's Manual 4. Your cooler will run on either 120V or 240V A.C., single phase, 60 Hz (cycle) current. 5. Motor and pump have a grounded, molded plug and an automatic thermal overload switch which will shut motor off when it over-heats. The motor will restart automatically when it cools down. 6. Pump receptacle is for grounded evaporative cooler pump only.

Mobile Evaporative Cooler with humidification control

Mobile Evaporative Cooler with humidification control

Evaporative Swamp Cooler Replacement Parts We carry many parts and supplies for evaporative coolers. For parts breakdowns by model # click here. If you need help finding the parts you need call us at 602-997-1256 or email at indoorsupply@yahoo.com. Bearings. Belts. Blower Wheels. Brand Specific. Dampers. Drain Fittings.

News - Page 8 of 8 - K&S Sales and Supply

News - Page 8 of 8 - K&S Sales and Supply

Arctic Circle ES330D evaporative cooler parts | Sears ... Arctic Circle ES330D evaporative cooler parts - manufacturer-approved parts for a proper fit every time! We also have installation guides, diagrams and manuals to help you along the way!

Parts – Ojeda USA

Parts – Ojeda USA

Adobe Aire RW5000 evaporative cooler parts | Sears PartsDirect Adobe Aire RW5000 evaporative cooler parts - manufacturer-approved parts for a proper fit every time! We also have installation guides, diagrams and manuals to help you along the way!

Cooling tower Condenser Evaporative cooler Machine Fibre ...

Cooling tower Condenser Evaporative cooler Machine Fibre ...

PDF Owner's Manual TC451, TS451 TC571, TS571 READ AND SAVE ... Tradewinds coolers make the best use of the evaporative process by controlling the flow of water, spreading the water evenly over the filters, and keeping a steady stream of cooled air entering your home. It is exhausted out open windows or doors, carrying heat, smoke and odors along with it. Tradewinds evaporative coolers are 80% less costly ...

Chicago Cooling Tower & Chiller Parts | Service Repairs ...

Chicago Cooling Tower & Chiller Parts | Service Repairs ...

CaravansPlus | 12V Fans For Caravans - Delivered Fast Buy the best range of 12V Fans For Caravans in Australia. Shop for all Caravan Electrical & Electronics online at Caravans Plus. Choices include 12 Volt Fans, Other 12 Volt Accessories, and more.You'll get a good deal on leading brands …

Evaporative Cooling (Energy Engineering)

Evaporative Cooling (Energy Engineering)

The Parts of an Evaporative Cooler (Swamp Cooler) Evaporative coolers, often known as swamp coolers, work by extremely simple physics: As water evaporates, it effectively "consumes" heat from the surrounding air.It is the same principle by which an air fan cools you as it evaporates perspiration from your skin. The parts of an evaporative cooler are all designed to facilitate efficient evaporation of water and circulation of the cooled air ...

How to Wire an Evaporative Swamp Cooler Switch: Wiring Diagram

How to Wire an Evaporative Swamp Cooler Switch: Wiring Diagram

Residential Cooler Models | Phoenix Manufacturing Inc. Wiring diagram information for AeroCool Pro Series Evaporative Air Coolers - PD4231, PH4231, PD6231, PH6231. AeroCool Pro Series Replacement Parts List Replacement parts list for Premier Pro Series Evaporative Air Coolers - PD/PH 4801, PD/PH 6801, PD/PH 4231, PD/PH 6231. AeroCool Pro Series Spec-Submittal Sheet Product Spec-Submittal Sheet

Evaporative Cooler & Chiller Coil P e Cooler &amp ...

Evaporative Cooler & Chiller Coil P e Cooler & ...

Champion Swamp Cooler Wiring Diagram - easywiring Champion evaporative cooler owner s manual evaporative cooling evaporative cooling is nature s way of cooling. Is the least efficient diagram among the electrical wiring diagram. Swamp Cooler Parts Archives K S Sales And Supply Installing the swamp coolers wiring depends fully on the power requirements for the combination water pump and air circulator fan …

Home Energy Magazine - Cooling & Air Conditioning ...

Home Energy Magazine - Cooling & Air Conditioning ...

en.wikipedia.org › wiki › Indoor_air_qualityIndoor air quality - Wikipedia Indoor air quality (IAQ) is the air quality within and around buildings and structures.IAQ is known to affect the health, comfort, and well-being of building occupants. Poor indoor air quality has been linked to sick building syndrome, reduced productivity, and impaired learning in schools.

Evaporative Cooler Parts & Accessories - Evaporative Coolers ...

Evaporative Cooler Parts & Accessories - Evaporative Coolers ...

How a Heater Control Valve Works (with Diagram) - In The ... 18.06.2021 · An example of a heater control valve diagram. Some vehicles (mostly older models) have a heater control valve. As its name implies, the heater control valve controls the flow of coolant through the heater core. To have a better understanding of the heater control valve, it’s important to first know how your car’s heater works.

Brivis Evaporative Cooling Installation Melbourne | FREE Quote

Brivis Evaporative Cooling Installation Melbourne | FREE Quote

Mastercool MCP44 • Cooler Parts World 20 Parts Available for this Model. I gave them the model # and specified what else I needed, and it was taken care of no hassle no problems. I THANK THEM very much. ... Accessories for all Evaporative Coolers. Accessories Ref. Part No & Description Price; T812 - Cutting board 8 x12 inch. More info: $2.49 ...

Desert Air Conditioning New Equipment Ducting General ...

Desert Air Conditioning New Equipment Ducting General ...

Download Our Heating & Cooling Product Brochures - Rinnai Rinnai isintroducing innovation in cooling and heating products that are environmentally sustainable and energy efficient. ENQUIRE TODAY

The Hot Dry Swampy Days of Summer - DesertUSA Stories & News

The Hot Dry Swampy Days of Summer - DesertUSA Stories & News

Evaporative cooler - Wikipedia An evaporative cooler (also evaporative air conditioner, swamp cooler, swamp box, desert cooler and wet air cooler) is a device that cools air through the evaporation of water. Evaporative cooling differs from other air conditioning systems, which use vapor-compression or absorption refrigeration cycles. Evaporative cooling exploits the fact that water will absorb a …

Arctic Cove 350 CFM 4 Speed Portable Evaporative Cooler for ...

Arctic Cove 350 CFM 4 Speed Portable Evaporative Cooler for ...

Cooler Accessories & Parts | Essick Air Products, Inc. Evaporative Coolers Phone: 1-800-643-8341 Fax: 501-562-9485 Email: info@essickair.com

Schematic of Conventional Evaporative Air Cooler [14 ...

Schematic of Conventional Evaporative Air Cooler [14 ...

PDF Instruction Manual Evaporative Swamp Cooler • Press once to start the evaporative cooling function. COOL indicator light will illuminate and LCD panel displays the cool (snowflake) indicator. • Press again to stop function and operate in regular fan mode. • Make sure water is added before turning on this function. Unit cycles the water to blow cool, humidified air.

What Are Evaporative Coolers? Here's Everything You Need to ...

What Are Evaporative Coolers? Here's Everything You Need to ...

AIRCARE Evaporative Humidifier Instructions - Manuals+ 31.07.2021 · AIRCARE Evaporative Humidifier Instructions Contents hide 1 IMPORTANT SAFEGUARDS 2 INTRODUCTION 3 HOW YOUR HUMIDIFIER WORKS 4 FEATURES 5 CAUTIONS ON ADDITIVES TO WATER: 6 ASSEMBLY 7 FILLING INFORMATION 8 ABOUT HUMIDITY 9 CONTROLS AND OPERATION 10 CARE AND MAINTENANCE 11 STANDARD …

BRISA Evaporative Window Cooler Replacement Parts List

BRISA Evaporative Window Cooler Replacement Parts List

Evaporative Cooler Parts Breakdown - Mastercool Parts Finder Find your model number in the list below and click for a breakdown with parts list and links to purchase online.

Hydraulischer Bremsverstärker - Ersatz - EC-1600 - UMC-750 ...

Hydraulischer Bremsverstärker - Ersatz - EC-1600 - UMC-750 ...

PDF Portable Evaporative Air Cooler User Manual Read and save ... This activates evaporative cooling. The water pump will operate and you will feel the cooler air after the Honeycomb Cooling Media is completely wet. When the is not illuminated on the display screen, the unit switches to a fan only mode, without evaporative cooling. WARNING -- READ AND SAVE THE AIR COOLER SAFETY & MAINTENANCE GUIDE AND USER

CHILLY 1.1, your smart cooler! - Hackster.io

CHILLY 1.1, your smart cooler! - Hackster.io

SPARE PARTS - bonairedurango HOME PRODUCTS SUPPORT FAQ's CORPORATE SPARE PARTS. About Bonaire. Bonaire is owned by Symphony Limited. Cooling the world since 1939, Symphony is one of the world leaders in evaporative cooling with its products sold in 60 countries through 30,000+ retailers and 1000+ distributors around the globe.

Bonaire / Celair 600W Evaporative Cooler Motor FASCO ...

Bonaire / Celair 600W Evaporative Cooler Motor FASCO ...

Evaporator - Types, Diagram, Parts, Working, Application The function of the evaporator is to absorb the heat from the space or surrounding medium which is to be cooled by means of refrigeration. The process of heat removal from the substance to be cooled or refrigerated is done in the evaporator. The liquid refrigerant is vaporized inside the evaporator (coil or shell) in order to remove heat from a ...

Kenmore 661624530 evaporative cooler parts | Sears PartsDirect

Kenmore 661624530 evaporative cooler parts | Sears PartsDirect

Mastercool MCP44 Parts | Evaporative Coolers Buy Genuine Evaporative Cooler Parts for Mastercool MCP44. It's Easy to Repair your Evaporative Cooler. 18 Parts for this Model. Parts Lists, Photos, Diagrams and Owners manuals.

Evaporative Cooling Systems | Building America Solution Center

Evaporative Cooling Systems | Building America Solution Center

PDF Portacool Portable Evaporative Coolers For portable evaporative coolers at high air low velocity, Kuul Comfort™ evaporative media meets eficiency standards and exceeds pressure drop requirements. Not only does Kuul evaporative media last longer, but ensures the portable cooler remains operational at high eficiency for on demand cooling when it is needed most.

Essickair/Champion 4001SD Parts Breakdown List

Essickair/Champion 4001SD Parts Breakdown List

Exploded view of the Evaporative Cooling System. | Download ...

Exploded view of the Evaporative Cooling System. | Download ...

File:Evap cooler illustration.png - Wikipedia

File:Evap cooler illustration.png - Wikipedia

Mma 163em - CALAMEO Downloader

Mma 163em - CALAMEO Downloader

Cooling Tower Parts | Components | Functions - Sara Cooling Tower

Cooling Tower Parts | Components | Functions - Sara Cooling Tower

PORTACOOL CYCLONE™ OWNER'S MANUAL

PORTACOOL CYCLONE™ OWNER'S MANUAL

Evaporative Cooling Design Guidelines Manual

Evaporative Cooling Design Guidelines Manual

An Eco-Friendly DIY Air Conditioner That Uses Almost No Power ...

An Eco-Friendly DIY Air Conditioner That Uses Almost No Power ...

Seeley BreezAir Spares & Parts from Authorised Installer ...

Seeley BreezAir Spares & Parts from Authorised Installer ...

Water Conservation with Closed-Loop, Evaporative Cooling for ...

Water Conservation with Closed-Loop, Evaporative Cooling for ...

Evaporative cooler wiki | TheReaderWiki

Evaporative cooler wiki | TheReaderWiki

Untitled

Untitled

1-999-2104 OG - CTV2 rev 03-06.cdr

1-999-2104 OG - CTV2 rev 03-06.cdr

OWC Series Portable Water-Cooled Spot Cooler | OceanAire

OWC Series Portable Water-Cooled Spot Cooler | OceanAire

0 Response to "41 evaporative cooler parts diagram"

Post a Comment

Iklan Atas Artikel

Iklan Tengah Artikel 1

Iklan Tengah Artikel 2

Iklan Bawah Artikel