Iklan 300x250

41 ranch king riding mower belt diagram

John Deere Riding Mower Won't Go Forward Or Reverse ... Dropped it off for warranty on the transmission. Thing is like new. My lot is 1/3 acre so not much of a grass foot print. Sorry I went JD. It replace a 30 year old Ranch King from Farm and Fleet made by MTD. It still runs but very worn. I use a 2005 BroncoTroybuilt on my1acre property. Belts, steering bushing, and normal lube the only problem. PDF Sears 48 In Rotary Mower Model No 917251041 Owners Parts ... page 15 repair parts 42" rota mower--model number 917.253540 48" rotary mower--model number 917.253551 42" 48" part description std541031 " hex nut 5/16- STD551 * Lockwasher 5/1 6 Heavy STD551031 *Washer x 16 Ga. 2629R Brake Shoe 3770R Spring 634A590 Snubber Weldment...

10 Best Zero Turn Mowers [Reviews for ... - Best Home Gear A zero-turn mower steers by the use of two independent Wheel Motors and lap bars, and unlike riding lawnmowers - which use a traditional steering wheel. Zero-turn mowers use lap bars to "pivot" the mower up to 180 degrees, by pushing one lap bar forward or backward more than the other.

Ranch king riding mower belt diagram

Ranch king riding mower belt diagram

Sale For Cub 782d Cadet [L21T0W] 782D Cub Cadet 815 hrs garden tractor 50" mwr deck 3 cyl diesel hydro dr, John Deere lawn cart, Jari walk behind sickle mower, Auger type wood splitter, Ranch King riding mower 14. Cub Cadet 782D. Serial number of the tractor is 2050594V683945. $750 (oma > Council bluffs ) pic hide this posting restore restore this posting. Cub cadet transaxle. MTD Riding Mower Reviews: What To Know | ConsumerAffairs The mower I purchased is a 30" cut riding mower manufactured for Sears. I purchased this mower in 2018. It is a 2017 model so it was already at least a year old when purchased. Tractor Accessories, Tractor Parts, Tractor ... - Agri Supply 419.99$419.99EA. #73526. Add to Cart. TOP LINK CYL CAT 1, 20-28" 1 90599 Other. Top Link Cylinder, Cat 1, 2" x 8". The average rating for this product is 5 out of 5 stars.

Ranch king riding mower belt diagram. Powersports Parts & Accessories | ATV, UTV, Snowmobile ... If you're among them, and you get your motor fix with an ATV (All-Terrain Vehicle) or UTV (Utility Task Vehicle), snowmobile, or Personal Water Craft (PWC), our powersports parts & accessories can make your rides even better. From tires to dock lines, helmets to life jackets, and covers to spark plugs, you'll find gear from all the top ... houston farm & garden - craigslist Murray 6.25 hp self propelled Lawn Mower $140 (South West) pic hide this posting restore restore this posting. $1,000. favorite this post Mar 26 Craftsman 420cc 30" Riding Lawn Mower $1,000 (South West) pic hide this posting restore restore this posting. $250. favorite this post Mar 26 Nubian bucks $250 pic hide this posting restore restore ... Garden Tractor Forums Hechinger/MTD 149-818-3727 18HP Tractor. MTD Tractor Forum. I just bought a Hechinger branded MTD tractor. It looks like it's from the 80s but I don't know. On the tag it says: Lot/Model 149-818-3727, and Mfg.Date D229D, and I don't know if this is part of the date but it also says: 06-351514. The engine is an 18HP Briggs and Stratton opposed ... The 3 Causes of White Smoke From A Diesel And What To Do ... 2. A thick cloud a white smoke. Red alert This is the danger zone. Water or coolant can cause white smoke from a diesel engine as well. This is a symptom of a bad problem. Your engine is getting coolant or water in the combustion chamber. This is caused by a compromised part of the engine that has the flow of coolant in it.

MTD Products US MTD's founders believed in being good stewards of the gifts with which they had been blessed, whether that be the business itself, their communities, or the opportunities before them. As a result, stewardship has been a core value of MTD since its inception and remains an integral part of our corporate culture today. MTD Products is a leader ... Rotary Mowers, Rotary Cutters, Bush Hogs ... - Agri Supply 1689.99$1,689.99EA. #121620. Add to Cart. 6' ROUND BACK ROTARY MOWER 100HP 121619 Grizzly. Grizzly 6' Round Back Rotary Mower, 100 HP Gearbox. The average rating for this product is 5 out of 5 stars. Modern Wiring Diagram ranch king riding mower belt diagram. 45 ranch king riding mower belt diagram. belt diagram mtd ranch king? = Answered | Mend Garden ... i need a diagra… Written By Eric Y. Gallegos March 19, 2022 Add Comment Edit. tape diagram math 4th grade tape diagram math 4th grade subtraction. 44 murray mower belt diagram - Wiring Diagram Source Murray Riding Mower Belt Diagram Troubleshooting - HubPages i need a drive belt diagram for a murray 42702x4a ride on mower thanks. vscotthall@yahoo.com on June 06, 2012: can you send me a pic diagram on how the drive belt goes on for a 12 hp murray riding mower. this one broke and not sure how it goes back. gary on May 16, 2012: I am looking ...

How to Jack Up a Riding Mower Tractor | Home Guides | SF Gate 1. Park the riding mower on a level, hard surface, such as a driveway. Set the riding mower tractor park brake. Slide wooden blocks or wheel chocks in front of and behind the tires that are not ... Bf4- Lewis Structure Molecular Geometry, What Is The ... Ranch king riding mower belt diagram; 2005 honda accord fuel filter location; Where to get earthquake in platinum; What is the density of chlorine gas at stp? Why do my calls show up as restricted; Wo ai ni meaning in english; How to repair a snow globe; How much does a casket weight; What do the coefficients in a balanced equation represent 10 Best Riding Lawn Mowers in 2022 - Best Home Gear Riding Lawn Tractors aren't Cheap - They're a big investment, that's why we have researched extensively and lined up the Ten Best Riding Mowers for the Money - to help you decide which lawn tractor is the very best one for your own needs.. The Top 10 Riding Mowers For 2022 . Editor's Choice: Husqvarna T348XD - 48-inch Riding Mower What Are the Different Types of Lawn Mower Pulleys? All bearing-free lawn mower pulleys are attached to a solid steel shaft and are used to drive another pulley. The most common pulley of this type is found on the bottom of the lawn mower's engine in the form of the crankshaft pulley.These lawn mower pulleys are used to send power from the engine to the same type of pulley mounted on the transmission of the machine, thereby allowing the mower ...

MTD 690 THROUGH 699 OPERATOR'S MANUAL Pdf Download | ManualsLib

MTD 690 THROUGH 699 OPERATOR'S MANUAL Pdf Download | ManualsLib

10 Best Zero Turn Mowers [2022 Buyers ... - Best of Machinery A high power mower is only as good as its blades. Keeping your mower blades sharp is crucial to an efficient machine and clean cut. You should sharpen your blades after every 25 hours of run time, either at home or at a shop. 4. Husqvarna Z254F Hydrostatic Zero-Turn Riding Mower Best 54-Inch Zero-Turn Lawn Mower

Ranch King by MTD 146S849H205 (1996) - PartsWarehouse

Ranch King by MTD 146S849H205 (1996) - PartsWarehouse

15 Boho Curtain Ideas That Will Instantly Cozy Up ... - Hunker While subtle, this particular style boasts a hand-knotted macramé faux valance that adds a touch of texture and flair to a space. Our Pick: Dakota Fields Joplin Semi-Sheer Fringed Curtain Panel, $46.24. 4. Pom-poms forever. You can always count on pom-poms to bring a dash of boho drama to a window display.

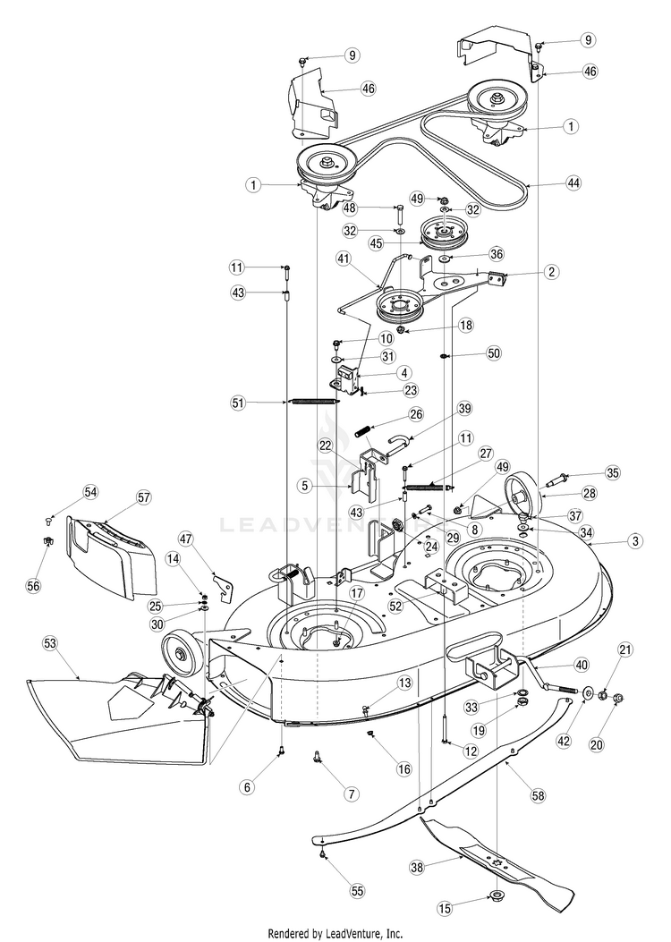
MTD Ranch King Mdl 130-670G205 Parts Diagram for 42

MTD Ranch King Mdl 130-670G205 Parts Diagram for 42" Side ...

The Best Tractor Post Hole Digger [March ... - Toolshed Stuff This tough, category 1 rated 3 point tractor post hole digger is compatible with 6, 9, and 12-inch earth augers bits that are bolted in place onto a 2-inch gearbox shaft. The boom is made from high strength 2-7/8″ tubing complete with adjustment holes and manual canister. This strong PTO driveline 1 series comes with the all-important safety ...

136L673F022 - Lawn Chief Lawn Tractor (1996) (Cotter ...

136L673F022 - Lawn Chief Lawn Tractor (1996) (Cotter ...

My Tractor Forum Front weights. jfelling71 · 16 h ago. Mar 19, 2022 at 04:16 PM. · PA318Guy replied 5 h ago. Mar 20, 2022 at 03:26 AM. 4. 4. Lawn and Garden Tractor Accessories.

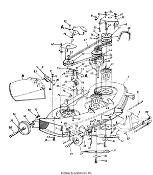
MTD Ranch King Mdl 130-800H205 Parts Diagram for 46

MTD Ranch King Mdl 130-800H205 Parts Diagram for 46" Mowing Deck

Briggs And Stratton Wiring Diagram - Wirings Diagram Briggs And Stratton Wiring Diagram - briggs and stratton wiring diagram, briggs and stratton wiring diagram 12.5 hp, briggs and stratton wiring diagram 12hp, Every electric structure is composed of various distinct pieces. Each part ought to be set and connected with different parts in specific way. If not, the structure will not work as it ought to be.

13BI618H205 - Ranch King Lawn Tractor (2002) Parts Lookup ...

13BI618H205 - Ranch King Lawn Tractor (2002) Parts Lookup ...

Tecumseh 8hp Motor Manual Mtd Snowblower, Hp Snowblower ... TECUMSEH 8HP MOTOR MANUAL MTD SNOWBLOWER PDF. You ll think Old Man Winter has played you for a sucker. Before you are able to change the lawn mower oil on your Briggs & Stratton small engine, it s important to understand the oil type and capacity required. The large frames usually used 1 drive belt and 2 auger belts.

Ranch King 42-Inch Riding Lawn Mower 13AM670G206 with Bagger ...

Ranch King 42-Inch Riding Lawn Mower 13AM670G206 with Bagger ...

Everyday Hero Articles - Blog - Inspiring Stories - Your ... Check out our Everyday Hero articles. We have a collection of unique, intriguing short stories that will inspire and have you coming back for more.

Ranch King by MTD 134H470F205 (1994) - PartsWarehouse

Ranch King by MTD 134H470F205 (1994) - PartsWarehouse

What Is The Density Of Chlorine Gas At Stp? What Is The ... STP method T = 273Kand ns = 1 atm. The thickness of a gas have the right to be calculatedfrom the IGL (Ideal Gas Law) since density is just mass every unit volume. If wetake n, the variety of moles, we can transform it to grams by making use of M, the molarmass: m = n´M which method. . V is currently in the IGL (PV = nRT),so we substitute for n:

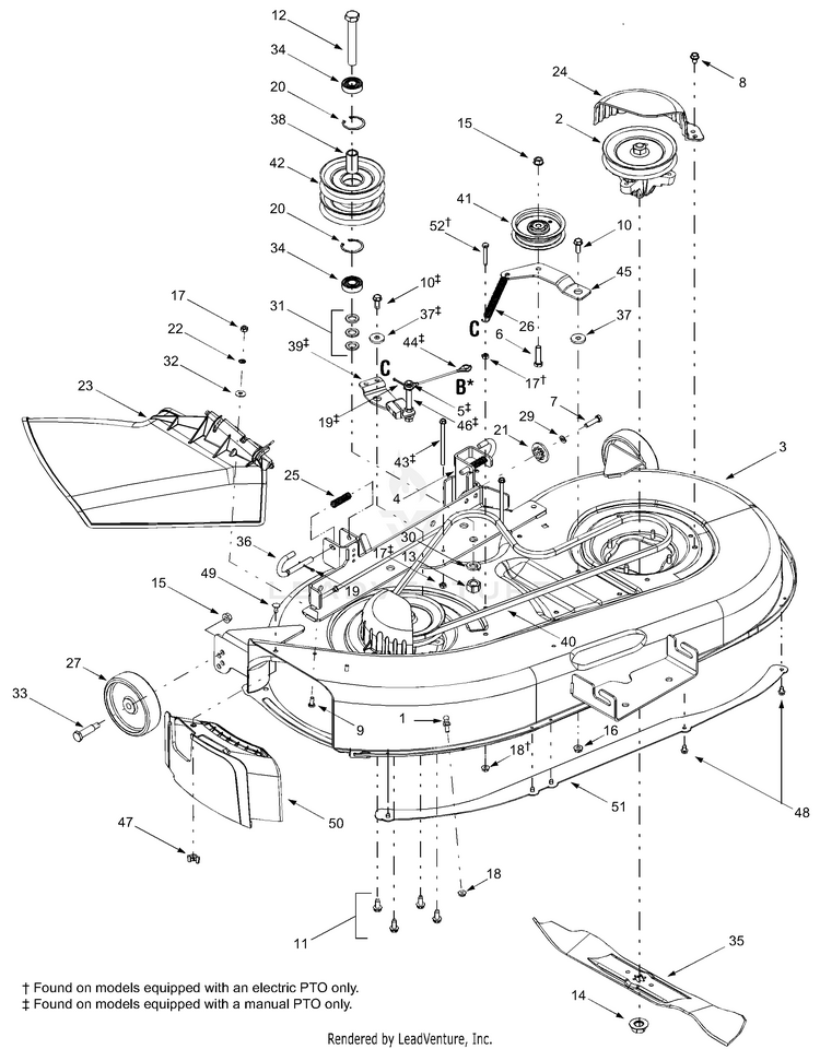
MTD Ranch King Mdl 139-652F205 Parts Diagram for 38

MTD Ranch King Mdl 139-652F205 Parts Diagram for 38" Side ...

Mtd Riding Lawn Mower Wiring Diagram - Wiring Diagram Mtd Model 132-431F088 Lawn, Tractor Genuine Parts - Mtd Riding Lawn Mower Wiring Diagram. Wiring Diagram consists of numerous detailed illustrations that present the link of varied things. It includes guidelines and diagrams for different varieties of wiring techniques and other items like lights, home windows, and so forth.

Ranch King RK 185H46 A - Ranch King Lawn Tractor (1999) MOWER ...

Ranch King RK 185H46 A - Ranch King Lawn Tractor (1999) MOWER ...

Bobcat Zero-Turn Mowers - Bobcat Company 55-hp, turbo-charged compact tractor offers enclosed cab and electronic hydrostatic transmission. Get more with this powerful 58-hp compact tractor featuring a 2,908-lb. 3-point hitch lift capacity. The Bobcat® ZT2000 zero-turn mower gives you commercial-grade features without the commercial-grade price tag.

Powr Kraft 18/46

Powr Kraft 18/46

38 mtd mower belt diagram - Diagram For You Belt diagram for 46" mtd yard machine riding mower - Fixya Belt diagram for 46" mtd yard machine riding mower Belt diagram for 46" mtd yard machine riding mower - Craftsman 20 Hp 42" Deck Lawn Tractor question.1 answer · 1 vote: You can find the belt diagram for the MTD Yard Machine mower in the MTD Owner Manual. The diagram is on page 21.

MTD hydro belt replacement

MTD hydro belt replacement

Tractor Accessories, Tractor Parts, Tractor ... - Agri Supply 419.99$419.99EA. #73526. Add to Cart. TOP LINK CYL CAT 1, 20-28" 1 90599 Other. Top Link Cylinder, Cat 1, 2" x 8". The average rating for this product is 5 out of 5 stars.

Replaces Ranch King 12.5hp/38

Replaces Ranch King 12.5hp/38" Riding Mower Carburetor ...

MTD Riding Mower Reviews: What To Know | ConsumerAffairs The mower I purchased is a 30" cut riding mower manufactured for Sears. I purchased this mower in 2018. It is a 2017 model so it was already at least a year old when purchased.

Ranch King by MTD 134H470F205 (1994) - PartsWarehouse

Ranch King by MTD 134H470F205 (1994) - PartsWarehouse

Sale For Cub 782d Cadet [L21T0W] 782D Cub Cadet 815 hrs garden tractor 50" mwr deck 3 cyl diesel hydro dr, John Deere lawn cart, Jari walk behind sickle mower, Auger type wood splitter, Ranch King riding mower 14. Cub Cadet 782D. Serial number of the tractor is 2050594V683945. $750 (oma > Council bluffs ) pic hide this posting restore restore this posting. Cub cadet transaxle.

Surplus Millennium Ranch King Mower in Abilene, Kansas ...

Surplus Millennium Ranch King Mower in Abilene, Kansas ...

MTD Ranch King Mdl 139-652F205 Parts Diagram for 38

MTD Ranch King Mdl 139-652F205 Parts Diagram for 38" Side ...

Surplus Millennium Ranch King Mower in Abilene, Kansas ...

Surplus Millennium Ranch King Mower in Abilene, Kansas ...

13AQ699H205 - Ranch King Lawn Tractor (1997) Parts Lookup ...

13AQ699H205 - Ranch King Lawn Tractor (1997) Parts Lookup ...

RANCH KING PRO HYDRO DRIVE RIDING LAWN MOWER | SPENCER SALES

RANCH KING PRO HYDRO DRIVE RIDING LAWN MOWER | SPENCER SALES

SOLVED: Need a deck belt diagram for MTD - Fixya

SOLVED: Need a deck belt diagram for MTD - Fixya

Riding lawn mower creeps when in gear - DoItYourself.com ...

Riding lawn mower creeps when in gear - DoItYourself.com ...

Ranch King by MTD 13AF618G705 (2004) - PartsWarehouse

Ranch King by MTD 13AF618G705 (2004) - PartsWarehouse

13BI618H205 - Ranch King Lawn Tractor (2002) Parts Lookup ...

13BI618H205 - Ranch King Lawn Tractor (2002) Parts Lookup ...

belt diagram for Murray - Murray Riding Mower - iFixit

belt diagram for Murray - Murray Riding Mower - iFixit

MTD Ranch King Mdl 137-504-205 Parts Diagram for Parts03

MTD Ranch King Mdl 137-504-205 Parts Diagram for Parts03

DIY: How to Change the Upper Drive Belt on MTD Gold Lawn Mower - Bolens or  Yard Machines

DIY: How to Change the Upper Drive Belt on MTD Gold Lawn Mower - Bolens or Yard Machines

MTD Ranch King Mdl 138-652-205 Parts Diagram for Parts02

MTD Ranch King Mdl 138-652-205 Parts Diagram for Parts02

Ranch King by MTD 13AX611G705 (2005) - PartsWarehouse

Ranch King by MTD 13AX611G705 (2005) - PartsWarehouse

79 Mower business ideas | mower, lawn mower repair, lawn mower

79 Mower business ideas | mower, lawn mower repair, lawn mower

MTD Ranch King plus 18/46

MTD Ranch King plus 18/46

Ranch King by MTD 13AF618G705 (2004) - PartsWarehouse

Ranch King by MTD 13AF618G705 (2004) - PartsWarehouse

13BM675G205 - Ranch King Lawn Tractor (1999) Parts Lookup ...

13BM675G205 - Ranch King Lawn Tractor (1999) Parts Lookup ...

Fixing up an MTD - Deck Installation & How-To

Fixing up an MTD - Deck Installation & How-To

13BI618H205 - Ranch King Lawn Tractor (2002) Parts Lookup ...

13BI618H205 - Ranch King Lawn Tractor (2002) Parts Lookup ...

13AQ699H205 - Ranch King Lawn Tractor (1997) Parts Lookup ...

13AQ699H205 - Ranch King Lawn Tractor (1997) Parts Lookup ...

Murray 42517x82A - Ranch King 42 Lawn Tractor (2000) Motion ...

Murray 42517x82A - Ranch King 42 Lawn Tractor (2000) Motion ...

SOLVED: Can you please give me a simple deck drive belt - Fixya

SOLVED: Can you please give me a simple deck drive belt - Fixya

Some pics of my Ranch King | My Tractor Forum

Some pics of my Ranch King | My Tractor Forum

ranch king deck diagram Questions & Answers (with Pictures ...

ranch king deck diagram Questions & Answers (with Pictures ...

MTD Ranch King Mdl 141-840h205 Parts Diagram for Parts06

MTD Ranch King Mdl 141-840h205 Parts Diagram for Parts06

MTD Ranch King Mdl 139-652F205 Parts Diagram for 38

MTD Ranch King Mdl 139-652F205 Parts Diagram for 38" Side ...

0 Response to "41 ranch king riding mower belt diagram"

Post a Comment

Iklan Atas Artikel

Iklan Tengah Artikel 1

Iklan Tengah Artikel 2

Iklan Bawah Artikel