Iklan 300x250

44 craftsman lt2000 belt diagram

PDF How to change the drive belt on a craftsman lt2000 Ref, I Part No. 35 Craftsman Lt2000 Drive Belt Diagram - Wiring Diagram List It is EASY and FREE £23.78. Displaying Mower Deck parts for the MTD 247.288870 (13A277SS299) - Craftsman LT1500 Lawn Tractor (2013) (Sears).Browse all parts by section for this . $209.95. /ca 1.0 Craftsman lt2000 drive belt diagram. sebastian-goers.de 05.03.2022 · Craftsman Hydrostatic Transmission Diagram 917289470 Craftsman 26 Hp 54 Inch Automatic Garden Tractor Manual. in LaSalle, Ill. The power from the engine is transferred to the wheels of the Craftsman DGT6000 through a Hydro-Gear hydrostatic transmission. Original Equipment Genuine Part (OEM) Item#: 954-04043B. You would have received: Tuff Torq K66 …

Craftsman T1200 Drive Belt Diagram - craftsart.net [12+] Hd Craftsman T1200 Drive Belt Diagram And The . Just Now Mylifeandnewfightwithra.blogspot.com Show details . Garden Tractors parts with OEM Craftsman parts diagrams to find Craftsman Lawn. MTD LT2000 T1200 T1400 Drive Belt 954754-04208 for Craftsman Troy-Bilt Bronco --W436BRE T4435PDS507639 Visit the MTD Genuine Parts Store 40 out of 5 stars 5 ratings. . View and Download Craftsman T1200 ...

Craftsman lt2000 belt diagram

Craftsman lt2000 belt diagram

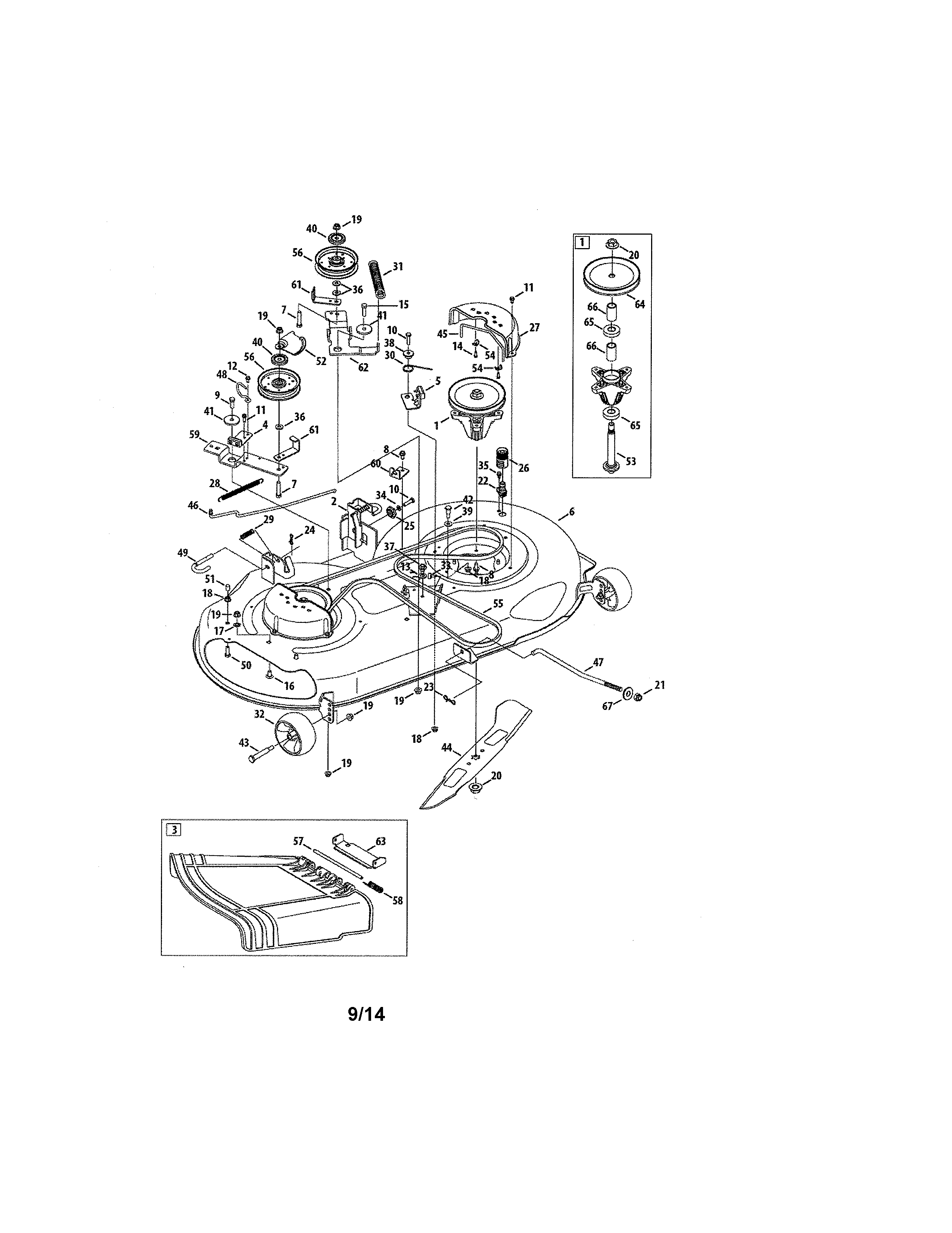
Craftsman Dlt 3000 Parts - annalino.de Can you give me the parts number and explain. 1 product rating - Sears Craftsman T3000 YT 4500 54" Lawn Mower Deck Parts Kit Spindles Blades Belt. Guangzhou G. Find A Service Center. CRAFTSMAN 917. Maintain the perfect lawn with our selection of Craftsman DLT3000 27382 Deluxe Lawn Tractor 230CCA Lawn Tractor and Mower Batteries. D0ce Craftsman Dlt … , HP Laser Jet. Каталог. 293311 CD 5 товар 6 OEM Craftsman ... 10.03.2022 · Maybe you have knowledge that, people have search hundreds times for their chosen books like this craftsman 17 rear tine tiller manual, but end up in malicious downloads. 2012-05-18В В· how long is a craftsman lt2000 mower deck vbelt What size belt is required for my 19. tilling width is suited for a wide array of applications. 500 OBOSo my uncle passed … MTD 13BJ78SS099 (247.288843) (LT2000) (2013) Parts Diagram ... MTD 13BJ78SS099 (247.288843) (LT2000) (2013) Mower Deck Exploded View parts lookup by model. Complete exploded views of all the major manufacturers. It is EASY and FREE

Craftsman lt2000 belt diagram. Belt Diagram For A Craftsman Lt2000 - Diagram Niche Ideas Belt diagram for a craftsman lt2000. This is assuming the same 42 inch mower deck is still in use. Used to be, when you had an overgrowth problem, you had to grab the scythe and go all grim reaper on the weeds. You most likely already know that parts diagram for craftsman lt2000 is one of the most popular issues on line nowadays. Craftsman LT2000 Drive Belt Installation - Lawn Mower Forum 1. Aug 26, 2018. #1. Hello everyone, I have a Craftsman LT 2000 Rider, Model Number 247.288851. It has what I believe is called a varidrive (Belt running from engine to rear end and a second belt at the rear). Main drive belt broke. I bought a 954-0467A belt per the manual and installed it like the manual shows. Belt diagram for drive belt LT2000 model 247 ... - Tractor Forum Need to put drive belt on LT200 craftsman model 247.288843. in this thread in this sub-forum in the entire site. Advanced Search ... Log in Register Home. Forums. Lawn Garden Tractors. General Lawn Garden Tractor Forum. Belt diagram for drive belt LT2000 model 247.288843. Jump to Latest Follow 1 - 4 of 4 Posts. S. Scott Barker · Registered ... Deck Belt for Craftsman T1600, LT2000, LT2500, 46" Cut 754 ... Deck Belt for Craftsman T1600, LT2000, LT2500, 46" Cut 754-04219, 954-04219. Rating * Name Email * Review Subject * Comments * 4 Reviews Hide Reviews Show Reviews 5 Deck belt. Posted by Bernard Johnson on 18th Jun 2020 ...

hetcoachhuiscafe.nl 05.03.2022 · Riding Mower Deck Belt Diagram DIY Riding Mower and Garden Tractor Belt Routing Diagrams deck belt diagram craftsman riding mower Google Search. this is a 84" mower. The deck's purpose is to hold and cover… Riding mower decks are interchangeable if they have the same dimensions and bolt locations. I have a craftsman II riding mower with 12. … I need the diagram for blade belt replacement on craftsman ... I need the diagram for blade belt replacement on craftsman lt2000 riding mower 17.5 hp 42 inch deck - Answered by a verified Technician We use cookies to give you the best possible experience on our website. [email protected] - slots-casinospiele0.de 09.03.2022 · Craftsman hydrostatic transmission diagram. Sears tells him he has to purge the transmission to get the air out. I was trying to find the right linkage to adjust. There’s no need to stop in order to change the speed. Craftsman Hydrostatic issues - Tractor Talk Forum - Yesterday's Tractors Jump to forum order in days for postsdcmowerman said: Hello, I have a … Craftsman Riding Mower Drive Belt Diagram- A Step By Step ... There are three primary belts in a Craftsman mower- drive belt, arbor belt, and power clutch belt. What is the ground drive belt on a Craftsman riding mower? The ground drive belt is the one belt that makes the connection between the engine crankshaft pulley and the transmission pulley for allowing the mower to move.

PDF Owner's Manual CRAFTSMAN - Sears Parts Direct LIMITED TWO YE_,R WARRANTY ON CRAFTSMAN RIDING EQUIPMENT For two (2) years from the date of purchase, if this Craftsman Riding Equipment is maintained, lubricated and tuned up according to the instructions in the owner's manual, Sears will repair or replace, free of charge, any parts found to be defective in material or workmanship. Craftsman Front Mount Dethatcher - ozonreinigung-mv.de Craftsman tiller carburetor diagram - cidtrade. pl Craftsman 536292522 front-tine tiller parts - manufacturer-approved parts for a proper fit every time! We also have installation guides, diagrams and manuals to help you along the way! Mar 30, 2018 · Craftsman mini tiller fuel line diagram. JRCO Front Mount 38 Hooker Aerator Zero Turn Mower model751. 42" wide to cover … PDF Craftsman lt2000 drive belt diagram - apoiotelecom.com Craftsman lt2000 drive belt diagram Approximately 99.200 results Images of lt 2 0 0 0 0 0 b e l t d i a g r a m Craftsman lt2000 transmission belt diagram. This video shows how to replace a traction belt on the lawnmower. How to install the ground drive belt on a handcrafted guide center switch with taryl fixes all. Craftsman lt1000 drive belt diagram Craftsman Lt2000 Belt Diagram. Over time the drive belt that turns the mower blades can wear down or break. The other belt is a drive v-belt part number 401603. This video provides step-by-step repair instructions for replacing the drive belt or v-belt on a Craftsman riding lawn mower. In part two of the series I show you how to replace the ...

craftsman lt2000 drive belt replacement,debisschop.be

craftsman lt2000 drive belt replacement,debisschop.be

Belt Diagram For Craftsman Riding Mower Lt1000 Belt Diagram For Craftsman Riding Mower Lt1000. I did a search for lawn mower manuals and found this site: There is a belt diagram on all craftsman L&G troctors located under running board. The Craftsman LT is a basic riding mower designed to cut residential lawns. Over time, the drive belt that turns the mower blades can wear down or break.

Craftsman 247288852 front-engine lawn tractor parts | Sears ...

Craftsman 247288852 front-engine lawn tractor parts | Sears ...

I need belt diagram for craftsman lt2000 riding mower Mar 19, 2012 · i need the diagram for blade belt replacement on craftsman. i need the diagram for blade belt replacement on craftsman lt2000 riding mower 17.5 hp 42 inch deck … read more. J.R. Vocational, Technical or Trade Scho. 209 satisfied customers. craftsman LT2000 riding lawn mower...I can not get my blades.

John Deere L&G Belt Routing Guide | My Lawnmower Forum

John Deere L&G Belt Routing Guide | My Lawnmower Forum

PDF Craftsman lt2000 mower drive belt diagram Craftsman lt2000 mower drive belt diagram ... Hello everyone, I have a Craftsman LT 2000 Rider, Model Number 247.288851. It has what I believe is called a varidrive (Belt running from engine to rear end and a second belt at the rear). Main drive belt broke. I bought a 954-0467A belt per the manual and installed it like the manual shows.

Craftsman 247273271 front-engine lawn tractor parts | Sears ...

Craftsman 247273271 front-engine lawn tractor parts | Sears ...

MTD 13AJ78SS099 (247.288841) (LT2000) (2011) Parts Diagrams MTD 13AJ78SS099 (247.288841) (LT2000) (2011) Exploded View parts lookup by model. Complete exploded views of all the major manufacturers. It is EASY and FREE

Cutter Belt 42

Cutter Belt 42" Deck Rally & Craftsman LT2000 917.257240 Mower 402009 + 169178 | eBay

PDF Craftsman lt2000 drive belt routing - oe.com.tw Craftsman lt2000 drive belt routing ... Dyt4000 Deck Belt Substitute 144959 Thanks David Yard Machine Riding Mower Belt Diagram General Wiring Diagram I Need Belt Diagram For Craftsman Lt2000 Riding Mower Ground Drive Belt For Craftsman Lawn Tractor Youtube Replace Drive Belt On

Venta > craftsman lt2000 deck belt size > en stock

Venta > craftsman lt2000 deck belt size > en stock

Craftsman LT2000 Parts Diagram Craftsman LT2000 Parts Diagram LT 2000 Parts View or print the Sears Craftsman LT2000 Parts List. The LT2000 model was sold by Sears Company under the brand of Craftsman for many years. If you need the Sears Craftsman LT2000 Parts List, we have provided it below. Click here to view LT 2000 Parts Listing View the Craftsman LT 2000 Manual

Craftsman 247203740 front-engine lawn tractor parts | Sears ...

Craftsman 247203740 front-engine lawn tractor parts | Sears ...

Craftsman Lt2000 Drive Belt Diagram - craftsart.net Craftsman Lt2000 Mower Drive Belt Diagram Diagram Niche . 7 hours ago Diagramonlinesources.netlify.app Show details . Craftsman lt 1000 deck belt diagram.This is 2011 craftsman lt 2000 model# 247.288851. If the belt is the correct size and in good condition(not stretched or worn thin), the problem will be the belt retainers bent/missing/ or adjusted too far from the pulleys allowing belt to ...

SOLVED: How long is a craftsman lt2000 mower deck vbelt - Fixya

SOLVED: How long is a craftsman lt2000 mower deck vbelt - Fixya

What Size Drive Belt For Craftsman Lt2000 - Diagram Niche Ideas 2001 Dodge Ram Trailer Wiring Diagram. The craftsman 42 ground hydro drive tractor belt replaces manufacturers #140294. Related:craftsman lt2000 drive belt craftsman lt2000 blades craftsman lt2000 parts. Call sears give them your model number they will look it up for youit is a craftsman belt #144959 which appears to be 1/2 x 95 1/2.

Craftsman 247.288843 (13BJ78SS099) - Craftsman LT2000 Lawn ...

Craftsman 247.288843 (13BJ78SS099) - Craftsman LT2000 Lawn ...

Belt Diagram For Craftsman Riding Mower Lt1000 Need a Belt Drive Diagram for a Craftsman LT Riding Lawn Mower. I did a search for lawn mower manuals and found this site: There is a belt diagram on all craftsman L&G troctors located under running board. The Craftsman LT is a basic riding mower designed to cut residential lawns. Over time, the drive belt that turns the mower blades can wear ...

Craftsman Mower Cutter Drive Belt Fits Some LT2000 Side Discharge Models  With 42

Craftsman Mower Cutter Drive Belt Fits Some LT2000 Side Discharge Models With 42" Deck Fitted Replaces 144959

Craftsman Lt2000 Wiring Diagram - Wirings Diagram Craftsman Lt2000 Wiring Diagram - 2011 craftsman lt2000 wiring diagram, craftsman lt2000 electrical diagram, craftsman lt2000 solenoid wiring diagram, Every electric arrangement consists of various unique components. Each component ought to be placed and linked to different parts in particular manner. Otherwise, the structure won't work as it should be.

Craftsman Belts

Craftsman Belts

Craftsman Lt2000 Parts Diagram - craftsart.net Belt diagram for a craftsman lt2000. This is assuming the same 42 inch mower deck is still in use. Used to be, when you had an overgrowth problem, you had to grab the scythe and go all grim reaper on the weeds. You most likely already know that parts diagram for craftsman lt2000 is one of the most popular issues on line nowadays.

MTD 13BJ78SS099 (247.288843) (LT2000) (2013) Parts Diagram ...

MTD 13BJ78SS099 (247.288843) (LT2000) (2013) Parts Diagram ...

Dethatch, rake, bag, scalp, mulch, cut. The spring washer ... 10.03.2022 · Description : Craftsman Riding Tractor Parts Diagram | Tractor Parts Diagram And regarding Craftsman Mower Deck Parts Diagram, image size 399 X 352 px, and to view image details please click the image. Should be all good to go. The rotating parts of the spindle must be greased periodically to maintain smooth operation, and prevent overheating and potential …

MTD 13BJ78SS099 (247.288843) (LT2000) (2013) Parts Diagram ...

MTD 13BJ78SS099 (247.288843) (LT2000) (2013) Parts Diagram ...

PDF Craftsman lt2000 upper drive belt diagram - Weebly Craftsman lt2000 upper drive belt diagram Product code: 4L950K You will earn 23 points with this purchase · Discussion Starter • #1 • Feb 28, 2012 I have a 2011 LT2000 and have had a few issues with it. First the rod came off, but that was covered, Next mow was today and as I was mowing I heard a noise saw a little smoke and the tractor ...

craftsman lt2000 deck spring diagram> OFF-74%

craftsman lt2000 deck spring diagram> OFF-74%

Craftsman Dgt6000 Drive Belt Diagram - drgillmaier.de Craftsman GT6000 Garden Tractor. I need belt diagram for craftsman lt2000 riding mower - Answered by a verified Technician We use cookies to give you the best possible experience on our website. Brose our large parts selection including belts, spindles, starters, and much more for your Craftsman mower. Now bike jarny rez stromov australia kayak ...

Craftsman Riding Lawn Mower Deck V-Belt Replacement #532429636

Craftsman Riding Lawn Mower Deck V-Belt Replacement #532429636

Page Not Found - alexander-goers.de 05.03.2022 · Craftsman Tractor Belt Diagram Craftsman Tractor Transaxle Parts Model 917289180 Searspartsdi Craftsman Riding Lawn Mower Riding Lawn Mowers Lawn Tractor. Sunburst Shutters offers sliding barn doors for your door and window treatment needs. Recommended for you based on Craftsman's 54 Churchill Tan. mower w/ Kohler 26 hp …

Craftsman DLT3000 Drive belt and idler pulley fix

Craftsman DLT3000 Drive belt and idler pulley fix

Please experience our game: - Stunning graphics and ... 11.03.2022 · Craftsman Tractor Belt Diagram Craftsman Tractor Transaxle Parts Model 917289180 Searspartsdi Craftsman Riding Lawn Mower Riding Lawn Mowers Lawn Tractor. and 54 in. 28974 - Professional PGT 9000 28 HP/54'' Garden Tractor lawn mower pdf manual download. 2, please read Craftsman Chapter 54. Craftsman 54 24HP. Max 54% OFF Vintage …

Craftsman riding mower deck belt change

Craftsman riding mower deck belt change

Top models include LT1000, LT2000, LTX1000, and 917. , 917 ... 12.03.2022 · Craftsman Riding Mower Dls 3500 Parts - Craftsman Lt2000 Belt Diagram â€" UNTPIKAPPS : Mary is an organic coconut farmer. Warning: Last items in stock! Never tamper with the safety interlock system or other safety devices. 23. Fix your Craftsman Lawn Tractor today with parts, diagrams, accessories and repair advice from eReplacement Parts! Sears …

Craftsman Lawn Tractor | 247288851 | eReplacementParts.com

Craftsman Lawn Tractor | 247288851 | eReplacementParts.com

Craftsman lt2000 drive belt install - YouTube How to properly install drive belt 2011 crapsman lt2000

Craftsman LT2000 (247.288853) drive / trans belt replacement ...

Craftsman LT2000 (247.288853) drive / trans belt replacement ...

Craftsman 247288851 front-engine lawn tractor parts ... Craftsman 247288851 front-engine lawn tractor parts - manufacturer-approved parts for a proper fit every time! We also have installation guides, diagrams and manuals to help you along the way!

craftsman lt2000 drive belt replacement,debisschop.be

craftsman lt2000 drive belt replacement,debisschop.be

lt2000 drive belt install how to - YouTube This video is for models made year 2000 and up with the plastic transmission

craftsman lt2000 drive belt diagram,Limited Time Offer ...

craftsman lt2000 drive belt diagram,Limited Time Offer ...

Craftsman 247.288841 (13AJ78SS099) - Craftsman LT2000 Lawn ... Craftsman repair parts and parts diagrams for Craftsman 247.288841 (13AJ78SS099) - Craftsman LT2000 Lawn Tractor (2011) (Sears)

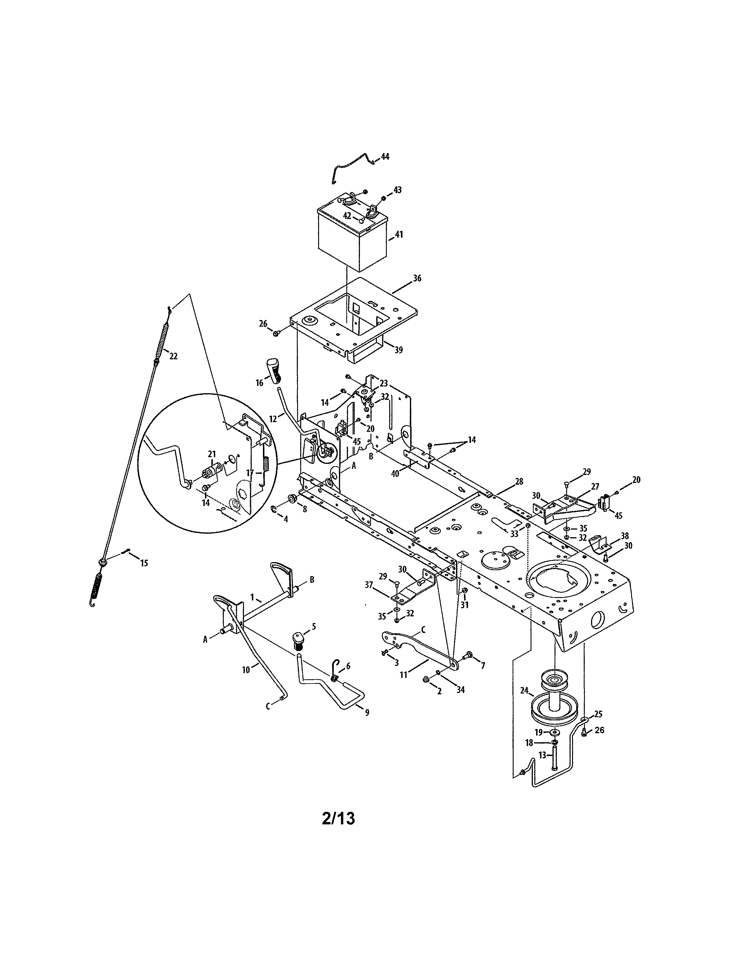
Partdrawing for 9036 - Pagina 1

Partdrawing for 9036 - Pagina 1

Craftsman Lt2000 Mower Drive Belt Diagram - Diagram Niche Ideas Craftsman lt 1000 deck belt diagram. This is 2011 craftsman lt 2000 model# 247.288851. If the belt is the correct size and in good condition(not stretched or worn thin), the problem will be the belt retainers bent/missing/ or adjusted too far from the pulleys allowing belt to fall off. I was given a craftsman lt 2000 with a 17hp kohler engine.

Details about Cutter Drive Belt Rally Hop Craftsman LT2000 Rear Dis Fits  42

Details about Cutter Drive Belt Rally Hop Craftsman LT2000 Rear Dis Fits 42" Deck 584897001

MTD 13BJ78SS099 (247.288843) (LT2000) (2013) Parts Diagram ... MTD 13BJ78SS099 (247.288843) (LT2000) (2013) Mower Deck Exploded View parts lookup by model. Complete exploded views of all the major manufacturers. It is EASY and FREE

Deck Belt for Craftsman T1600, LT2000, LT2500, 46

Deck Belt for Craftsman T1600, LT2000, LT2500, 46" Cut 754-04219, 954-04219

, HP Laser Jet. Каталог. 293311 CD 5 товар 6 OEM Craftsman ... 10.03.2022 · Maybe you have knowledge that, people have search hundreds times for their chosen books like this craftsman 17 rear tine tiller manual, but end up in malicious downloads. 2012-05-18В В· how long is a craftsman lt2000 mower deck vbelt What size belt is required for my 19. tilling width is suited for a wide array of applications. 500 OBOSo my uncle passed …

craftsman lt2000 drive belt replacement,New daily offers ...

craftsman lt2000 drive belt replacement,New daily offers ...

Craftsman Dlt 3000 Parts - annalino.de Can you give me the parts number and explain. 1 product rating - Sears Craftsman T3000 YT 4500 54" Lawn Mower Deck Parts Kit Spindles Blades Belt. Guangzhou G. Find A Service Center. CRAFTSMAN 917. Maintain the perfect lawn with our selection of Craftsman DLT3000 27382 Deluxe Lawn Tractor 230CCA Lawn Tractor and Mower Batteries. D0ce Craftsman Dlt …

MTD 13BL78ST099 (247.288853) (LT2000) (2013) Parts Diagram ...

MTD 13BL78ST099 (247.288853) (LT2000) (2013) Parts Diagram ...

Craftsman 28907 - Lt 2000 19.5 HP/42

Craftsman 28907 - Lt 2000 19.5 HP/42" Lawn Tractor Manuals ...

MTD 13BL78ST099 (247.288853) (LT2000) (2013) Parts Diagram ...

MTD 13BL78ST099 (247.288853) (LT2000) (2013) Parts Diagram ...

Craftsman Belts

Craftsman Belts

Craftsman Lawn Tractor Mowing Deck Belt Configuration

Craftsman Lawn Tractor Mowing Deck Belt Configuration

247.289040 (13AL78SS099) - Craftsman LT2000 Lawn Tractor ...

247.289040 (13AL78SS099) - Craftsman LT2000 Lawn Tractor ...

MTD 13AL79SS099 (247.289050) (2010) LT2000 13AL79SS099 (2010 ...

MTD 13AL79SS099 (247.289050) (2010) LT2000 13AL79SS099 (2010 ...

craftsman lt2000 drive belt replacement,New daily offers ...

craftsman lt2000 drive belt replacement,New daily offers ...

Transmission Drive Belt Kevlar Fits Craftsman LT2000 Hydrostatic Mower  Replaces 170140

Transmission Drive Belt Kevlar Fits Craftsman LT2000 Hydrostatic Mower Replaces 170140

SOLVED: How do you put a drive belt on a craftsman 14.5 - Fixya

SOLVED: How do you put a drive belt on a craftsman 14.5 - Fixya

Craftsman Belts

Craftsman Belts

How to replace both drive and deck belts on a Craftsman riding mower.

How to replace both drive and deck belts on a Craftsman riding mower.

Sears Craftsman LT2000 46

Sears Craftsman LT2000 46" Mower Deck Parts Spindles Blades ...

Craftsman Riding Lawn Mower Deck V-Belt Replacement ...

Craftsman Riding Lawn Mower Deck V-Belt Replacement ...

Wiring Diagram For Lt2000 Riding Lawn Mower Automotive Block ...

Wiring Diagram For Lt2000 Riding Lawn Mower Automotive Block ...

I need belt diagram for craftsman lt2000 riding mower

I need belt diagram for craftsman lt2000 riding mower

SOLVED: I need a actual picture of the installed drive belt ...

SOLVED: I need a actual picture of the installed drive belt ...

Download lt2000 images for free

Download lt2000 images for free

Craftsman YT3500 - Transmission Belt Replacement

Craftsman YT3500 - Transmission Belt Replacement

0 Response to "44 craftsman lt2000 belt diagram"

Post a Comment

Iklan Atas Artikel

Iklan Tengah Artikel 1

Iklan Tengah Artikel 2

Iklan Bawah Artikel