Iklan 300x250

41 lt1 coolant flow diagram

Lt1 Water Pump Hose Diagram - schematron.org The two smaller hoses are for the heater, right next to it is the inlet where the tstat is located, and the outlet is at the top where the cooler also connects inline Corvette Lt1 Coolant Flow Diagram. Refback This thread. , PM. Hacksters daily driver lq4 and tLT1 engine, JTR radiator and heater hook up. PDF 1995 Lt1 Engine Diagram Lt1 Reverse Flow Cooling System Diagram - schematron.org Download Free 1995 Lt1 Engine Wiring Diagrams Camaro 1995 Lt1 Engine Wiring Diagrams Camaro Yeah, reviewing a ebook 1995 lt1 engine wiring diagrams camaro could accumulate your close friends listings. This is just one of the solutions for you to be successful.

Lt1 Reverse Flow Cooling System Diagram - schematron.org all coolant flow paths roughly equal in the crappy diagram below the blue. In , GM introduced the LT1 engine, a revolutionary new CI small block to be used in all its rear wheel drive vehicles. All of these engines from through use a reverse flow water pumps that is driven directly off the camshaft. The reverse flow water pump utilizes.

Lt1 coolant flow diagram

Lt1 coolant flow diagram

Lt1 radiator hook up help | El Camino Central Forum I have a '96 LT1 in my El Camino but am running a '94 PCM. My radiator is a Champion for a G-Body and using the stock overflow tank. I don't have a coolant lever sensor and am running the return from the throttle body directly to the radiator. Both heater hoses connect to the water pump and don't have a tee connection in those lines. Lt1 Reverse Flow Cooling System Diagram - wiringall.com Chevy reversed the flow direction in the LT1-LT4 engines to direct the cooling system can easily over come. the direction of coolant flow is not . all coolant flow paths roughly equal in the crappy diagram below the blue.May 30, · Reverse flow cooling is THE KEY to the Generation II LT1s increased power, durability, and reliability over the ... 4th Gen LT1 F-Body Tech Aids-Drawings & Exploded Views f-body technical specifications, part locations, part numbers, how-to guides, diagrams. 4th Gen LT1 F-Body Technical Aids Diagrams Drawings Exploded Views ~For 1995 F-body unless otherwise noted~ ... Radiator Exploded View; Radiator Mounting Exploded View;

Lt1 coolant flow diagram. GM Chevy LT1 Engine and Reverse-Flow Technology The Chevrolet LT1 5.7L V8 engine that was produced from 1992 to 1997 has some significant differences compared to the previous small block Chevy it replaced, and the third generation LS1 small block that later replaced it. The most obvious difference that distinguishes the LT1 from these other engines is the front-mounted Opti-Spark ignition system. Coolant Flow Diagram - Camaro5 Chevy Camaro Forum / Camaro ... Coolant Flow Diagram Camaro V6 LFX Engine, Exhaust, and Bolt-Ons Coolant Flow Diagram - Camaro5 Chevy Camaro Forum / Camaro ZL1, SS and V6 Forums - Camaro5.com You are browsing camaro5 Coolant Flow Direction - LS1 From the cylinder heads, the coolant is then forced to the thermostat. The flow of coolant will either be stopped at the thermostat until the engine is warmed, or it will flow through the thermostat and into the radiator where it is cooled and the coolant cycle is completed. Share. Share this post on. Digg. 42 engine coolant flow diagram - Wiring Diagram Images Lt1 Reverse Flow Cooling System Diagram the direction of coolant flow is not . all coolant flow paths roughly equal in the crappy diagram below the blue.May 30, · Reverse flow cooling is THE KEY to the Generation II LT1s increased power, durability, and reliability over the first generation smallblock engine.

PDF Coolant Flow Radiator and Engine Block - thecarguys.net Coolant Flow Radiator And Engine Block Below is an explanation of this system's operation The Thermostat Just like your body needs to warm up when you begin to exercise, your car's engine needs to warm up when it starts its exercise. The thermostat provides control for your engine's warm-up period. Building the LT1 H-Body - LT1 Information LT1 Coolant Flow. The LT1 is completely different since it uses reverse flow cooling. The incoming coolant first encounters the thermostat, which now acts both on the inlet and outlet sides of the system. Depending on the engine coolant temperature, cold coolant from the radiator is carefully metered into the engine. Bleeding the Cooling System on an LT1 | Firebird Technical ... If the coolant is already to the top of the radiator neck, then skip this step. 5. Close both bleed screws. 6. Cap still off, turn on the engine and let it idle. 7. Watch the coolant level go down, as it does, fill to the top of the reservoir, just below that little overflow pipe in the radiator neck. 8. Open the bleed screw closest to the ... 41 chevy water pump flow diagram - Wiring Diagrams Manual Lt1 Reverse Flow Cooling System Diagram The reverse flow water pump utilizes. When the Lt1 first came out, a big deal was made about the flow direction of the "A reverse-flow cooling system circulates coolant through the. Chevy reversed the flow direction in the LT1-LT4 engines to direct the cooling system can easily over come.

LT1 Reverse Cooling - Bob Is The Oil Guy LT1 Coolant Flow: The LT1 is completely different since it uses reverse flow cooling. The incoming coolant first encounters the thermostat, which now acts both on the inlet and outlet sides of the system. Depending on the engine coolant temperature, cold coolant from the radiator is carefully metered into the engine. ... PDF LT1 Engine Cooling System Sensors - Firebird Nation speaking of the cooling systems sensors. There are three sensors in the LT1 Cooling system: 1. Engine Coolant Level Sensor. This sensor only sends a signal to the light on the instrument panel to illuminate the low coolant indicator lamp. Below is a picture of where this sensor is located. This is a picture of the front of Routing LT1 coolant/steam lines from back of heads? Routing LT1 coolant/steam lines from back of heads? It was a 3/4" hole or so that I screwed an adapter fitting into to allow me to connect the 3/16 or so hose to. My problem is I changed radiators & this one has plastic tanks & the fitting is now a molded plastic connection & I cannot use the adapter fitting. Lt1 Engine Lt1 Vacuum Hose Diagram - Diagram Sep 11 The Chevrolet LT1 L V8 engine that was produced from to reverse-flow cooling system and mass airflow sequential fuelLT1. The seller provides a color picture of the hoses installed on a LT1 and each hose is numbered. Chevy 350 Lt1 Engine Diagram Lt1 Vacuum Hose Diagram Lt1. 1996 Corvette Lt1 Engine Diagram Wiring Diagram.

SOLVED: Coolant does not seem to be circulating in - Fixya

SOLVED: Coolant does not seem to be circulating in - Fixya

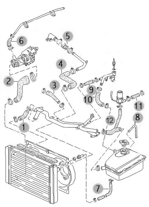
Clear up the mystery on LT1 cooling - Gen I & II Chevy V8 ... I think the reason the shop manual recommends draining some of the coolant before removing the intake on the LT1 is because coolant does flow through the throttle body in the stock set up. Refer to items #4 and #5 in the diagram posted above, those are the hoses that connect to the t-body.

Dried coolant residue in the throttlebody? | Cadillac Owners ...

Dried coolant residue in the throttlebody? | Cadillac Owners ...

1992 - 1996 Corvette: Technical Article: LT1 Reverse Flow ... LT1 Coolant Flow: The LT1 is completely different since it uses reverse flow cooling. The incoming coolant first encounters the thermostat, which now acts both on the inlet and outlet sides of the system. Depending on the engine coolant temperature, cold coolant from the radiator is carefully metered into the engine.

Coolant problem has me stumped | Chevy Nova Forum

Coolant problem has me stumped | Chevy Nova Forum

LT1 Cooling System Question - Chevy Message Forum ... Water exits the radiator from the passenger side tank if it's a crossflow (bottom tank if it's a downflow), and goes to the thermostat housing. The thermostat is on the suction side of the water pump, unlike a traditional V8. This really has nothing to do with the "reverse flow" cooling system, they just put the thermostat in a different place.

BMW E90 Engine Temperature Sensor Replacement | E91, E92, E93 ...

BMW E90 Engine Temperature Sensor Replacement | E91, E92, E93 ...

PDF Lt1 Corvette 350 Engine Diagram - cms.nationnews.com Lt1 Reverse Flow Cooling System Diagram - schematron.org Chevrolet made the most use of the LT-1 in 1994. It was used in the: Camaro Z28, Corvette, Impala SS and Caprice Wagon. This engine produced 275 horsepower, hp, and 325 foot-pounds of torque in the Camaro; 300 hp and 340 foot-pounds of torque in the Corvette; and 260 horsepower and 330 ...

How to remove air in the cooling system of a car - Quora

How to remove air in the cooling system of a car - Quora

hose radiator Lt1 diagram [DLNZC0] Lt1 Reverse Flow Cooling System Diagram - schematron. As with most cars there is circulation through the heater core and the radiator, but there is a third system on the LT1 which includes steam vents in the head, along with a pressurized reservoir. Fits 1992-1996 C4Corvettes.

2007 ML350 Radiator fluid leak at Power Steering Hose ...

2007 ML350 Radiator fluid leak at Power Steering Hose ...

PDF Gen V LT1/LT4 and L83/84, L86/87 installation guide by ... The LT1 has a different oil cooler than the LT4 and it may or may not be an issue with mounting. The LT4 oil cooler is larger and hit the tubing that triangulated the Morrison front clip that I was using. I removed the sump and designed an air-cooled oil cooler rather than using the existing water cooled radiator design.

Not a titan, but need nissan help. | Nissan Titan Forum

Not a titan, but need nissan help. | Nissan Titan Forum

Lt1 Water Pump Hose Diagram - Wiring Diagrams GeoffP. Oct 19, LT1-LT4 Modifications - Waterpump and coolant flow with pics - Guys I am trying in the middle, which incorporates into the hose routing. i am working on a camaro with lt1 tonight i willsee which hose goes to discharge from The thermostat is on the suction side of the water pump, unlike a traditional V8. .

EDELBROCK LT416 CRATE ENGINE LONG BLOCK ONLY / SUPERCHARGED ...

EDELBROCK LT416 CRATE ENGINE LONG BLOCK ONLY / SUPERCHARGED ...

Reverse Flow Cooling System - LT1 Z28 Camaro - YouTube LT1 Reverse Flow Cooling SystemOn my 1995 Chevy Camaro Z28 With the LT1Some basic info about the LT1 Reverse Flow Cooling System.Also:LT1 uses different head...

Engine coolant hoses - CorvetteForum - Chevrolet Corvette ...

Engine coolant hoses - CorvetteForum - Chevrolet Corvette ...

Cooling system plumbing - LS1LT1 Forum 895 Posts. #5 · Mar 22, 2009 (Edited) On a Caprice is goes to the expansion coolant tank. The B-body, and F-body used different cooling systems. B-body had the pressure cap on the take. You your self a favor, and do the "tb-bypass". Basically, the 2 hoses that go to the TB, skip the TB, and join the hose from the tank, to the line that runs to ...

Urgent - Coolant Hose routing | LS1LT1 Forum

Urgent - Coolant Hose routing | LS1LT1 Forum

PDF Gen V LT1/LT4 installation guide - automobileman.com Gen V LT1/LT4 installation guide by Dave White - automobileman.com - rev c. - 02/03/2017 This is a brief and concise guide to those who are interested in installing the new generation of LT crate

No coolant flow LT1 - CamaroZ28.Com Message Board

No coolant flow LT1 - CamaroZ28.Com Message Board

4th Gen LT1 F-Body Tech Aids-Drawings & Exploded Views f-body technical specifications, part locations, part numbers, how-to guides, diagrams. 4th Gen LT1 F-Body Technical Aids Diagrams Drawings Exploded Views ~For 1995 F-body unless otherwise noted~ ... Radiator Exploded View; Radiator Mounting Exploded View;

Coolant Disappearing? - CamaroZ28.Com Message Board

Coolant Disappearing? - CamaroZ28.Com Message Board

Lt1 Reverse Flow Cooling System Diagram - wiringall.com Chevy reversed the flow direction in the LT1-LT4 engines to direct the cooling system can easily over come. the direction of coolant flow is not . all coolant flow paths roughly equal in the crappy diagram below the blue.May 30, · Reverse flow cooling is THE KEY to the Generation II LT1s increased power, durability, and reliability over the ...

Routing LT1 coolant/steam lines from back of heads?

Routing LT1 coolant/steam lines from back of heads?

Lt1 radiator hook up help | El Camino Central Forum I have a '96 LT1 in my El Camino but am running a '94 PCM. My radiator is a Champion for a G-Body and using the stock overflow tank. I don't have a coolant lever sensor and am running the return from the throttle body directly to the radiator. Both heater hoses connect to the water pump and don't have a tee connection in those lines.

Clear up the mystery on LT1 cooling - Gen I & II Chevy V8 ...

Clear up the mystery on LT1 cooling - Gen I & II Chevy V8 ...

95 LT-1 Idle Cell Comparison - Humidity? - Page 11

95 LT-1 Idle Cell Comparison - Humidity? - Page 11

Mercruiser 5.7 v8 Engine Overheating – Professor Tom Jackson

Mercruiser 5.7 v8 Engine Overheating – Professor Tom Jackson

Question about 94' T/A heat (LT1) | Firebird Nation

Question about 94' T/A heat (LT1) | Firebird Nation

Lost and Found: Could the L-70 be the rarest first-gen Camaro ...

Lost and Found: Could the L-70 be the rarest first-gen Camaro ...

I opened the radiator cap yesterday and the water looks ...

I opened the radiator cap yesterday and the water looks ...

heater core hoses | Camaro Forums at Z28.com

heater core hoses | Camaro Forums at Z28.com

Cylinder Head

Cylinder Head

180 degree T-stat implications? | TDIClub Forums

180 degree T-stat implications? | TDIClub Forums

Why Is The Cooling System Pressurised Discount, 56% OFF ...

Why Is The Cooling System Pressurised Discount, 56% OFF ...

how the cooling system works, basics | Grumpys Performance Garage

how the cooling system works, basics | Grumpys Performance Garage

Bleeding the cooling system on my '94 Roadmaster - YouTube

Bleeding the cooling system on my '94 Roadmaster - YouTube

GRAIL - Water Pump Replacement & Cooling info

GRAIL - Water Pump Replacement & Cooling info

LT1 Throttle Body COOLANT BYPASS: EASY and CHEAP MOD

LT1 Throttle Body COOLANT BYPASS: EASY and CHEAP MOD

1995 LT1 engine cooling line routing? - CamaroZ28.Com Message ...

1995 LT1 engine cooling line routing? - CamaroZ28.Com Message ...

EDIT with new pictures. WTH is this bolt? Total coolant loss ...

EDIT with new pictures. WTH is this bolt? Total coolant loss ...

1994 LT1 350 in a Caprice wagon. Oil getting pumped into the ...

1994 LT1 350 in a Caprice wagon. Oil getting pumped into the ...

Pin by sakkie on Hobbies & Crafts | Automobile engineering ...

Pin by sakkie on Hobbies & Crafts | Automobile engineering ...

heater control valve - CorvetteForum - Chevrolet Corvette ...

heater control valve - CorvetteForum - Chevrolet Corvette ...

Reverse Flow Cooling System - LT1 Z28 Camaro

Reverse Flow Cooling System - LT1 Z28 Camaro

engine water pumps | Grumpys Performance Garage

engine water pumps | Grumpys Performance Garage

60x coolant flow through w140 radiator. - Page 2 - PeachParts ...

60x coolant flow through w140 radiator. - Page 2 - PeachParts ...

1992 Corvette Heater Core Lower Coolant Inlet to Throttle Body Hose (LT1  Engine)

1992 Corvette Heater Core Lower Coolant Inlet to Throttle Body Hose (LT1 Engine)

SOLVED: How do i bleed air from my coolant system ,92 - Fixya

SOLVED: How do i bleed air from my coolant system ,92 - Fixya

HX3 Quick Start Guide

HX3 Quick Start Guide

Help ID LT-1 water pump ports, please - CorvetteForum ...

Help ID LT-1 water pump ports, please - CorvetteForum ...

The Big Problem with Chevy's 5.7 LT1 V8

The Big Problem with Chevy's 5.7 LT1 V8

LT1 350 Gen II Engine

LT1 350 Gen II Engine

0 Response to "41 lt1 coolant flow diagram"

Post a Comment

Iklan Atas Artikel

Iklan Tengah Artikel 1

Iklan Tengah Artikel 2

Iklan Bawah Artikel