Iklan 300x250

41 troy bilt storm 2410 carburetor diagram

We have a troy-bilt snow thrower, storm 2410 that will only run on choke what could the problem be. You need to remove the carburetor float bowl and clean it. The needle and seat also need to be cleaned. The best thing is to totaly remove the carb. and soak it in a commercial/professional strength... Troy-Built Storm 2410 snow thrower. Starts fine but the minute I move from choke toward run it dies. … read more. I have a Troy Bilt 2410 Snow Thrower and will not start. I cleaned the carburetor and no good. I removed spark plug and spray starter fluid and it turns over then stops after about 3 seconds.

The Troy-Bilt STORM 2410 2-Stage Electric Snow Blower is a GREAT snow blower. Below is the FULL REVIEW! Manufacturer Description. I manage to pick up the Troy Bilt Storm 2410 snowblower from Home Depot the other day for $399 (Black Friday sale) - retails for $599.

Troy bilt storm 2410 carburetor diagram

Troy bilt storm 2410 carburetor diagram

The Troy-Bilt Storm 2410 two-stage snow blower can handle up to 12-inches of snowfall with a reliable 208cc Troy-Bilt engine that starts at the push of a button. Handle the Storm easily with enhanced traction from X-Trac tires and a self-propelled all-wheel drive for greater control and versatility in... Troy bilt storm 2410 Electric Plug. Change the plug after inspecting it due to wear or breakage. Be using a plug meter to see if the plug is faulty. Troy bilt storm 2410 Carburettor Fix. It's possible that the carb is blocked. The most typical cause of a blocked carburetor is keeping gasoline in the... Need to fix your 31AS62N2711 (2011) Storm 2410? Use our part lists, interactive diagrams, accessories and expert repair advice to make your repairs easy. 265-Su-11 Carburetor. Click the Dots to Preview Your Part.

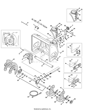
Troy bilt storm 2410 carburetor diagram. View all Troy-Bilt Storm 2410 manuals. We have the following Troy-Bilt Storm 2410 manuals available for free PDF download. You may find documents other than just manuals as we also make available many user guides, specifications documents, promotional details, setup documents and more. Find parts for your Storm 2410 Snow Blower. Parts diagrams and manuals available. 208cc Troy-Bilt electric-start engine with 24-in clearing width Remote side crank chute control provides 180-degree rotation * troy bilt snowblower 2410 carburetor. * storm 2410 snow blower parts. * troy bilt 2410 spark plug. Parts Home > Troy-Bilt > Snow Blowers & Snow Throwers > 2410 (31AS62N2711) - Troy-Bilt Storm 24" Snow Thrower (2011). Auger & Auger Housing. Drive System. Label Map Storm 2410. N, P & Q-Style Panel. Standard 2-Way Chute.

Yes, the manual of the Troy-Bilt Storm 2410 is available in English . Does a Troy Bilt Storm 2410 have an air filter? On my Troy 2410 there is no air filter. Almost all snowblowers are run without one. As for the surging that indicates it is starving for fuel. Could be the engine was just made that way for lower emissions, could be the carb is a little dirty or could be an air... Free download of Troy-Bilt Storm 2410 manuals is available on OnlineFreeGuides.com. Troy-Bilt Snow Blower Storm 2410 : User Guide. You can examine Troy-Bilt Storm 2410 Manuals and User Guides in PDF. Database contains 1 Troy-Bilt Storm 2410 Manuals (available for free online viewing or downloading in PDF): Operator's manual .

Troy-Bilt Storm 2410 User Manual. Download for 1. Troy-Bilt LLC reserves the right to change product specifications, designs and equipment without notice and without incurring obligation. Activating the choke control closes the choke plate on the carburetor and aids in starting the engine. Most Recent Troy-Bilt Storm 2410 Questions. Troy Built Storm 2410 I replaced the carburetor and I have 2 silver sleeves left that I don't know where they go, one is s... View 5 videos for the Troy-Bilt Storm 2410 below. You can click here to view all 8 videos that we have for this product. 4. Carburetor out of adjustment. 5. Engine over-governed. 1. Carburetor not adjusted properly. 1. Loose parts or damaged auger. Related manuals. Troy-Bilt 31AS62N2711 Storm 2410 Snow Blower Operators Manual. Troy-Bilt Snow Blower Storm 2410 manuals (1 documents found): View Troy-Bilt Storm 2410 documents online or download in PDF. GB_723522_troy-bilt/storm-2410.pdf.

Troy Bilt 31as62n2711 Storm 2410 2011 Snow Thrower Partswarehouse

Troy Bilt 31as62n2711 Storm 2410 2011 Snow Thrower Partswarehouse

File name: - File size: - Title: - Author: - Subject: - Keywords: - Creation Date: - Modification Date...

Diskon Cover Engine Xpander Karet Baut Stud Oem Mitsubishi Xpander 4pcs Bukalapak Com Inkuiri Com

Diskon Cover Engine Xpander Karet Baut Stud Oem Mitsubishi Xpander 4pcs Bukalapak Com Inkuiri Com

User manual for the Troy-Bilt Storm 2410 in Spanish. This PDF manual has 56 pages. 4. Contact an authorized Service Center. 5. Engine overheats Carburetor not adjusted properly. View a manual of the Troy-Bilt Storm 2410 below. All manuals on ManualsCat.com can be viewed completely free of...

Amazon Com Harbot 951 10974 Carburetor For Mtd Cub Cadet Troy Bilt Craftsman 247 889571 247 88955 247 88957 247 881733 247 883940 24788720 951 10974a 951 12705 751 12705 Snowblowers With Gasket Repower Kit Patio Lawn Garden

Amazon Com Harbot 951 10974 Carburetor For Mtd Cub Cadet Troy Bilt Craftsman 247 889571 247 88955 247 88957 247 881733 247 883940 24788720 951 10974a 951 12705 751 12705 Snowblowers With Gasket Repower Kit Patio Lawn Garden

Troy-Bilt 2410 Carburetor Help. Jump to Latest Follow. Troy-Bilt Storm Tracker 2890. If you bought this Troy-Bilt 2410 within the past couple of years, they changed the carburetor to a different version.

Troy Bilt 2410 Carburetor Help Snowblower Forum

Troy Bilt 2410 Carburetor Help Snowblower Forum

Troybilt Pressure Washer Pump Troy Pressure Washer Pressure Washer. Troy Bilt Pressure Washer Carburetor Diagram Best Of Briggs And. Honda Small Engine Gcv160 Ereplacementparts Com. 29 Pressure Washer Unloader Valve Diagram Service Manuals Wiring. Troy Bilt Storm 2410...

Amazon Com Pro Chaser 951 12705 Carburetor For Troy Bilt Storm 2410 31as62n2711 31as2p5c711 2620 31as2p5c Squall 2100 Replaces Mtd Yard Machines 31am62ee700 31as62ee731 31as2n1c701 Cub Cadet 524swe Snow Blower Patio Lawn Garden

Amazon Com Pro Chaser 951 12705 Carburetor For Troy Bilt Storm 2410 31as62n2711 31as2p5c711 2620 31as2p5c Squall 2100 Replaces Mtd Yard Machines 31am62ee700 31as62ee731 31as2n1c701 Cub Cadet 524swe Snow Blower Patio Lawn Garden

Harbot Carburetor for MTD Troy Bilt Storm 2410 2420 2620 2690 2690XP Snow Blower Snowthrower with Fuel Filter Repower Kit. FREE Shipping by Amazon. Only 6 left in stock - order soon. Amazon's Choicefor troy bilt storm 2410 carburetor. Replaces 170S HUAYI Carburetor - Carburetor for...

Troy Bilt Tb6044 Xp Manual

Troy Bilt Tb6044 Xp Manual

Troy-Bilt Storm 2410 - page 2. T o Th e O wne r 1 2 Record Product Information Befo re set ting up and o peratin g your new equip ment, pl Troy-Bilt Storm 2410 - page 3. Im por tant Sa fe Opera ti on Pra c tic es 2 3 T raining Read, un ders tand, an d follow all ins truc tions on th e  </b> machine an d...

Troy Bilt 31as63n2766 Storm 2410 2013 Parts Diagrams

Troy Bilt 31as63n2766 Storm 2410 2013 Parts Diagrams

Found on Diagram: 265-SUA Carburetor Assembly. 71004939. STUD CARB. Found on Diagram: Label Map. 777X46722. Label troy parts s.

Hastened To See Generac Carburetor Left Petcock Filter Gp3300 6431 0j5343a 0k95520119 Generator There Are More Brands Of High Quality Goods Www Ionwater Id

Hastened To See Generac Carburetor Left Petcock Filter Gp3300 6431 0j5343a 0k95520119 Generator There Are More Brands Of High Quality Goods Www Ionwater Id

Troy-Bilt Storm 2410 24 in Two Stage 208cc Electric Start Self Propelled Gas Snow Blower Storm 2410305562533 download pdf instruction manual and user guide. Device Category: Outdoors. Device Group: Gas Snow Blowers. Brand: Troy-Bilt.

Troy Bilt 31as62n2711 Storm 2410 2014 Parts Diagram For Drive System

Troy Bilt 31as62n2711 Storm 2410 2014 Parts Diagram For Drive System

Troy-Bilt Storm 2410 Document Transcription: Related Searches Have you read the Troy-Bilt Storm 2410 manuals, presented on Guidessimo.com, but still have questions or maybe you need advice from other customers on a specific matter?

Buy Atvatp 951 14026a Carburetor For Mtd 951 14027a Carburetor 951 10638a 751 10638 751 10638a 951 10638 Troy Bilt Storm 2410 2420 2620 2690 2690xp Snow Thrower Online In Turkey B07jvm2jzs

Buy Atvatp 951 14026a Carburetor For Mtd 951 14027a Carburetor 951 10638a 751 10638 751 10638a 951 10638 Troy Bilt Storm 2410 2420 2620 2690 2690xp Snow Thrower Online In Turkey B07jvm2jzs

How to remove carburetor TroyBilt 2410 Snow Thrower (Old Style). How to start a Troy Bilt Storm 2410 snow thrower. Johnson's Small Engines.

Snowblower

Snowblower

View and Download Troy-Bilt Storm 2410 operator's manual online. Troy-Bilt Two-Stage Snow Thrower Operator's Manual. Storm 2410 snow blower pdf manual download. Also for: 2420, 2620, 2890, 2625, 2840, 3090.

Amazon Com Troy Bilt Storm 2410 Carburetor

Amazon Com Troy Bilt Storm 2410 Carburetor

Need to fix your 31AS62N2711 (2011) Storm 2410? Use our part lists, interactive diagrams, accessories and expert repair advice to make your repairs easy. 265-Su-11 Carburetor. Click the Dots to Preview Your Part.

Troy Bilt 2410 31as63n2711 Troy Bilt Storm 24 Snow Thrower 2011 Parts Lookup With Diagrams Partstree

Troy Bilt 2410 31as63n2711 Troy Bilt Storm 24 Snow Thrower 2011 Parts Lookup With Diagrams Partstree

Troy bilt storm 2410 Electric Plug. Change the plug after inspecting it due to wear or breakage. Be using a plug meter to see if the plug is faulty. Troy bilt storm 2410 Carburettor Fix. It's possible that the carb is blocked. The most typical cause of a blocked carburetor is keeping gasoline in the...

Troy Bilt 31as63n2766 Storm 2410 2012 Parts Diagrams

Troy Bilt 31as63n2766 Storm 2410 2012 Parts Diagrams

The Troy-Bilt Storm 2410 two-stage snow blower can handle up to 12-inches of snowfall with a reliable 208cc Troy-Bilt engine that starts at the push of a button. Handle the Storm easily with enhanced traction from X-Trac tires and a self-propelled all-wheel drive for greater control and versatility in...

Storm 2410 Snow Blower 31bs6bn2766 Troy Bilt Us

Storm 2410 Snow Blower 31bs6bn2766 Troy Bilt Us

Troy Bilt 2410 31am62n2711 Troy Bilt Storm 24 Snow Thrower 2009 Engine Assembly 365 Sub Parts Lookup With Diagrams Partstree

Troy Bilt 2410 31am62n2711 Troy Bilt Storm 24 Snow Thrower 2009 Engine Assembly 365 Sub Parts Lookup With Diagrams Partstree

Troy Bilt Storm 2410 Snowblower 31as62n2711 Ereplacementparts Com

Troy Bilt Storm 2410 Snowblower 31as62n2711 Ereplacementparts Com

Aokus Carburetor For 123cc Troy Bilt Squall 210 Snow Blower 31a 2m5e766 Huayi New Snowblower Carburetor

Aokus Carburetor For 123cc Troy Bilt Squall 210 Snow Blower 31a 2m5e766 Huayi New Snowblower Carburetor

Troy Bilt Storm 2410 Snow Blower Review Snowblowers Net

Troy Bilt Storm 2410 Snow Blower Review Snowblowers Net

Storm 2410 Snow Blower 31as6bn2723 Troy Bilt Us

Storm 2410 Snow Blower 31as6bn2723 Troy Bilt Us

Carburetor For Craftsman 179cc Mtd 208 Cc Troy Bilt Storm 1024 2410 Snow Blower Mower Parts Land

Carburetor For Craftsman 179cc Mtd 208 Cc Troy Bilt Storm 1024 2410 Snow Blower Mower Parts Land

Troy Bilt 2410 31as62n2711 Troy Bilt Storm 24 Snow Thrower 2011 Parts Lookup With Diagrams Partstree

Troy Bilt 2410 31as62n2711 Troy Bilt Storm 24 Snow Thrower 2011 Parts Lookup With Diagrams Partstree

Top 10 Best Troy Bilt Blowers 2021 Bestgamingpro

Top 10 Best Troy Bilt Blowers 2021 Bestgamingpro

Amazon Com Troy Bilt Storm 2410 Carburetor

Amazon Com Troy Bilt Storm 2410 Carburetor

Troy Bilt 2410 Carburetor Replacement Cheap Online

Troy Bilt 2410 Carburetor Replacement Cheap Online

Troy Bilt Tb225 Carburetor Adjustment

Troy Bilt Tb225 Carburetor Adjustment

Troy Bilt 2410 Primer Not Pulling Fuel Fuel Leak Snowblower Forum

Troy Bilt 2410 Primer Not Pulling Fuel Fuel Leak Snowblower Forum

Troy Bilt 31as62n2711 Storm 2410 2015 Parts Diagrams

Troy Bilt 31as62n2711 Storm 2410 2015 Parts Diagrams

Troy Bilt Storm 2410 Snowblower 31as62n2711 Ereplacementparts Com

Troy Bilt Storm 2410 Snowblower 31as62n2711 Ereplacementparts Com

Amazon Com Troy Bilt Storm 2410 Carburetor

Amazon Com Troy Bilt Storm 2410 Carburetor

Weingartz Com

Weingartz Com

Carburetor Carb For Troy Bilt 31as62n2711 Storm 2410 Snow Blower Ebay

Carburetor Carb For Troy Bilt 31as62n2711 Storm 2410 Snow Blower Ebay

Buy Carburetor For Troy Bilt Mtd Cub Cadet Snow Blower 951 10956 951 10956a 751 10956 751 10956a 751 14018 951 14018 751 12612 951 12612 Huayi 161sa 161s 951 10956a Online In Indonesia B076jfdjgp

Buy Carburetor For Troy Bilt Mtd Cub Cadet Snow Blower 951 10956 951 10956a 751 10956 751 10956a 751 14018 951 14018 751 12612 951 12612 Huayi 161sa 161s 951 10956a Online In Indonesia B076jfdjgp

1

1

How To Remove A Carburetor Troy Bilt Storm 2620 Snow Thrower Youtube

How To Remove A Carburetor Troy Bilt Storm 2620 Snow Thrower Youtube

Carburetor Carb For Troy Bilt 31as62n2711 Storm 2410 Snow Blower Ebay

Carburetor Carb For Troy Bilt 31as62n2711 Storm 2410 Snow Blower Ebay

Carburetor Carb For Troy Bilt 31as62n2711 Storm 2410 Snow Blower Ebay

Carburetor Carb For Troy Bilt 31as62n2711 Storm 2410 Snow Blower Ebay

Troy Bilt Snow Blower Storm 2410 Carburetor Off 53

Troy Bilt Snow Blower Storm 2410 Carburetor Off 53

How To Remove Carburetor Troybilt 2410 Snow Thrower New Style Youtube

How To Remove Carburetor Troybilt 2410 Snow Thrower New Style Youtube

Troy Bilt 31as6bn2711 Carburetor Cheap Online

Troy Bilt 31as6bn2711 Carburetor Cheap Online

Troy Bilt 31as62n2711 Storm 2410 2015 Parts Diagrams

Troy Bilt 31as62n2711 Storm 2410 2015 Parts Diagrams

0 Response to "41 troy bilt storm 2410 carburetor diagram"

Post a Comment

Iklan Atas Artikel

Iklan Tengah Artikel 1

Iklan Tengah Artikel 2

Iklan Bawah Artikel