42 craftsman eager 1 parts diagram
CRAFTSMAN EZ 917.386121 EAGER 1 20" 4hp LAWN MOWER WHEEL CENTER CAPS (QTY 3) Pre-Owned. C $19.17. Top Rated Seller. Top Rated Seller. or Best Offer. +C $21.51 shipping. from United States. Need to fix your 143244122 Craftsman 4-cycle Engine Eager-1? Use our part lists, interactive diagrams, accessories and expert repair advice to make your repairs easy.
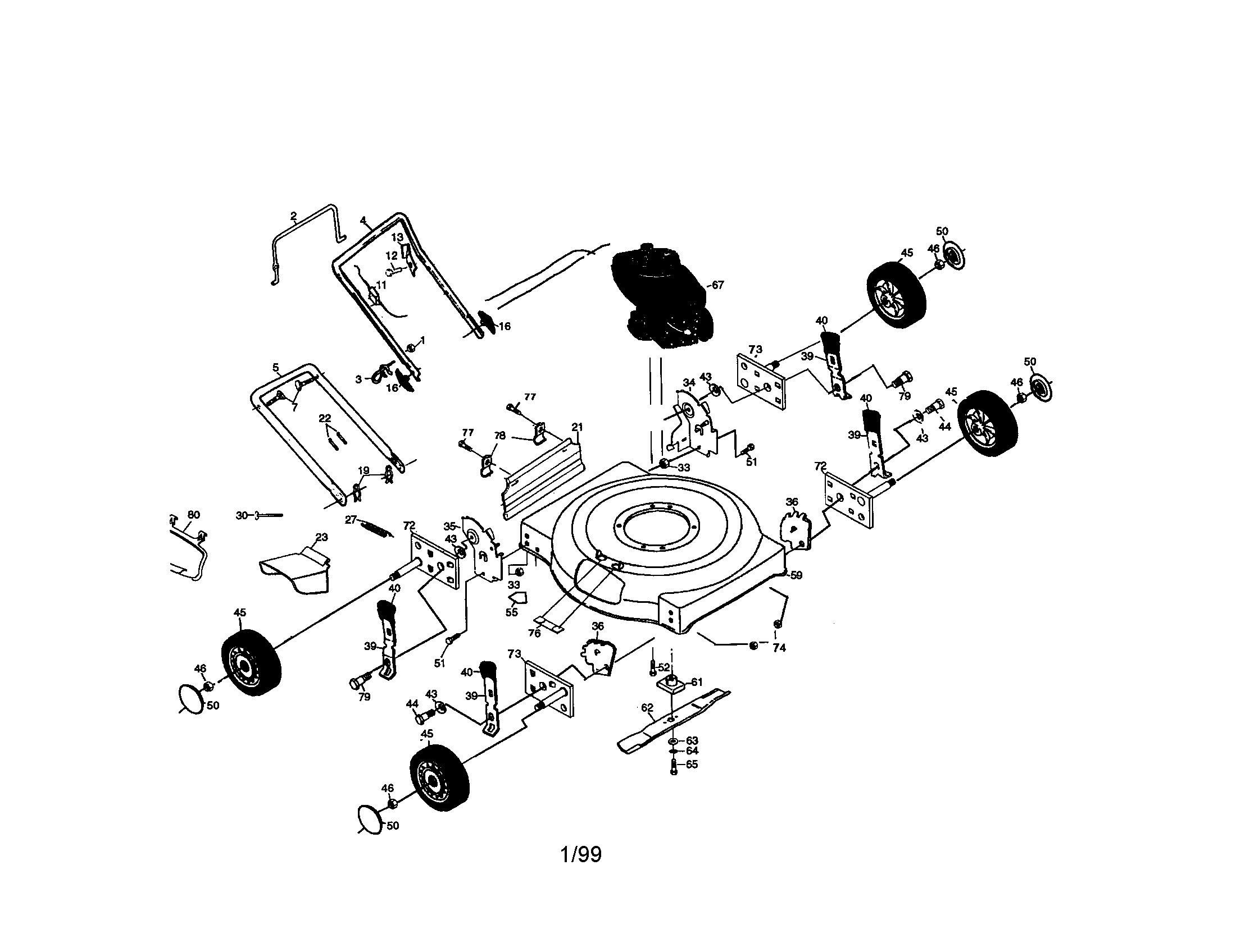
Sears Canada Parts lookup by model number, Breakdown of parts Diagram for Sears and Craftsman, Sears lawn mower, Chainsaw and Snowblower Parts Diagrams and ...

Craftsman eager 1 parts diagram
Where would I find a diagram for a Craftsman Eager-1 lawnmower.? The mower would only run for a few seconds. It would rev up and die over and over. If it did run for long enough to start mowing it would eventually bog down and die. I took the motor apart to clean it. I think I've solved the problem, but am unsure of how the linkage goes back ... Craftsman eager 1 diagram further craftsman eager 1 parts together with richmond craftsman engine parts. Gas Chain Saw Husqvarna 142 Craftsman 18 in. 1 2 3 >> Husqvarna chainsaw parts or riding mower parts, you'll find what you need at. The Stihl 015 starter parts includes a starter pulley made of either plastic or. Craftsman repair parts and parts diagrams for Craftsman 143.965006 - Craftsman Engine, Made by Tecumseh Order Status Customer Support 512-288-4355 My Account Login to your PartsTree.com to view your saved list of equipment.
Craftsman eager 1 parts diagram. 143.954502 - Craftsman Engine, Made by Tecumseh > Parts Diagrams (3) Hide. Engine Parts List #1. Engine Parts List #2. Engine Parts List #3. parts & service for · Order replacement parts · Track parts and repairs · Access an extensive selection of tool schematics and manuals · Locate one of our Factory- ... Craftsman Eager 1 Pdf User Manuals. View online or download Craftsman Eager 1 Owner's Manual. Craftsman Lawn Mower Model 917.382711 Parts. Craftsman Lawn Mower Model 917.382711 Parts are easily labeled on this page to help you find the correct component for your repair. Filter results by category, title and symptom. You can also view diagrams and manuals, review common problems that may help answer your questions, watch related videos, read insightful articles or use our repair help ...
Parts Diagrams (3) No parts found. Eager-1 Diagram of Craftsman Lawn Tractor This option is valuable if you expect to revisit Sears PartsDirect using this computer and browser in the future.tecumseh eager 1 carburetor linkage diagram - kanimnesuro86 - schematron.orgPort Manteaux Word Maker. Quality Craftsman Carburetor Parts From Repair Clinic. If you depend on Craftsman outdoor power equipment to shape up your yard, you'll want to make sure you're keeping the engine tuned-up with genuine manufacturer parts. This is easy to do when you use Repair Clinic. We stock the carburetors and carburetor components that match your ... Engine Parts List #1 diagram and repair parts lookup for Craftsman 143.943005 - Craftsman Engine, Made by Tecumseh Order Status Customer Support 512-288-4355 My Account Login to your PartsTree.com to view your saved list of equipment. I have a Sears Craftsman Eager 1, hp, 22 inch self propelled lawn I found the area of the problem with the lawn mower. . Do not get carburetor cleaner on the new seat as it can make the needle stick to the seat. Craftsman Eager 1 carburetor diagram. Does not look like a Briggs or Tecumseh carburetor. Can it be a Kohler. - Toro Lawn Mower With Toro.
Parts lookup for Craftsman power equipment is simpler than ever. Enter your model number in the search box above or just choose from the list below. Re: Craftsman Eager 1 engine in reply to Greg C., 07-31-2004 17:01:01 I just picked up a Craftsman Eager-1 (6.5hp, rear wheel drive) at a garage sale for $20. The lady said it hadn't been started in over a year. Craftsman Eager 1 carburetor diagram. Does not look like a Briggs or Tecumseh carburetor. Can it be a Kohler. - Toro Lawn Mower With Toro. NEW TECUMSEH CRAFTSMAN HP EAGER 1 CARBURETOR . rebuild kit like new craftsman eager lawn mower started on the first pull fired right highly the main jet adjustment (thumb screw on the bottom/bowl) was wrong. Buy Genuine Craftsman Parts Fast Shipping - Easy to Find Parts. Shop for CRAFTSMAN CHIPPER / VAC repair parts for model 987799601 at Sears PartsDirect. Regarding my Crafsman Eager-1 Chipper/ Vac. Model. Great deals on Craftsman chipper. Buy It New, Buy It Used, Buy It Now. Select a part type and the make and engine you're searching for.
Craftsman 536871100 lawn edger parts - manufacturer-approved parts for a proper fit every time! We also have installation guides, diagrams and manuals to help you along the way!
Did your Craftsman model 143414292 engine break down?. Engine parts > Craftsman lawn garden engine parts > #143414292 Craftsman engine. Eager-1. 3 Results. Carburetor 63. 3 Results. Rewind Starte. 3 Results. of Craftsman Lawn Sweeper 486242223 and Diagram of Craftsman Lawn Tractor 917273643. Did your Craftsman model
May 10, 2016 - Linkages came off Craftsman Eager 1 lawn mower. Where do they belong..help ! - DoItYourself.com Community Forums. May 10, 2016 - Linkages came off Craftsman Eager 1 lawn mower. ... cub cadet parts, cub cadet, kohler engine, kohler engine parts, pulling tractor parts, motorsports, motor sports, lawnmower, lawn mower, riding mower ...
Craftsman Eager 1 Chipper/Vac, 5.0 HP, Model 987.799610, Serial #473160110254. This review is from: Predator 6.5 HP 212cc OHV Horizontal Shaft Gas Engine - NOT and turned on the ignition, choke, and fuel switches as the manual instructs, ive owned brand new tecumsehs. Products 1 - 8 of 8. Yard Vacuum Manuals. Showing Products 1 - 8 of 8.
1-16 of 251 results for "craftsman eager 1 carburetor" Amazon's Choice for craftsman eager 1 carburetor Panari 632795A Carburetor + Primer Bulb for Tecumseh 632046A 632078A 632099 TVS90 TVS105 TVS115 TVS120 TVS75 TVS100 ECV100 Engine Craftsman 4.5HP 5HP Craftsman Eager 1 Lawnmower
May 10, 2016 — Craftsman eager 1 engine parts creativehobbystore 6 1 2 hp briggs stratton engine diagram briggs and stratton riding lawn mower engines wiring ...
We have 1 Craftsman Eager 1 manual available for free PDF download: Owner's Manual CRAFTSMAN Eager 1 Owner's Manual (49 pages) 6.75 HORSEPOWER 22" REAR DISCHARGE POWER PROPELLED Rotary Lawn Mower
Parts Diagrams (3) No parts found. Eager-1 Diagram of Craftsman Lawn Tractor This option is valuable if you expect to revisit Sears PartsDirect using this computer and browser in the future. Craftsman Eager 1 Carburetor Diagram ~ thanks for visiting our site, this is images about craftsman eager 1 carburetor diagram posted by Benson Fannie in ...
Craftsman eager 1 parts diagram Filename: Craftsman Curious 1 Mower Parts Manual Date: 09/30/2012 Types of Compression: ZIP Total Download: 1214 Nick: Visa File Checked: Kaspersky Download Speed: 18 Mb/s Price: Free Craftsman - Eager for Lawners with Premium Tune-Up Kit - 1 or Hottest Tecumeh Engine - 33375 - Craftsman Premium .
parts and hardware you assemble must be tightened securely. Use the correct tools as necessary to ensure proper tightness. All parts such as nuts, washers, bolts, etc., necessary to complete the assembly have been placed in the parts bag. TO REMOVE LAWN MOWER FROM CARTON 1. Remove loose parts included with mower. 2. Cut down two end corners of ...
Carburetor replacement, new starter rope, new oil and gas, checked blade and sharpened blade, and a test mow.Disclaimer:Due to factors beyond the control of ...
Sears PartsDirect has the Craftsman grash catcher parts you need to fix any bagger failure. Find the Craftsman 24891 bagger parts and replacement parts for other Craftsman grass catcher models. Look up repair parts on the exploded parts diagram for your model of Craftsman grass catcher.
The Sears Eager 1 is a gas-powered, manually propelled lawn mower. There have been several different models of the Eager 1 over the years, though the most common still in service is the red version with the 22-inch deck. All parts are available for these mowers, giving them a permanent lease on life.
YMCONE 1/2 Inch x 82 Inch Lawn Mower Drive Belt Fits Craftsman 24103, AYP 140294 532140294, Jonsered/McCulloch 532140294. 0. Sold by GrowKart. $21.09 $20.05.
New Member. Jun 29, 2006, 10:40 AM. Craftsman Eager-1 carbs. My mower was having trouble staying running. The guy that gave it to me said that it sat for about four years. He had it worked on by some one and they got it to run but it still wasn't right.After he gave to me I removed the carb, cleaned all the guk out.
Craftsman 143244122 lawn & garden engine parts - manufacturer-approved parts for a proper fit every time! We also have installation guides, diagrams and ...
Use our part lists, interactive diagrams, accessories and expert repair advice to make your repairs easy. 877-346-4814. Departments ... Repair Parts Home Lawn Equipment Parts Craftsman Parts Craftsman Lawn Mower Parts Craftsman 917376080 6.5 Horsepower Power-Propelled 22" Multi-Cut Parts.
CRAFTSMAN° 4.5 HORSEPOWER 22" SIDE DISCHARGE ROTARY LAWN MOWER Model No. 917.388222 • Safety • Assembly • Operation • Maintenance • EspaSol • Repair Parts CAUTION: Read and follow all Safety Rules and Instructions before operating this equipment Sears, Roebuck and Co., Hoffman Estates, IL 60179 Visit our Craftsman website: www ...
Craftsman repair parts and parts diagrams for Craftsman 143.965006 - Craftsman Engine, Made by Tecumseh Order Status Customer Support 512-288-4355 My Account Login to your PartsTree.com to view your saved list of equipment.
Craftsman eager 1 diagram further craftsman eager 1 parts together with richmond craftsman engine parts. Gas Chain Saw Husqvarna 142 Craftsman 18 in. 1 2 3 >> Husqvarna chainsaw parts or riding mower parts, you'll find what you need at. The Stihl 015 starter parts includes a starter pulley made of either plastic or.
Where would I find a diagram for a Craftsman Eager-1 lawnmower.? The mower would only run for a few seconds. It would rev up and die over and over. If it did run for long enough to start mowing it would eventually bog down and die. I took the motor apart to clean it. I think I've solved the problem, but am unsure of how the linkage goes back ...
0 Response to "42 craftsman eager 1 parts diagram"
Post a Comment