Iklan 300x250

43 1995 jeep wrangler radio wiring diagram

The fuel system of you jeep wrangler yj consists of a fuel tank lines pumps sending units filters and injectors. A wiring diagram is a simplified standard photographic depiction of an electrical circuit. Access our jeep wrangler yj 1987 1995 wiring diagrams repair guide by creating an account or signing into your autozone rewards account. Car Radio Battery Constant 12v Wire. Diagrams are arranged such that the power B. 1993 Jeep Grand Cherokee Stereo Wiring Information. 1989 JEEP WRANGLER 2DR SUV wiring. No AC COMP CLUTCH RELAY B 19 5 AC HEATER LT B 11 3 AC MODE SELECT SW A 1617 5 AC THERMOSTAT B 19 5 ABS MAIN RELAY C 15 4 ABS.

Having a Jeep stereo wiring diagram makes installing a car radio easy. ... Jen, ask and you shall receive: 1995 Jeep Wrangler Factory Stereo Wire Guide.

1995 jeep wrangler radio wiring diagram

1995 jeep wrangler radio wiring diagram

1997 Jeep Grand Cherokee Wiring Diagram Best Jeep Radio Wiring Jeep Wrangler Jeep Wrangler X 2012 Jeep Wrangler . Pin En 1987 Jeep Yj . ... 1995 jeep wrangler yj radio wiring diagram, 95 jeep yj radio wiring diagram. Author: Ryan. Post navigation. 97 Dodge Ram 1500 Fuel Pump Wiring Diagram → ... This popular Jeep model finally gets the Painless treatment with this all new chassis harness. This 23 circuit direct fit harness for 1987 to 1991 YJ Jeeps features a factory-style bulkhead connector that mounts the fuse block in the OEM location. This harness includes all the connectors and terminals needed. Included in this kit you will find a detailed manual and all of the wires are factory ... To properly read a cabling diagram, one offers to find out how the particular components inside the system operate. For instance , in case a module is usually powered up and it also sends out the signal of fifty percent the voltage in addition to the technician does not know this, he'd think he has a challenge, as he would expect a 12V signal.

1995 jeep wrangler radio wiring diagram. Access our jeep wrangler yj 1987 1995 wiring diagrams repair guide by creating an account or signing into your autozone rewards account. Description: Yj Wiring Harness inside 1989 Jeep Wrangler Wiring Diagram, image size 500 X 647 px, and to view image details please click the image.. Wire Diagrams Of Dash Cluster Jeepforum Com Jeep Yj Jeep Xj Jeep Wrangler Yj . Wiring Diagram Jeep Cherokee Stereo Wiring Diagram Luxury 2000 Jeep Cherokee Jeep Grand Cherokee 1999 Jeep Grand Cherokee . Radio Wiring Diagram Car Engine Diagrams Dodge Ram 1500 Dodge Durango Dodge Dakota . Pin On Jeep Download schema 2006 jeep commander stereo wiring. Diagram Jeep Wrangler Speaker Wiring Diagram Full Version Hd Quality Wiring Diagram Soadiagram Assimss It from tops-stars.com I am replacing my speakers (soundbar, dash and tweeters) on my 2007 jk. 2011 jeep wrangler speaker wiring diagram wiring diagram. Rb1 no song titles from sirius. All Wiring Diagrams For Jeep Grand Cherokee Laredo 2002 Cars. 1995 jeep grand cherokee door wiring driver module have a country 4 0 in s side connector 1993 2004 why is 1994 lorado left starter window switch diagram or info xj windows not working i problem Diagram 1995 Jeep Grand Cherokee Door Wiring Full Version Hd Quality Circutdiagrams Electricdriveitalia It Grand Cherokee Driver Door.

1995 Jeep Cherokee Wiring Diagram - 1995 grand cherokee wiring diagram, 1995 jeep cherokee headlight wiring diagram, 1995 jeep cherokee heater wiring diagram, Every electric structure consists of various unique components. Each component should be set and connected with other parts in particular manner. If not, the structure will not function as it ought to be. Nov 15, 2021 · I have an 87 jeep wrangler with an aftermarket pioneer super tuner 3 deck. When the radio is on all of the speakers work but when I plug my phone into the aux cord the front speakers keep playing the radio station and the rear play my aux music. Jeep Grand Cherokee Wiring Diagram Nilza Net Jeep Grand Cherokee 1999 Jeep Grand Cherokee Jeep Grand . Radio Wiring Diagram Car Engine Diagrams Dodge Durango Dodge Dakota Ram 1500 . 1997 Jeep Grand Cherokee Wiring Diagram Best Jeep Radio Wiring Jeep Wrangler Jeep Wrangler X 2012 Jeep Wrangler . 55 Unique 2007 Jeep Wrangler Radio Wiring Diagram ... Automotive wiring in a 2005 GMC Envoy vehicles are becoming increasing more difficult to identify due to the installation of … 2005 GMC Envoy Car Radio Wiring Schematic Read More » Mar 16, 2011 · SOURCE: where is the factory amplifier on gmc envoy 2003 For the XL - The AMP is located on the drivers side, behind the left rear trim panel ...

Please right click on the image and save the photo. Jeep tj rear wiper wiring diagram. 1998 jeep tj stereo wiring diagram. Source: i0.wp.com. I got a trailer hitch for free. 1998 jeep tj radio wiring diagram wirdig 2001 of a imagine i get coming from the 1998 jeep grand cherokee wiring diagram package. Jeep Tj Fuel Pump Wiring Diagram - wiring diagram is a simplified standard pictorial representation of an electrical circuit. It shows the components of the circuit as simplified shapes, and the gift and signal friends together with the devices. Yj Jeep Fuel Diagram Wiring Schematic Wiring Diagram Schemas 14 Apr 2020 — The PO cut the radio harness and only used a handful of the wires needed to install the crappy aftermarket stereo. There are a lot of extra ... Pinout of Dodge, Chrysler, Jeep 22 pin car stereo connectorfor years: 2002, 2003, 2004, 2005, 2006, 2007, 2008, 2009, 2010

gray SUV during daytime

gray SUV during daytime

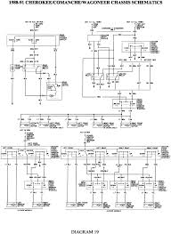
1999 Jeep Grand Cherokee Keeps Ing Tail Light Fuse Brake Lights And Blinkers Still Work But No. Rear brake and tail light out jeep cherokee forum 2001 lights not working they don 39 wiring diagrams 1984 1991 no dash i have a 91 laredo when grand wk manual part 730 2004 trailer fuse six cylinder 2000 diagram third license plate everything tom oljeep collins fsj page help talk orvis 1995 1999 ...

confused by the stock amp | Mitsubishi 3000GT & Dodge Stealth Forum

confused by the stock amp | Mitsubishi 3000GT & Dodge Stealth Forum

1995 Jeep Wrangler Radio Wiring Diagram 1995 Jeep Wrangler Radio Wiring Diagram - This version is … Paragraph Writing Worksheets For Grade 2 Paragraph Writing Worksheets For Grade 2 - Hey, in this ki… Nfl Paint Colors Home Depot Nfl Paint Colors Home Depot - Hey, in this kind of article…

[Wiring Diagram] 1995 Jeep Wrangler Radio

[Wiring Diagram] 1995 Jeep Wrangler Radio

Diagram Jeep Yj Wiring Full Version Hd Quality Diagramland Andreapendibene It. Diagram jeep yj wiring full 1995 wrangler schematics diagrams ignition speaker horn 1994 tj sound bar 1991 radio 99 schematic brake light tail fuel line 97 fuse box wire lamps 87 95 crown rio grande 2 5 under the dash forum 93 instrument cer manual gauge pdf 1987 ...

Amazon.com: Metra 70-1002 Radio Wiring Harness for Jeep/Eagle 1988-96 Power/4 Speaker : Electronics

Amazon.com: Metra 70-1002 Radio Wiring Harness for Jeep/Eagle 1988-96 Power/4 Speaker : Electronics

Rhd jeep - aje.odbytnica.pl ... Rhd jeep

1995 Jeep Cherokee Radio Wiring Diagram - Wiring Diagram ...

1995 Jeep Cherokee Radio Wiring Diagram - Wiring Diagram ...

1995 Jeep Grand Cherokee Radio Wiring Diagram. Stereo wire colors for ZJ here! If you can't find your car radio or stereo wire diagram on Modified Life, please feel free to post a car wiring diagram request at the bottom of this page and we'll do our. Wiring Diagram 1995 Jeep Grand Cherokee Radio (Frances Cox) Car Radio Stereo Audio Wiring ...

sports utility vehicles on desert under cloudy blue sky during daytime

sports utility vehicles on desert under cloudy blue sky during daytime

Nov 30, 2021 · Threads. Touchscreen handheld. On 3 Performance 5. There is a minor difference for the 1994/1995 4. Establish in 1974, Ron Francis Wiring was the first to produce the do-it-yourself wiring kit. 73 gears,aluminum rad, driveshaft loop, weld in sub-fram connectors, 5-bolt cragar Manuals and free owners instruction pdf guides.

1995 Jeep Cherokee Radio Wiring Diagram - Wiring Diagram ...

1995 Jeep Cherokee Radio Wiring Diagram - Wiring Diagram ...

Stereo Wiring Diagram. Request Stereo Diagrams; Stereo Wiring Diagrams | Subcribe via RSS. 1986 Jeep Wrangler. March 30th, 2012 | No Comments | Posted in Jeep Wrangler. 1987 Jeep Wrangler. March 30th, 2012 | No Comments | Posted in Jeep Wrangler. ... 1995 Jeep Wrangler. March 30th, 2012 | No Comments | Posted in Jeep Wrangler « Older Entries ...

Jeep Wrangler YJ Wiring Diagram

Jeep Wrangler YJ Wiring Diagram

Jeep Wrangler Reverse Light Wiring. Print the wiring diagram off plus use highlighters to trace the signal. When you make use of your finger or perhaps the actual circuit with your eyes, it is easy to mistrace the circuit. 1 trick that We 2 to printing a similar wiring plan off twice.

white Jeep Wrangler on land

white Jeep Wrangler on land

SOURCE: Stock 1995 Jeep Wrangler stereo wiring harness missing/cut off. 1995 Jeep Wrangler Car Stereo Radio Wiring Diagram. Car Radio Constant 12V+ Wire: Red/ ...1 answer · 4 votes: Answer Radio 12v pink + radio harness Radio Ground black - radio harness Radio Ignition red + radio harness Radio Illumination orange (dimmer) ...

Jeep Wrangler-YJ 1987-95 Wiring Diagrams Repair Guide ...

Jeep Wrangler-YJ 1987-95 Wiring Diagrams Repair Guide ...

1995-96 Jeep Wrangler Stereo Wiring. Home / the12volt's Install Bay / Vehicle Wiring / View all Jeep Vehicles / 1995-96 Jeep Wrangler ...

madcomics: 2000 Jeep Cherokee Wiring Diagram

madcomics: 2000 Jeep Cherokee Wiring Diagram

Wiring ecoustics in 1995 jeep cherokee radio wiring diagram image size 600 x 370 px and to view image details please click the image. The electrical wiring diagram can be used as a reference to connect the entire jeep grand cherokee lightning system including the following parts. Unique 1995 Jeep Grand Cherokee Ignition Wiring Diagram 2012 Jeep ...

1995 Jeep Wrangler Ignition Wiring Diagram - 25

1995 Jeep Wrangler Ignition Wiring Diagram - 25

Jeep stereo wiring harness inside 1995 jeep cherokee radio wiring diagram, image size 426 x 526 px, and to view image details here is a picture gallery about 1995 jeep cherokee radio wiring diagram complete with the description of the image, please find the image you need. Source: www.chanish.org. 1999 jeep cherokee xj the return line to the.

I have a 1995 jeep grand cherokee. The 15A fuze that controls

I have a 1995 jeep grand cherokee. The 15A fuze that controls

1995 Jeep Wrangler Stereo Wiring Information. Radio Constant 12V+ Wire: Red/White Radio Switched 12V+ Wire: Purple/White Radio Ground Wire: Black Radio Illumination Wire: Blue/Red Radio Dimmer Wire: Red/Black Left Front Speaker Wire (+): Gray Left Front Speaker Wire (-): Yellow Right Front Speaker Wire (+): White/Red Right Front Speaker Wire (-): Brown/Red ...

93 Yj Wiring Diagram - Wiring Diagram

93 Yj Wiring Diagram - Wiring Diagram

Nissan leaf radio swap. SYSTEM DESCRIPTION > HANDLING PRECAUTION HANDLING Nissan D21 Fuel Injectors, Pumps & Throttle Control. MSRP ,475. C arlos Ghosn, the fast-talking head of the Renault-Nissan alliance, is not keen to be drawn on targets for electric car sales. Sent from AutoGuide. "We imported this a year ago for roughly ,000. No accidents ...

black Jeep Wrangler parking near tree at daytime

black Jeep Wrangler parking near tree at daytime

Chrysler crossfire fuse box location

JEEP Car Radio Stereo Audio Wiring Diagram Autoradio connector wire installation schematic schema esquema de conexiones stecker konektor connecteur cable shema

JEEP Car Radio Stereo Audio Wiring Diagram Autoradio connector wire installation schematic schema esquema de conexiones stecker konektor connecteur cable shema

23 Jul 2010 — Time to replace dead radio due to leak in windshield glass. What is the wiring diagram for radio 1995 wrangler 4 cyl or where can I see or ...

Radio City Music Hall LED signage

Radio City Music Hall LED signage

Fuel Injection Wiring diagram PDF 1963. 2000 Volkswagen Jetta 2 0 Engine Diagram ’66 and ’67 VW Beetle Wiring Diagram – 1967 VW Beetle April 21st, 2019 - I’ve received 4 emails in the last 2 weeks asking for the correct wiring diagram for both a ’66 and ’67 Beetle Illustrated below is the VW 1500 sedan and convertible U S version ...

1995 Jeep grand cherokee laredo radio wiring diagram

1995 Jeep grand cherokee laredo radio wiring diagram

Jeep Grand Cherokee V8 Engine Diagram xlr 5 pin wiring gm 4 wire oxygen sensor wiring diagram 4 way wiring schematic weg capacitor wiring 2009 ford f 250 fuse box on wiring diagram 2006 hyundai azera chevy tbi wiring harness for jeep 2005 ford f350 fuse relay panel diagram alternator wiring diagram for 1989 lincoln ford ranger wiring diagram.

Wiring diagrams

Wiring diagrams

95 Jeep Wrangler Radio Wiring Diagram - One of the most difficult automotive repair tasks that a mechanic or fix shop can admit is the wiring, or rewiring of a car's electrical system.The misery essentially is that every car is different. next aggravating to remove, replace or fix the wiring in an automobile, having an accurate and detailed 95 Jeep Wrangler Radio Wiring Diagram is critical ...

Wiring diagrams

Wiring diagrams

1995 Jeep Wrangler Radio Wiring Diagram. A wiring diagram usually gives counsel approximately the relative slope and concord of devices and terminals upon the devices, to urge on in building or servicing the device. This is unlike a schematic diagram, where the promise of the components' interconnections on the diagram usually does not say ...

1999 Jeep Wrangler Speaker Wiring Diagram

1999 Jeep Wrangler Speaker Wiring Diagram

Sep 7, 2020 - 1995 Jeep Wrangler Wiring Diagram. 1995 Jeep Wrangler Wiring Diagram Awesome. 95 Jeep Wrangler Fuel Wiring Diagram Illustration Wiring Diagram •. Anybody Have A Wiring Diagram for A 95 Cherokee Sport Dodge. 2001 Jeep Trailer Wiring Harness Jeep Wiring Diagrams Instructions Jul 5, The Free Information Society Harmon Kardon A ...

18 Images Jeep Yj Radio Wiring Diagram

18 Images Jeep Yj Radio Wiring Diagram

2015 Jeep Wrangler Radio Wiring Harness Diagram from 2.bp.blogspot.com. Print the wiring diagram off plus use highlighters to trace the signal. When you make use of your finger or perhaps the actual circuit with your eyes, it is easy to mistrace the circuit. 1 trick that We 2 to printing a similar wiring plan off twice.

Wiring diagrams

Wiring diagrams

2000 Jeep Grand Cherokee Wiring Diagram Jeep Grand Cherokee Jeep Grand Jeep Cherokee. Ford Ka Wiring Diagram Electrical Wiring Electrical Wiring Diagram Ford Fairlane. 1995 Jeep Wrangler Wiring Diagram Awesome 1995 Chevy Silverado Chevy Silverado Chevy Trucks. 403 Forbidden Gmc Truck Chevy Trucks Gmc Sierra.

Wiring Diagram For 95 Jeep Cherokee Radio - Electrical ...

Wiring Diagram For 95 Jeep Cherokee Radio - Electrical ...

The ASD relay is an acronym for Automatic Shutdown relay, but its acronym is popularly known. It is a major component of the fuel and ignition systems of modern vehicle engines.. "This component performs the task of transmitting power (switched 12-volt) to the ignition coils and fuel injectors of vehicle engines" which gives room to produce a spark and also allows the pumping of fuel.

[DIAGRAM] 1995 Jeep Wrangler Stereo Wiring Diagram FULL ...

[DIAGRAM] 1995 Jeep Wrangler Stereo Wiring Diagram FULL ...

To properly read a cabling diagram, one offers to find out how the particular components inside the system operate. For instance , in case a module is usually powered up and it also sends out the signal of fifty percent the voltage in addition to the technician does not know this, he'd think he has a challenge, as he would expect a 12V signal.

Ignition Switch Cherokee & Comanche 1984-1994, Wrangler ...

Ignition Switch Cherokee & Comanche 1984-1994, Wrangler ...

This popular Jeep model finally gets the Painless treatment with this all new chassis harness. This 23 circuit direct fit harness for 1987 to 1991 YJ Jeeps features a factory-style bulkhead connector that mounts the fuse block in the OEM location. This harness includes all the connectors and terminals needed. Included in this kit you will find a detailed manual and all of the wires are factory ...

5 Jeep Wrangler 5.5 Engine Diagram | 1997 jeep wrangler ...

5 Jeep Wrangler 5.5 Engine Diagram | 1997 jeep wrangler ...

1997 Jeep Grand Cherokee Wiring Diagram Best Jeep Radio Wiring Jeep Wrangler Jeep Wrangler X 2012 Jeep Wrangler . Pin En 1987 Jeep Yj . ... 1995 jeep wrangler yj radio wiring diagram, 95 jeep yj radio wiring diagram. Author: Ryan. Post navigation. 97 Dodge Ram 1500 Fuel Pump Wiring Diagram → ...

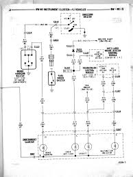
Jeep Wrangler Instrument Cluster Manual – Jedi.com

Jeep Wrangler Instrument Cluster Manual – Jedi.com

Radio City LED sign on building

Radio City LED sign on building

asphalt road between city buildings

asphalt road between city buildings

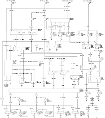
Wiring Harnes For 1995 Jeep Wrangler - Wiring Diagram Schemas

Wiring Harnes For 1995 Jeep Wrangler - Wiring Diagram Schemas

1995 Jeep Wrangler Wiring Diagram Pictures - Wiring ...

1995 Jeep Wrangler Wiring Diagram Pictures - Wiring ...

photo of white Jeep Wrangler

photo of white Jeep Wrangler

Wiring Diagram 1995 Jeep Grand Cherokee Radio | Jeep grand ...

Wiring Diagram 1995 Jeep Grand Cherokee Radio | Jeep grand ...

2000 Jeep Wrangler Radio Wiring Diagram | Free Wiring Diagram

2000 Jeep Wrangler Radio Wiring Diagram | Free Wiring Diagram

95 Wrangler Yj Wiring Diagram - Wiring Diagram

95 Wrangler Yj Wiring Diagram - Wiring Diagram

Jeep Wrangler Radio Wiring Diagram

Jeep Wrangler Radio Wiring Diagram

Chrysler Dodge Jeep Factory Stereo Radio to Aftermarket Radio Harness Adapter - Walmart.com

Chrysler Dodge Jeep Factory Stereo Radio to Aftermarket Radio Harness Adapter - Walmart.com

Retroactively installing a factory sub in your Wrangler

Retroactively installing a factory sub in your Wrangler

Wiring Harnes For 1995 Jeep Wrangler - Wiring Diagram Schemas

Wiring Harnes For 1995 Jeep Wrangler - Wiring Diagram Schemas

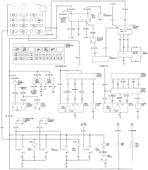
1998 Jeep Wrangler Wiring Schematic - Wiring Diagram

1998 Jeep Wrangler Wiring Schematic - Wiring Diagram

1995 Jeep Wrangler Radio Wiring Diagram Pics | Wiring ...

1995 Jeep Wrangler Radio Wiring Diagram Pics | Wiring ...

woman laying on bed near gray radio

woman laying on bed near gray radio

0 Response to "43 1995 jeep wrangler radio wiring diagram"

Post a Comment

Iklan Atas Artikel

Iklan Tengah Artikel 1

Iklan Tengah Artikel 2

Iklan Bawah Artikel